Правила форума Clear

9PA1 производство 2007>>2010 (L) Warning chassis system 957 Cayenne

19.04.2021, 09:41   #31
Egrman
Аватар для Egrman
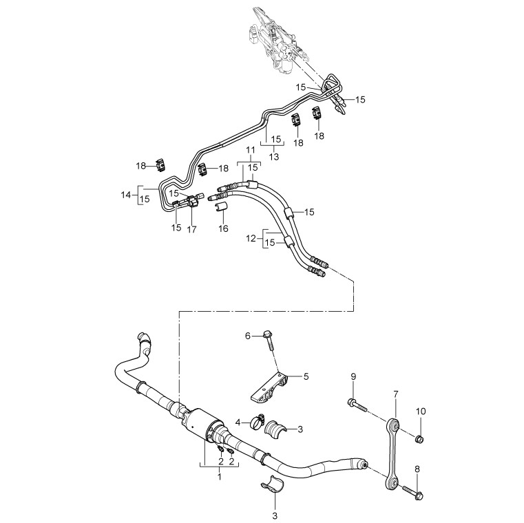
Нашел схемы системы PDSS судя по тому что у меня очаговое место находится ближе к правому колесу то врятли давануло насос или стаб, скорей всего соеденения трубки и шланга, еще вопрос к Владимиру если гур работает, жидкость в бачке для pdss после доливки стоит и не уходит, сработала защита? в самом контуре осталось масло? не повредит барабан пдсс? как активировать работу этого контура? и можно ли в таком режиме передвигаться на заведённом двигателе?
Миниатюры:
Нажмите на изображение для увеличения
Название: пдсс.jpeg
Просмотров: 1566
Размер:	96.5 Кб
ID:	42626   Нажмите на изображение для увеличения
Название: пдсс3.jpeg
Просмотров: 1647
Размер:	29.6 Кб
ID:	42627  
19.04.2021, 11:02   #32
Владимир Маркин
Аватар для Владимир Маркин
Сообщение от Egrman Посмотреть сообщение
Нашел схемы системы PDSS судя по тому что у меня очаговое место находится ближе к правому колесу то врятли давануло насос или стаб, скорей всего соеденения трубки и шланга, еще вопрос к Владимиру если гур работает, жидкость в бачке для pdss после доливки стоит и не уходит, сработала защита? в самом контуре осталось масло? не повредит барабан пдсс? как активировать работу этого контура? и можно ли в таком режиме передвигаться на заведённом двигателе?
После разгерметизации и устранения неисправности, систему PDCC нужно прокачать, а дальше провести функциональные тесты. Для этого и существует PIWIS.
20.04.2021, 13:02   #33
Egrman
Аватар для Egrman
Владимир, добрый день! прошу сообщить номера шлангов которые в оплетке металлической прикручиваются к переднему стабу и бачка pdss, вин в подписи
Миниатюры:
Нажмите на изображение для увеличения
Название: порш 2 (1).jpg
Просмотров: 1666
Размер:	133.0 Кб
ID:	42638  
20.04.2021, 21:38   #34
Владимир Маркин
Аватар для Владимир Маркин
Сообщение от Egrman Посмотреть сообщение
Владимир, добрый день!
Добрый вечер

Сообщение от Egrman Посмотреть сообщение
прошу сообщить номера шлангов которые в оплетке металлической прикручиваются к переднему стабу
95835911101 трубка система активного стабилизатора переднего желтый
95535911203 трубка система активного стабилизатора переднего зеленый
Сообщение от Egrman Посмотреть сообщение
бачка pdss
95531401520 бачок
Миниатюры:
Нажмите на изображение для увеличения
Название: 1.jpg
Просмотров: 1604
Размер:	50.6 Кб
ID:	42641  
22.04.2021, 07:48   #35
Egrman
Аватар для Egrman
В итоге поменяли трубку которая к стабу давление подает, прокачали пивисом и все ок.
Миниатюры:
Нажмите на изображение для увеличения
Название: 8B4AB914-0CFC-44A8-B861-75B55C0E9612.jpg
Просмотров: 1651
Размер:	149.8 Кб
ID:	42768  
11.03.2024, 21:00   #36
Денис032
Добрый вечер,Владимир.Подскажите пожалуйста,после не продолжительной езды,метров так через 200-300 выскакивает ошибка warning chassis system.Хотел прокачать систему,выскочила такая ошибка.Получается задний блок под замену?
Миниатюры:
Нажмите на изображение для увеличения
Название: A15B07D7-6E0F-479A-A85F-1949B6BA58D7.jpg
Просмотров: 1677
Размер:	113.3 Кб
ID:	75612   Нажмите на изображение для увеличения
Название: 7CD00430-F784-4081-8B72-0DFAB96F3565.jpg
Просмотров: 1634
Размер:	110.0 Кб
ID:	75613   Нажмите на изображение для увеличения
Название: FA332A0C-BADB-414E-8A57-36B3F9794140.jpg
Просмотров: 1673
Размер:	93.6 Кб
ID:	75614   Нажмите на изображение для увеличения
Название: 493F9D58-0AC8-473F-84A3-507372DDBFD3.jpg
Просмотров: 1607
Размер:	119.6 Кб
ID:	75615   Нажмите на изображение для увеличения
Название: 3E8DA217-31D1-4282-B5BF-9DC8C429ACBA.jpg
Просмотров: 1540
Размер:	101.4 Кб
ID:	75616  

Нажмите на изображение для увеличения
Название: 289CCBB2-8002-4F57-920B-703C5A1AEC6D.jpg
Просмотров: 1611
Размер:	113.0 Кб
ID:	75617   Нажмите на изображение для увеличения
Название: 6624F960-D3EA-4908-B064-6FD64D04E811.jpg
Просмотров: 1636
Размер:	117.1 Кб
ID:	75618  
Вложения:
Тип файла: mov trim.FFBFC2FC-3515-4B80-A906-8754B0769587.MOV (4.11 Мб, 846 просмотров)
11.03.2024, 23:33   #37
Владимир Маркин
Аватар для Владимир Маркин
Сообщение от Денис032 Посмотреть сообщение
Добрый вечер,Владимир
Добрый вечер

Сообщение от Денис032 Посмотреть сообщение
Получается задний блок под замену?
Если трубки все корректно подключены, похоже на клапанный блок
31.01.2025, 19:54   #38
Денис032
Добрый вечер.Владимир,подскажите пожалуйста.После замены рулевой рейки,стоек переднего стабилизатора и втулок переднего стабилизатора,при повороте появляется щелчок-стук(причём не всегда он есть)ошибок при этом не выскакивает на приборке…из за чего может такое быть??…приходит конец переднему активному стабилизатору??.Машина Кайен 957 с системой PDCC.
01.02.2025, 11:26   #39
Владимир Маркин
Аватар для Владимир Маркин
Сообщение от Денис032 Посмотреть сообщение
Добрый вечер.Владимир
Добрый день

Сообщение от Денис032 Посмотреть сообщение
Владимир,подскажите пожалуйста.После замены рулевой рейки,стоек переднего стабилизатора и втулок переднего стабилизатора,при повороте появляется щелчок-стук(причём не всегда он есть)ошибок при этом не выскакивает на приборке…из за чего может такое быть??…приходит конец переднему активному стабилизатору??.
Проверяйте на качество и корректность затяжки болты нижних рычагов и переднего подрамка. Сход-развал делали и видимо что-то осталось в ослабленном состоянии
01.02.2025, 16:40   #40
Денис032
Понял,благодарю Вас за совет

Метки
chassis, pdcc, system, активный, насос, ошибка, передний, пивис, система, стабилизатор, трубка



Левый уголок Похожие темы Правый уголок
Тема Автор Раздел Ответов Последнее сообщение
Противоугонная система Porsche VTS (Vehicle Tracking System) Владимир Маркин Электрооборудование 9 16.09.2023 21:45
[9PA1] Porsche Dynamic Chassis Control (PDCC) Владимир Маркин Ходовая и подвеска 31 30.05.2017 15:55
[9PA] Warning - Air suspension. Пневмоподвеска. Kos100 Вопросы специалистам 3 06.02.2014 11:54
[9PA] Сообщения FOUR-WHELL DR. SYSTEM FAULTY а затем PSM FAILURE WORKSHOP! SASH Вопросы специалистам 11 24.04.2013 00:30
[9PA] Ошибка 16825 EVAP Emission Control System Шум Двигатель 4 23.09.2011 16:59



Powered by vBulletin® Version 3.8.7
Copyright ©2000 - 2025, vBulletin Solutions, Inc. Перевод: zCarot
Все права на материалы, находящиеся на сайте, охраняются в соответствии с законодательством РФ.
При любом использовании материалов сайта, письменное согласие обязательно.
Торговые марки, логотипы и марки услуг, размещенные на данном сайте, являются собственностью их владельцев.
CayService.ru не связан с Porsche AG или PCNA. ©2025 CayService.ru. Все права защищены.
Яндекс.Метрика