Правила форума Clear

9PA1 производство 2007>>2010 (L) Дым и течь масла на стыке ТНВД и двигателя Cayenne Turbo (9PAAI1) - Страница 2

01.08.2020, 13:31   #11
Egrman
Аватар для Egrman
Сообщение от Владимир Маркин Посмотреть сообщение
Добрый день!


Фото делали?
Как правило подтекает сам ТНВД в том месте.
Владимир, сориентируйте от куда лучше делать фото и чем?
01.08.2020, 14:08   #12
Владимир Маркин
Аватар для Владимир Маркин
Сообщение от Egrman Посмотреть сообщение
Владимир, сориентируйте от куда лучше делать фото и чем?
Я тут не советчик. По ситуации, как удобно. Главное чтобы локально было видно место разгерметизации
01.08.2020, 14:16   #13
Egrman
Аватар для Egrman
Владимир, если возможно сориентируйте чтоб для замены уплотнительного кольца снять поставить тнвд сколько по времени занимает и есть ли какие подводные камни?
А то в Сочи нет профильных сервисов куда обратился говорят будем смотреть по факту
01.08.2020, 14:21   #14
Владимир Маркин
Аватар для Владимир Маркин
Сообщение от Egrman Посмотреть сообщение
Владимир, если возможно сориентируйте чтоб для замены уплотнительного кольца снять поставить тнвд сколько по времени занимает и есть ли какие подводные камни?
Если машина не горячая, как правило достаточно часа два
01.08.2020, 22:22   #15
Egrman
Аватар для Egrman
Сообщение от Владимир Маркин Посмотреть сообщение
Если машина не горячая, как правило достаточно часа два
Владимир, просьба номерок уплотнительного кольца
01.08.2020, 22:32   #16
Владимир Маркин
Аватар для Владимир Маркин
Сообщение от Egrman Посмотреть сообщение
Владимир, просьба номерок уплотнительного кольца
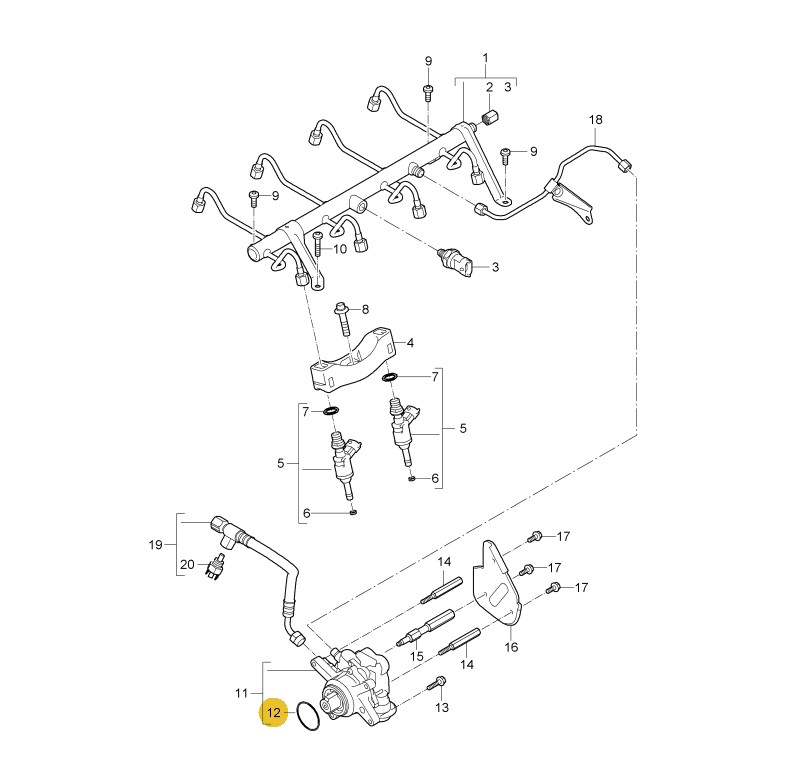
94811061500 кольцо уплотнительное 45.7 X 2.62
Миниатюры:
Нажмите на изображение для увеличения
Название: 94811061500.jpg
Просмотров: 123
Размер:	60.7 Кб
ID:	33150  
01.08.2020, 23:33   #17
Egrman
Аватар для Egrman
Сообщение от Владимир Маркин Посмотреть сообщение
есть еще масляная система. Вот ее и нужно проверить
Владимир, что вы имели ввиду именно проверить, от именно куда течь? Или есть вариант что где то возможно есть более глубокая проблема ?
02.08.2020, 15:34   #18
Владимир Маркин
Аватар для Владимир Маркин
Сообщение от Egrman Посмотреть сообщение
Владимир, что вы имели ввиду именно проверить, от именно куда течь? Или есть вариант что где то возможно есть более глубокая проблема ?
Есть вариант, что подтекание связано с негерметичностью самого ТНВД или со стороны клапанной крышки
03.08.2020, 00:54   #19
Egrman
Аватар для Egrman
Сообщение от Владимир Маркин Посмотреть сообщение
Есть вариант, что подтекание связано с негерметичностью самого ТНВД или со стороны клапанной крышки
Сегодня проехал 300км, и пока ездишь спокойно все норм, как только часто даешь в отсечку начинает подванивать горелым маслом, во вторник приедет упл.кольцо и будут снимать тнвд
06.08.2020, 21:58   #20
Egrman
Аватар для Egrman
Миниатюры:
Нажмите на изображение для увеличения
Название: Screenshot_1.jpg
Просмотров: 113
Размер:	171.1 Кб
ID:	33421  

Метки
высокий, давление, двигатель, деть, клапан, когда, масло, система, стык, течь, тнвд, топливо



Левый уголок Похожие темы Правый уголок
Тема Автор Раздел Ответов Последнее сообщение
[92A] Течь масла arle808 Трансмиссия, АКПП, МКПП 22 01.07.2024 22:26
[9PA1] Течь масла в ранее теплообменника 3.6 Amir Двигатель 16 15.02.2021 12:52
[92A] Течь масла alexF Двигатель 3 14.11.2019 11:44
[92A] Течь масла! Kia Вопросы специалистам 1 19.06.2017 11:31
[9PA1] Течь масла из поддона Mikele Вопросы специалистам 9 30.09.2015 18:40



Powered by vBulletin® Version 3.8.7
Copyright ©2000 - 2025, vBulletin Solutions, Inc. Перевод: zCarot
Все права на материалы, находящиеся на сайте, охраняются в соответствии с законодательством РФ.
При любом использовании материалов сайта, письменное согласие обязательно.
Торговые марки, логотипы и марки услуг, размещенные на данном сайте, являются собственностью их владельцев.
CayService.ru не связан с Porsche AG или PCNA. ©2025 CayService.ru. Все права защищены.
Яндекс.Метрика