Правила форума Clear

92A производство 2011>>2018 (K;L) P057B00 Датчик хода педали тормоза, недостоверный сигнал

13.12.2023, 13:14   #11
Владимир Маркин
Аватар для Владимир Маркин
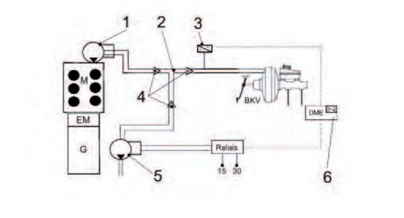
Принцип действия
Если ДВС работает, вакуум для усилителя тормозного привода обеспечивается вакуумным насосом с механическим приводом (1). При остановленном ДВС в зависимости от соотношения вакуума при необходимости подключается электрический вакуумный насос.
Датчики давления, встроенные в вакуумный трубопровод и блок управления DME, регистрируют соотношение давлений в усилителе тормозного привода, а также атмосферное давление. Если в усилителе тормозного привода распознается слишком низкий вакуум, блок управления DME через реле включает вакуумный насос.
Диапазон вакуума составляет от 550 мбар и >750 мбар.

1 механический вакуумный насос
2 вакуумный трубопровод
3 датчик давления
4 обратные клапаны
5 электрический вакуумный насос
6 блок управления DME с встроенным датчиком давления
BKV усилитель тормозного привода
M двигатель внутреннего сгорания
EM электроустановка
G коробка передач
Миниатюры:
Нажмите на изображение для увеличения
Название: Схема.jpg
Просмотров: 409
Размер:	37.2 Кб
ID:	73001  
13.12.2023, 13:15   #12
Владимир Маркин
Аватар для Владимир Маркин
Диагностика
В рамках диагностики выполняется непрерывная проверка баланса вакуума, и при необх. предпринимаются соответствующие меры.
Если, например, несмотря на активацию вакуумного насоса, уровень вакуума в течение 10 с не повысится минимум на 200 мбар, ДВС больше не отключается.
Если автомобиль едет в электрическом режиме, ДВС сразу же включается. В такой ситуации загорается желтая сигнальная лампа гибрида.
Если необходимый вакуум уже не обеспечивается (напр., из-за течи), загорается красная сигнальная лампа тормозной системы.

1 датчик вакуума
2 вакуумный трубопровод
Миниатюры:
Нажмите на изображение для увеличения
Название: Диагностика.jpg
Просмотров: 396
Размер:	28.9 Кб
ID:	73002  

Метки
cayenne, hybrid, вакуум, вакуумный, гибрид, давление, датчик, диапазон, запуск, инструкция, насос, недостоверный, педаль, привод, сигнал, стоп, тормоз, тормозной, ход, электрический



Левый уголок Похожие темы Правый уголок
Тема Автор Раздел Ответов Последнее сообщение
[92A] Ошибка датчика хода педали тормоза Cayenne S Hybrid (92AAM1) Иван_ Электрооборудование 4 09.06.2021 11:57
[92A] P220900 Датчик NOx 1, ряд 1, отопление, недостоверный сигнал Владимир Маркин Система питания 0 11.01.2021 23:40
P0071 Датчик наружной температуры, недостоверный сигнал Владимир Маркин Система кондиционирования 0 20.12.2019 21:51
[95B] P274100 Датчик температуры трансмиссионного масла 2, недостоверный сигнал Владимир Маркин Трансмиссия, АКПП, МКПП 0 21.11.2019 22:45
[970] P01E400 Датчик 3 температуры ОЖ, недостоверный сигнал Владимир Маркин Двигатель 0 18.04.2019 23:11



Powered by vBulletin® Version 3.8.7
Copyright ©2000 - 2025, vBulletin Solutions, Inc. Перевод: zCarot
Все права на материалы, находящиеся на сайте, охраняются в соответствии с законодательством РФ.
При любом использовании материалов сайта, письменное согласие обязательно.
Торговые марки, логотипы и марки услуг, размещенные на данном сайте, являются собственностью их владельцев.
CayService.ru не связан с Porsche AG или PCNA. ©2025 CayService.ru. Все права защищены.
Яндекс.Метрика