Правила форума Clear

92A производство 2011>>2018 (K;L) Ограничение мощности

06.04.2017, 21:06   #61
Владимир Маркин
Аватар для Владимир Маркин
Сообщение от Oleg777 Посмотреть сообщение
Владимир, Добрый день!
Добрый вечер.

Сообщение от Oleg777 Посмотреть сообщение
Подскажите: давление в системе высокого контура в состоянии покоя (на заглушенном двигателе) должно удерживаться постоянным? Или например после ночной стоянки оно должно падать? Если давление сильно падает, может это указывать на неисправность ТНВД (клапана не держат давление)?
Нет. Для этого и присутствует режим подкачки, при открытии двери водителя.
25.05.2022, 10:49   #62
Денис кай 007
Аватар для Денис кай 007
Владимир, Добрый день! Подскажите актуальный на сегодняшний день каталожный номер ТНВД для заказа: wp1zzz92zdla79973
26.05.2022, 18:07   #63
Владимир Маркин
Аватар для Владимир Маркин
Сообщение от Денис кай 007 Посмотреть сообщение
Владимир, Добрый день!
Добрый вечер!

Сообщение от Денис кай 007 Посмотреть сообщение
wp1zzz92zdla79973
Cayenne GTS V8 с КП Tiptronic (92AAL1)

Сообщение от Денис кай 007 Посмотреть сообщение
Подскажите актуальный на сегодняшний день каталожный номер ТНВД для заказа
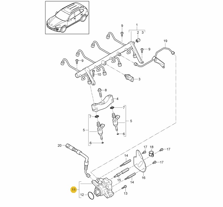
948110316HX насос высокого давления
94810511400 пробка сцепление насоса высокого давления топлива
Миниатюры:
Нажмите на изображение для увеличения
Название: 1.jpg
Просмотров: 678
Размер:	56.4 Кб
ID:	55448   Нажмите на изображение для увеличения
Название: 2.jpg
Просмотров: 704
Размер:	92.5 Кб
ID:	55449  
25.07.2022, 13:56   #64
CTAC
Владимир, Добрый день! Подскажите назначение данной детали- 94810511400 пробка сцепление насоса высокого давления топлива. у меня она раскрошилась ,а ценник за неё у нас в Самаре 8000р. как мне показалось она является направляющей для муфты зацепления ТНВД. Просто есть отличный токарь ,может изготовить из любого пластика
.
26.07.2022, 22:01   #65
Владимир Маркин
Аватар для Владимир Маркин
Сообщение от CTAC Посмотреть сообщение
Владимир, Добрый день!
Добрый вечер

Сообщение от CTAC Посмотреть сообщение
Подскажите назначение данной детали- 94810511400 пробка сцепление насоса высокого давления топлива.
Это как пассивная безопасность на случай если ТНВД заклинит, чтобы не повредило впускной распредвал левого ряда цилиндров

Сообщение от CTAC Посмотреть сообщение
Просто есть отличный токарь ,может изготовить из любого пластика
Ну если будет аналогичное качество, можно конечно

Метки
высокий, давление, дать, деть, должный, насос



Левый уголок Похожие темы Правый уголок
Тема Автор Раздел Ответов Последнее сообщение
[9PA1] Глохнет, ограничение мощности, хлопка во впуске sm1else Система питания 9 15.03.2017 06:15
[92A] Повышение мощности 958 VAD68 Чип-тюнинг 5 01.11.2016 16:27
O.CT Tuning добавили мощности Porsche 911 Turbo S gurutunin Авто-новинки 0 11.11.2015 03:47
[9PA] Потеря мощности immortel Двигатель 1 09.07.2014 10:23
Повышение мощности, снижение расхода топлива Кост Вопросы специалистам 4 03.03.2011 10:55



Powered by vBulletin® Version 3.8.7
Copyright ©2000 - 2025, vBulletin Solutions, Inc. Перевод: zCarot
Все права на материалы, находящиеся на сайте, охраняются в соответствии с законодательством РФ.
При любом использовании материалов сайта, письменное согласие обязательно.
Торговые марки, логотипы и марки услуг, размещенные на данном сайте, являются собственностью их владельцев.
CayService.ru не связан с Porsche AG или PCNA. ©2025 CayService.ru. Все права защищены.
Яндекс.Метрика