Правила форума Clear

970 производство 2010>>2016 (L) Демонтаж и монтаж опоры двигателя (Turbo)

09.11.2018, 21:57   #1
Владимир Маркин
Аватар для Владимир Маркин
Предварительные работы

1 Снять подрамник передней оси.

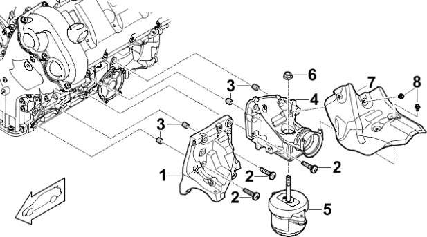
Демонтаж опоры двигателя

Демонтаж правой опоры двигателя

Информация

Предпринять демонтаж или монтаж опор двигателя в следующей последовательности:

-Демонтаж правой опоры двигателя
-Демонтаж левой опоры двигателя
-Монтаж левой опоры двигателя
-Монтаж правой опоры двигателя

1 Снять предкатализатор с правой стороны.

2 Отвернуть крепежный винт массового провода двигателя на балке рамы справа спереди (доступен через правую колесную нишу).

3 Повернуть винт-барашек приспособления для вывешивания влево и опустить двигатель.

Уведомление

Перетяжка установленных на двигателе деталей
Растрескивание шлангов, кабелей или других гибко проложенных компонентов.

Осторожно и пошагово опустить двигатель.

Пошаговый контроль установленных деталей на перетяжку или трещины.

4 Отвернуть три крепежных винта экрана главной передачи.

5 Вынуть экран и винты.

6 Нажать на опору двигателя снизу и отвернуть крепежную гайку опоры двигателя.

7 Вынуть опору двигателя и гайку из направляющей.

Демонтаж левой опоры двигателя

1 Отвернуть четыре крепежных винта экрана главной передачи.

2 Вынуть экран и винты.

3 Нажать на опору двигателя снизу и отвернуть крепежную гайку опоры двигателя.

4 Вынуть опору двигателя и гайку из направляющей.

Монтаж опоры двигателя

Монтаж левой опоры двигателя

1 Ввести опору двигателя в предназначенное для нее крепление.

2 Ввести направляющую цапфу опоры двигателя в предназначенный для нее паз таким образом, чтобы она более не могла выйти.

3 Нажать на опору двигателя снизу и затянуть крепежную гайку опоры двигателя arrow_forwardсоединительный элемент.

4 Вставить экран.

5 Вставить и затянуть четыре крепежных винта экрана.

Монтаж правой опоры двигателя

1 Ввести опору двигателя в предназначенное для нее крепление.

2 Ввести направляющую цапфу опоры двигателя в предназначенный для нее паз таким образом, чтобы она более не могла выйти.

3 Нажать на опору двигателя снизу и затянуть крепежную гайку опоры двигателя (использовать открытый накидной ключ размером 18).

4 Вставить экран.

5 Вставить и затянуть три крепежных винта экрана.

6 Повернуть винт-барашек приспособления для вывешивания вправо и поднять двигатель в первоначальное положение.

7 Смонтировать массовый провода двигателя на балке рамы справа спереди (доступен через правую колесную нишу). Момент затяжки 10 Nm

8 Снова установить предкатализатор с правой стороны.

Дополнительные работы

1 Установить балку передней оси.
Миниатюры:
Нажмите на изображение для увеличения
Название: Левая консоль навесных агрегатов и опора двигателя 4.jpg
Просмотров: 771
Размер:	56.0 Кб
ID:	18819   Нажмите на изображение для увеличения
Название: Массовый провод.jpg
Просмотров: 738
Размер:	43.3 Кб
ID:	18820   Нажмите на изображение для увеличения
Название: Приспособление для вывешивания двигателя.jpg
Просмотров: 724
Размер:	71.6 Кб
ID:	18821   Нажмите на изображение для увеличения
Название: Крепежные винты экрана.jpg
Просмотров: 752
Размер:	84.0 Кб
ID:	18822   Нажмите на изображение для увеличения
Название: Извлечение экрана.jpg
Просмотров: 771
Размер:	70.4 Кб
ID:	18823  

Нажмите на изображение для увеличения
Название: Снятие опор двигателя.jpg
Просмотров: 762
Размер:	53.6 Кб
ID:	18824   Нажмите на изображение для увеличения
Название: Извлечение опоры двигателя.jpg
Просмотров: 722
Размер:	59.6 Кб
ID:	18825   Нажмите на изображение для увеличения
Название: Винты экрана (на рисунке показан предкатализатор в д.jpg
Просмотров: 725
Размер:	64.3 Кб
ID:	18826   Нажмите на изображение для увеличения
Название: Извлечение экрана..jpg
Просмотров: 752
Размер:	72.8 Кб
ID:	18827   Нажмите на изображение для увеличения
Название: Снятие опор двигателя..jpg
Просмотров: 734
Размер:	63.9 Кб
ID:	18828  

Нажмите на изображение для увеличения
Название: Извлечение опоры двигателя...jpg
Просмотров: 750
Размер:	58.8 Кб
ID:	18829   Нажмите на изображение для увеличения
Название: Направляющая цапфа.jpg
Просмотров: 705
Размер:	42.9 Кб
ID:	18830   Нажмите на изображение для увеличения
Название: Установка экрана.jpg
Просмотров: 750
Размер:	77.7 Кб
ID:	18831   Нажмите на изображение для увеличения
Название: Направляющая цапфа...jpg
Просмотров: 712
Размер:	42.7 Кб
ID:	18832   Нажмите на изображение для увеличения
Название: Установка экрана...jpg
Просмотров: 733
Размер:	68.9 Кб
ID:	18833  

Нажмите на изображение для увеличения
Название: Приспособление для вывешивания двигателя...jpg
Просмотров: 741
Размер:	71.7 Кб
ID:	18834  
19.12.2018, 20:48   #2
sergey666
Владимир,добрый вечер. Не могли бы вы подсказать по первому пункту- "1.Снять предкатализатор с правой стороны"
Это получается предкатализатор демонтируется со стороны пассажира?
19.12.2018, 22:04   #3
Владимир Маркин
Аватар для Владимир Маркин
Сообщение от sergey666 Посмотреть сообщение
Владимир,добрый вечер.
Добрый вечер!

Сообщение от sergey666 Посмотреть сообщение
Не могли бы вы подсказать по первому пункту- "1.Снять предкатализатор с правой стороны"
Это получается предкатализатор демонтируется со стороны пассажира?
Верно. Направление для ориентирования всегда по ходу движения автомобиля.

Метки
turbo, двигатель, демонтаж, монтаж, опор, предкатализатор, сторона



Левый уголок Похожие темы Правый уголок
Тема Автор Раздел Ответов Последнее сообщение
[9PA1] Демонтаж и монтаж коленвала двигателя 4,8 л DFI Владимир Маркин Двигатель 3 17.07.2017 20:37
[9PA1] Демонтаж и монтаж форсунок (цилиндры 1-3) двигателя 3,0 л дизель Владимир Маркин Система питания 0 28.02.2017 20:14
[9PA1] Демонтаж и монтаж масляного насоса двигателя V6 DFI Владимир Маркин Двигатель 0 31.01.2017 21:27
[9PA1] Демонтаж и монтаж поршней двигателя 4,8 л DFI Владимир Маркин Двигатель 0 28.07.2016 14:59
[9PA1] Демонтаж и монтаж датчика давления масла двигателя 4,8 л DFI Владимир Маркин Двигатель 0 30.11.2015 20:09



Powered by vBulletin® Version 3.8.7
Copyright ©2000 - 2025, vBulletin Solutions, Inc. Перевод: zCarot
Все права на материалы, находящиеся на сайте, охраняются в соответствии с законодательством РФ.
При любом использовании материалов сайта, письменное согласие обязательно.
Торговые марки, логотипы и марки услуг, размещенные на данном сайте, являются собственностью их владельцев.
CayService.ru не связан с Porsche AG или PCNA. ©2025 CayService.ru. Все права защищены.
Яндекс.Метрика