Правила форума Clear

92A производство 2011>>2018 (K;L) Cayenne V6 Hybrid 92A 2010г - Страница 2

13.11.2018, 11:02   #11
zelimx
Сообщение от Владимир Маркин Посмотреть сообщение
Ну хорошо. Тогда по магистрали проверить куда шланги идут и найдете сам насос.
Владимир,
вы допускаете что он может находится в салоне где то под торпеда?
13.11.2018, 11:22   #12
Владимир Маркин
Аватар для Владимир Маркин
Сообщение от zelimx Посмотреть сообщение
вы допускаете что он может находится в салоне где то под торпеда?
Нет конечно. Что он там будет делать?
Он установлен именно там где написано ранее и больше нигде не ставился.
13.11.2018, 12:27   #13
zelimx
Сообщение от Владимир Маркин Посмотреть сообщение
Нет конечно. Что он там будет делать?
Он установлен именно там где написано ранее и больше нигде не ставился.
Всё посмотрел в моторном отсеке,
насос (как вы показали на фото) охлаждающей жидкости интеркулера стоить,
а второй электрический насос охлаждающей жидкости не могу увидеть, ошибка на обрив идет именно от него.
13.11.2018, 14:10   #14
Владимир Маркин
Аватар для Владимир Маркин
Сообщение от zelimx Посмотреть сообщение
Всё посмотрел в моторном отсеке,
насос (как вы показали на фото) охлаждающей жидкости интеркулера стоить,
а второй электрический насос охлаждающей жидкости не могу увидеть, ошибка на обрив идет именно от него.
У нас два дополнительных насоса ОЖ установлено.
Один насос на низкотемпературный контур, второй на высокотемпературный контур.
Насосы одинаковые визуально, но установлены в разных местах моторного отсека.
Миниатюры:
Нажмите на изображение для увеличения
Название: Обзор системы в целом с высоко- и низкотемпературным.png
Просмотров: 164
Размер:	519.5 Кб
ID:	18860  
13.11.2018, 14:44   #15
Владимир Маркин
Аватар для Владимир Маркин
Сообщение от Владимир Маркин Посмотреть сообщение
Один насос на низкотемпературный контур
https://forum.cayservice.ru/showthre...954#post121954

Сообщение от Владимир Маркин Посмотреть сообщение
второй на высокотемпературный контур
Описан в этой теме выше
13.11.2018, 15:10   #16
Владимир Маркин
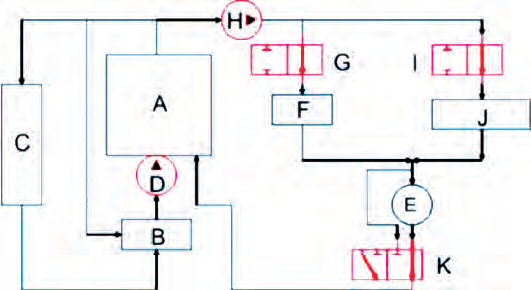
Аватар для Владимир Маркин
Высокотемпературный контур (для охлаждения двигателя)

A двигатель

B термостат

C высокотемпературный радиатор

D главный водяной насос (переключаемый/с резервуаром)

E электроустановка

F радиатор трансмиссионного масла

G запорный клапан коробки передач

H дополнительный водяной насос

I запорный клапан отопителя

J теплообменник отопителя

K байпасная заслонка электроустановки

Система охлаждения, как часть системы управления температурой, имеет 2 контура, которые регулируются в зависимости от температуры охлаждающей жидкости. В Cayenne S Hybrid это осуществляется с помощью отключаемого термостата с электрическим приводом и управлением по параметрической характеристике.
Миниатюры:
Нажмите на изображение для увеличения
Название: Высокотемпературный контур.png
Просмотров: 119
Размер:	160.8 Кб
ID:	18863  
13.11.2018, 15:15   #17
Владимир Маркин
Аватар для Владимир Маркин
Низкотемпературный контур (для силового электронного блока и охлаждения наддувочного воздуха)

A силовой электронный блок

B интеркулер

C низкотемпературный радиатор (макс. 60°)

D дополнительный водяной насос

E термостат со шлангом

Низкотемпературный контур отвечает за регулировку температуры интеркулеров и силового электронного блока.
Миниатюры:
Нажмите на изображение для увеличения
Название: Низкотемпературный контур.png
Просмотров: 96
Размер:	123.4 Кб
ID:	18864  
13.11.2018, 15:49   #18
zelimx
Сообщение от Владимир Маркин Посмотреть сообщение
Низкотемпературный контур (для силового электронного блока и охлаждения наддувочного воздуха)

A силовой электронный блок

B интеркулер

C низкотемпературный радиатор (макс. 60°)

D дополнительный водяной насос

E термостат со шлангом

Низкотемпературный контур отвечает за регулировку температуры интеркулеров и силового электронного блока.
Спасибо Владимир,
Вечером буду двигаться дальше, пройдусь по шлангам,
13.11.2018, 15:54   #19
Владимир Маркин
Аватар для Владимир Маркин
Сообщение от zelimx Посмотреть сообщение
Спасибо Владимир,
Вечером буду двигаться дальше, пройдусь по шлангам,
Завтра приедет к нам Гибрид, сделаю живые фото
13.11.2018, 16:04   #20
zelimx
Сообщение от Владимир Маркин Посмотреть сообщение
Завтра приедет к нам Гибрид, сделаю живые фото
Благодарю за человеческое желание помочь,

Может насос можно временно заблокировать софтом чтоб чек не горел?

Метки
cayenne, hybrid, блок, водяной, высокотемпературный, жидкость, запорный, интеркулер, клапан, контур, насос, насоса ож, низкотемпературный, основный, отопитель, охлаждать, радиатор, силовой, течь, установить, электронный, электроустановка



Левый уголок Похожие темы Правый уголок
Тема Автор Раздел Ответов Последнее сообщение
[92A] Cayenne Hybrid не заводится Tsemkov Трансмиссия, АКПП, МКПП 71 30.08.2023 22:14
Cayenne S Hybrid а стоит ли? LMaks Выбираем Porsche 14 30.01.2019 10:10
[92A] Проблема Cayenne Hybrid Artemkgd Трансмиссия, АКПП, МКПП 10 25.04.2018 21:40
[92A] CAYENNE V6 HYBRID mike-evtex Двигатель 1 19.04.2017 16:55
[92A] Cayenne S Hybrid Дополнительная инструкция по эксплуатации Владимир Маркин Автомобиль в целом - общая информация 0 26.11.2016 20:00



Powered by vBulletin® Version 3.8.7
Copyright ©2000 - 2025, vBulletin Solutions, Inc. Перевод: zCarot
Все права на материалы, находящиеся на сайте, охраняются в соответствии с законодательством РФ.
При любом использовании материалов сайта, письменное согласие обязательно.
Торговые марки, логотипы и марки услуг, размещенные на данном сайте, являются собственностью их владельцев.
CayService.ru не связан с Porsche AG или PCNA. ©2025 CayService.ru. Все права защищены.
Яндекс.Метрика