Правила форума Clear

9YA производство 2018>>2024 (D) U10C700 Шина LIN 2, нет связи (0090AA)

15.05.2023, 20:44   #1
Владимир Маркин
Аватар для Владимир Маркин
Шина данных LIN 2, нет связи (U10C700)

Условия диагностики
Зажигание включено
Отсутствуют неисправности электропитания в блоке управления системы регулирования температуры

Условия регистрации неисправности
По шине данных LIN 2 (контакт A103) можно отправлять сообщения, но все принимаемые сообщения отсутствуют.

Проявления неисправности
Электрический отопитель салона не работает
Расширительный клапан испарителя низкотемпературного контура (EXV1) не работает
Ходовой клапан высокотемпературного контура WMV1 не работает
15.05.2023, 20:45   #2
Владимир Маркин
Аватар для Владимир Маркин
Информация о компонентах и системах

В колесной арке под крылом спереди справа

1 Блок управления системы регулирования температуры
Миниатюры:
Нажмите на изображение для увеличения
Название: В колесной арке под крылом спереди справа.jpg
Просмотров: 309
Размер:	27.9 Кб
ID:	66675  
15.05.2023, 20:46   #3
Владимир Маркин
Аватар для Владимир Маркин
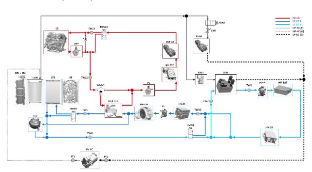
Действительно для: Cayenne E-Hybrid, начиная с 2018 модельного года

Система регулирования температуры

HT-CC Высокотемпературный контур
CE Двигатель внутреннего сгорания
P4 Дополнительный насос ОЖ высокотемпературного контура (для отопления салона) (* только R4-цилиндровый двигатель)
TW11 Датчик температуры высокотемпературного контура (перед ходовым клапаном WMV1)
WMV1 Ходовой клапан высокотемпературного контура (перед насосом P5)
HT/LT HE Теплообменник высоко-/низкотемпературного контура
P5 Дополнительный насос ОЖ высокотемпературного контура (для отопления салона)
ВВ ПОЗИСТОР Электрический отопитель салона
INT HE Теплообменник системы отопления салона
UVW3 Переключающий клапан высокотемпературного контура (для отопления салона)
TW12 Датчик температуры высокотемпературного контура (обратная линия к двигателю внутреннего сгорания)
LT-CC 1 Низкотемпературный контур 1
RFL+SM Заслонки ОЖ по центру сверху с серводвигателем
LTR Радиатор низкотемпературного контура
LS2 Расширительный бачок низкотемпературного контура (включая датчик индикатора уровня ОЖ)
TW6 Датчик температуры низкотемпературного контура (после радиатора)
UVW1 Переключающий клапан низкотемпературного контура (перед охладителем)
TW10 Датчик температуры низкотемпературного контура (перед высоковольтной силовой электроникой)
HV-PE Высоковольтная силовая электроника
P1 Дополнительный насос ОЖ низкотемпературного контура системы охлаждения
HV-EM Высоковольтный электродвигатель
HT/LT HE Теплообменник высоко-/низкотемпературного контура
TW5 Датчик температуры низкотемпературного контура (перед переключающим клапаном UVW2)
UVW2 Переключающий клапан низкотемпературного контура (перед радиатором)
LT-CC 2 Низкотемпературный контур 2
TW7 Датчик температуры низкотемпературного контура (перед охладителем)
ОХЛ Испаритель низкотемпературного контура (охладитель)
TW8 Датчик температуры низкотемпературного контура (после охладителя)
P2 Дополнительный насос ОЖ низкотемпературного контура (**подключен к блоку управления высоковольтной АКБ)
HV-BAT Высоковольтная АКБ
HV-CH Высоковольтное зарядное устройство
HP-RC/LP-RC Контур системы кондиционирования
LP-RC (G) Контур циркуляции хладагента низкого давления (газообразный)
HP-RC (F) Контур циркуляции хладагента высокого давления (жидкий)
HP-RC (G) Контур циркуляции хладагента высокого давления (газообразный)
HV-CC Электрический компрессор системы кондиционирования
PT1 Датчик контура циркуляции хладагента на стороне высокого давления (давление и температура)
CON Конденсатор
RF Вентилятор радиатора
AVK8 Запорный клапан контура циркуляции хладагента (перед испарителем салона)
EXV Расширительный клапан испарителя салона (только механический)
EVAP Испаритель салона
EXV1 Расширительный клапан испарителя низкотемпературного контура (перед охладителем)
ОХЛ Испаритель низкотемпературного контура (охладитель)
PT2 Датчик контура циркуляции хладагента на стороне низкого давления (давление и температура)
Миниатюры:
Нажмите на изображение для увеличения
Название: Система регулирования температуры.jpg
Просмотров: 286
Размер:	44.1 Кб
ID:	66676  

Метки
контур, неисправность, низкотемпературный, работать, связь, система, шина



Левый уголок Похожие темы Правый уголок
Тема Автор Раздел Ответов Последнее сообщение
[9YA] Шина данных FlexRay2 Nikolai78russ Электрооборудование 3 07.06.2022 21:44
[9PA] Световоды – шина MOST Владимир Маркин Электрооборудование 6 06.08.2019 22:48
[95B] 008235 Связь сервопривода, шина LIN 1 Владимир Маркин Система кондиционирования 0 17.04.2019 22:25
[9PA] Руководство по диагностике / шина данных CAN Владимир Маркин Электрооборудование 0 22.02.2019 21:55
[9PA] Шина 295/30 R22 Nokian Hakkapelita 5 шипы Tokyomotors Колёса, шины 0 10.11.2017 13:34



Powered by vBulletin® Version 3.8.7
Copyright ©2000 - 2025, vBulletin Solutions, Inc. Перевод: zCarot
Все права на материалы, находящиеся на сайте, охраняются в соответствии с законодательством РФ.
При любом использовании материалов сайта, письменное согласие обязательно.
Торговые марки, логотипы и марки услуг, размещенные на данном сайте, являются собственностью их владельцев.
CayService.ru не связан с Porsche AG или PCNA. ©2025 CayService.ru. Все права защищены.
Яндекс.Метрика