Правила форума Clear

9PA производство 2003>>2006 (L) Демонтаж и монтаж впускного коллектора 9PA V6

15.06.2015, 14:40   #1
Владимир Маркин
Аватар для Владимир Маркин
Демонтаж и монтаж впускного коллектора (воздухораспределителя) 9PA V6

Предварительные работы
1. Крышку капота с помощью упора крышки 9704 привести в сервисное положение.
2. Отключить АКБ.
3. Укрыть компоненты защитными накладками.
4. Извлечь декоративную обшивку вертикально вверх.
5. Снять облицовку моторного отсека.
6. Снять соединительную трубу от воздушного фильтра к двигателю. Для этого снять хомут шланга на двигателе, отсоединить электрический разъем на HFM и выкрутить два болта на крышке воздушного фильтра -стрелки- .
7. Отсоединить вакуумную магистраль на патрубке дроссельной заслонки от соединительной трубы. Затем извлечь впускной коллектор из моторного отсека.
8. Демонтировать крышку корпуса воздушного фильтра, для этого ослабить скобы -Pfeile- и снять крышку.
9. Отсоединить от жгута проводки 6 катушек зажигания. Для этого слегка отжать разъемы вниз -стрелка A- , с помощью подходящего вспомогательного приспособления (например, изогнутый кусок проволоки) разблокировать -стрелка B- и отсоединить -стрелка C- .

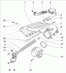
Обзор: компоненты
Обзор: компоненты, впускной модуль
1 - Распределитель впускного воздуха
2 - Вентиляция картерных газов для ГБЦ
3 - Сальник; заменить
4 - Клапан вентиляции картерных газов
5 - Болты крепления крышки подшипника
6 - Крышка подшипника переключающего валика
7 - Крепежный болт M8
8 - Присоединение вакуумпровода усилителя тормозной системы
9 - Присоединение вакуумпровода
10 - Присоединение вакуумпровода системы впуска дополнительного воздуха
11 - Присоединение вакуумпровода для электромагн. клапана абсорбера с актив. углем
12 - Крепежный болт M8
13 - Блок ДЗ
14 - Крепежный болт M6
15 - Вакуумный исполнительный элемент системы изменения геометрии впускного коллектора
16 - Присоединение вакуумпровода к переключающему клапану впускного коллектора
17 - Крепежный болт
18 - Рабочий рычаг переключающего валика
19 - Переключающий валик
20 - Уплотнение распределителя впускного воздуха; следить за правильностью установки
21 - Установочная втулка для фиксирования уплотнения; при замене уплотнения установочные втулки следует вставить в уплотнение
22 - Крепежный винт M7 x 40 распределителя впускного воздуха

Демонтаж воздухораспределителя
1. Отсоединить жгут проводов слева и справа на распределителе впускного воздуха. Для этого маленькой отверткой осторожно снять зажимы -стрелки- и освободить провода.
2. Отсоединить кабельный разъем на серводвигателе дроссельной заслонки и извлечь кабель из зажима -стрелки- .
3. Отсоединить разъем вентиляции картера двигателя на крышке ГБЦ -1-.
4. Надавить на пластиковый хомут на штуцере и снять магистрали-3 и 4-.
5. Выкрутить винт крепления вакумного резервуара (M6 x 20 с внутр. шест.) -2- и снять вакуумный резервуар.
6. Снять кабельный разъем на вакуумном штуцере распределителя впускного воздуха -стрелки- .
7. Надавить на пластиковый хомут на вакуумном штуцере и снять магистрали -стрелки- .
8. Отложить пластиковые магистрали в сторону.
9. Выкрутить со стороны выпуска ОГ 3 винта M8 с внутр. шест. -стрелки- (2 сбоку и один в ценре на теплозащитном щитке).
10. Со стороны впуска снять вакуумную трубку с вакуумного резервуара. Для этого нажать на хомут.
11. Открутить 2 гайки M6 -1 и 2- кронштейна вакуумного модуля. Извлечь масляный щуп, снять вакуумный модуль с резиновых опор и отложить в сторону.

информация
При выкручивании винтов крепления распределителя впускного воздуха может очень помочь зеркало.

12. Выкрутить все 9 винтов крепления M7 x 40 с внутренним шестигранником со стороны впуска из распределителя впускного воздуха.
13. Распределитель впускного воздуха сначала приподнять со стороны выпуска ОГ, а затем извлечь со стороны впуска.
14. Заткнуть отверстия ГБЦ ветошью, чтобы туда не попали посторонние предметы.
15. Снять прокладку распределителя впускного воздуха, для этого извлечь ее из установочных втулок.

Монтаж воздухораспределителя

информация
Необходимо всегда заменять прокладку распределителя впускного воздуха.

1. Очистить уплотнительные поверхности и вставить новую прокладку в распределитель впускного воздуха. При этом следить за тем, чтобы установочные втулки винтов крепления сидели в прокладке корректно.

информация
Следить за тем, чтобы вакуумный модуль и труба масляного щупа не мешали установке распределителя впускного воздуха.

2. Сначала приставить распределитель впускного воздуха со стороны впуска, а затем вставить со стороны выпуска ОГ.
3. Вкрутить все 9 винтов крепления M7 x 40 с внутренним шестигранником со стороны впуска в распределитель впускного воздуха. Следить за тем, чтобы все отверстия для винтов корректно располагались перед своими точками крепления и никакие элементы не были защемлены (например, магистрали).
4. Затянуть все 9 винтов M7 x 40 с внутренним шестигранником со стороны впуска. → момент затяжки: 13 Nm
5. Установить вакуумный модуль в резиновые опоры. Вставить трубу масляного щупа в отверстие картера двигателя, при этом следить за тем, чтобы уплотнительное кольцо трубы корректно располагалось в отверстии. Вставить масляный щуп. Привести трубу масляного щупа в монтажное положение и вкрутить 2 гайки M6 -1 и 2- в кронштейн вакуумного модуля. → момент затяжки: 10 Nm
6. Со стороны впуска вставить вакуумную трубку в вакуумный резервуар.
7. Вкрутить со стороны выпуска ОГ 3 винта M8 с внутр. шест. -стрелки- (2 сбоку и один в ценре на теплозащитном щитке). → момент затяжки: 23 Nm
8. Предварительно проложить вакуумные трубки и привести их в монтажное положение.
9. Установить пластиковый хомут вакуумных трубок на штуцер распределителя впускного воздуха -стрелки- .
10. Подключить кабельный разъем на штуцере распределителя впускного воздуха -стрелки- .
11. Подключить разъем вентиляции картера двигателя на ГБЦ -1- .
12. Надавить на пластиковый хомут на штуцере и установить магистрали -3 и 4- .
13. Привести вакуумный резервуар в монтажное положение и закрутить винты крепления вакуумного резервуара (M6 x 20 с внутр. шест.) -2- с усилием 10 Нм. → момент затяжки: 10 Nm
14. Установить кабельный разъем и кабель на серводвигателе дроссельной заслонки -стрелки- .
15. Установить жгут проводов слева и справа на распределителе впускного воздуха. Для этого закрепить зажимы -стрелки- .

Дополнительные работы
Дополнительные работы, монтаж распределителя впускного воздуха

1. Снова подключить разъемы к катушкам зажигания.
2. Установить крышку корпуса воздушного фильтра, для этого зафиксировать скобы -стрелки- .
3. Установить соединительный патрубок между воздушным фильтром и двигателем. Для этого закрепить шланговый хомут на двигателе, подключить электроразъем на расходомере воздуха и вкрутить два болта крепления на крышке воздушного фильтра -стрелки- .
4. Затем привести впускную трубу в монтажное положение. Установить вакуумный канал на патрубке дроссельной заслонки на соединительную трубу.
5. Снова установить декоративную накладку на шаровые головки.
6. Установить облицовки моторного отсека.
7. Снять защитные накладки, подсоединить АКБ и закрепить крышку.
Миниатюры:
Нажмите на изображение для увеличения
Название: 9704.gif
Просмотров: 2230
Размер:	2.2 Кб
ID:	10961   Нажмите на изображение для увеличения
Название: 10830014.gif
Просмотров: 2273
Размер:	29.3 Кб
ID:	10962   Нажмите на изображение для увеличения
Название: 10010271.gif
Просмотров: 2236
Размер:	36.1 Кб
ID:	10963   Нажмите на изображение для увеличения
Название: 24350015.gif
Просмотров: 2240
Размер:	33.9 Кб
ID:	10964   Нажмите на изображение для увеличения
Название: 24240015.gif
Просмотров: 2322
Размер:	30.0 Кб
ID:	10965  

Нажмите на изображение для увеличения
Название: 97520135.gif
Просмотров: 2278
Размер:	32.4 Кб
ID:	10966   Нажмите на изображение для увеличения
Название: 24460058.gif
Просмотров: 2350
Размер:	29.5 Кб
ID:	10967   Нажмите на изображение для увеличения
Название: 24460066.gif
Просмотров: 2223
Размер:	22.3 Кб
ID:	10968   Нажмите на изображение для увеличения
Название: 24460069.gif
Просмотров: 2198
Размер:	35.0 Кб
ID:	10969   Нажмите на изображение для увеличения
Название: 15910013.gif
Просмотров: 2222
Размер:	30.2 Кб
ID:	10970  

Нажмите на изображение для увеличения
Название: 24460071.gif
Просмотров: 2152
Размер:	23.6 Кб
ID:	10971   Нажмите на изображение для увеличения
Название: 24460070.gif
Просмотров: 2261
Размер:	24.1 Кб
ID:	10972   Нажмите на изображение для увеличения
Название: 24460068.gif
Просмотров: 2192
Размер:	22.2 Кб
ID:	10973   Нажмите на изображение для увеличения
Название: 24460067.gif
Просмотров: 2221
Размер:	22.4 Кб
ID:	10974   Нажмите на изображение для увеличения
Название: 24460059.gif
Просмотров: 2163
Размер:	33.6 Кб
ID:	10975  

Нажмите на изображение для увеличения
Название: 24460072.gif
Просмотров: 2266
Размер:	19.4 Кб
ID:	10976  
02.11.2018, 03:12   #2
Дима178
Здравствуйте Владимир,а про м 55.02 есть такая же у вас познавательноя информация?
02.11.2018, 18:12   #3
Владимир Маркин
Аватар для Владимир Маркин
Сообщение от Дима178 Посмотреть сообщение
Здравствуйте Владимир
Добрый вечер!

Сообщение от Дима178 Посмотреть сообщение
а про м 55.02 есть такая же у вас познавательноя информация?
https://forum.cayservice.ru/showthre...699#post121699
03.11.2018, 00:25   #4
Дима178
Владимир ,большое вам ......человеческое спасибо!

Метки
впускной, демонтаж



Левый уголок Похожие темы Правый уголок
Тема Автор Раздел Ответов Последнее сообщение
[9PA1] Демонтаж и монтаж стартера 9PA V8 Владимир Маркин Система питания 27 21.01.2020 11:00
[92A] Демонтаж и монтаж переднего бампера 958 (E2) Владимир Маркин Внешнее оснащение кузова 11 21.09.2019 11:33
[9PA] Демонтаж и монтаж термостата 9PA V6 Владимир Маркин Двигатель 0 15.06.2015 13:47
[9PA] Демонтаж/монтаж цепи ГРМ (9PA) 4.5 Владимир Маркин Двигатель 1 14.02.2015 14:35
[9PA] Демонтаж и монтаж натяжителя цепи 4.5 V8 Владимир Маркин Двигатель 0 09.01.2015 21:38



Powered by vBulletin® Version 3.8.7
Copyright ©2000 - 2025, vBulletin Solutions, Inc. Перевод: zCarot
Все права на материалы, находящиеся на сайте, охраняются в соответствии с законодательством РФ.
При любом использовании материалов сайта, письменное согласие обязательно.
Торговые марки, логотипы и марки услуг, размещенные на данном сайте, являются собственностью их владельцев.
CayService.ru не связан с Porsche AG или PCNA. ©2025 CayService.ru. Все права защищены.
Яндекс.Метрика