Сообщение от
Cheezhman90
Требуется ли замена натяжителя цепи.
На свое усмотрение.
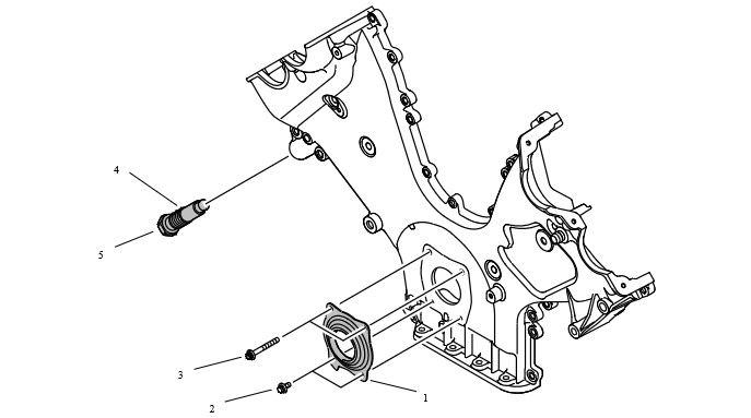
При снятии натяжителя цепи заменить алюминиевое уплотнительное кольцо.
Натяжитель цепи выполнен из алюминия. Проверить резьбу на наличие видимых повреждений. В случае небольшого износа очистить резьбу/заменить натяжитель.
4 - Натяжитель цепи
5 - Уплотнение