Правила форума Clear

986 производство 1997>>2004 (S;U) Реле мотора крыши кабриолета BOXSTER S (986320), 2003

18.03.2020, 17:41   #1
GF Tech Greece
Здравствуйте,подскажите пожалуйста какой реле отвечает за поток тока к моторчику крыши кабрио и его его местоположение.
18.03.2020, 22:14   #2
Владимир Маркин
Аватар для Владимир Маркин
Сообщение от GF Tech Greece Посмотреть сообщение
Здравствуйте
Добрый день!

Сообщение от GF Tech Greece Посмотреть сообщение
подскажите пожалуйста какой реле отвечает за поток тока к моторчику крыши кабрио и его его местоположение.
Лучше сразу VIN. Так быстрее будет
19.03.2020, 11:31   #3
GF Tech Greece
Доброго утра!
WPOZZZ98Z3U643074
Спасибо.
19.03.2020, 19:01   #4
Владимир Маркин
Аватар для Владимир Маркин
Сообщение от GF Tech Greece Посмотреть сообщение
Доброго утра!
Добрый день!

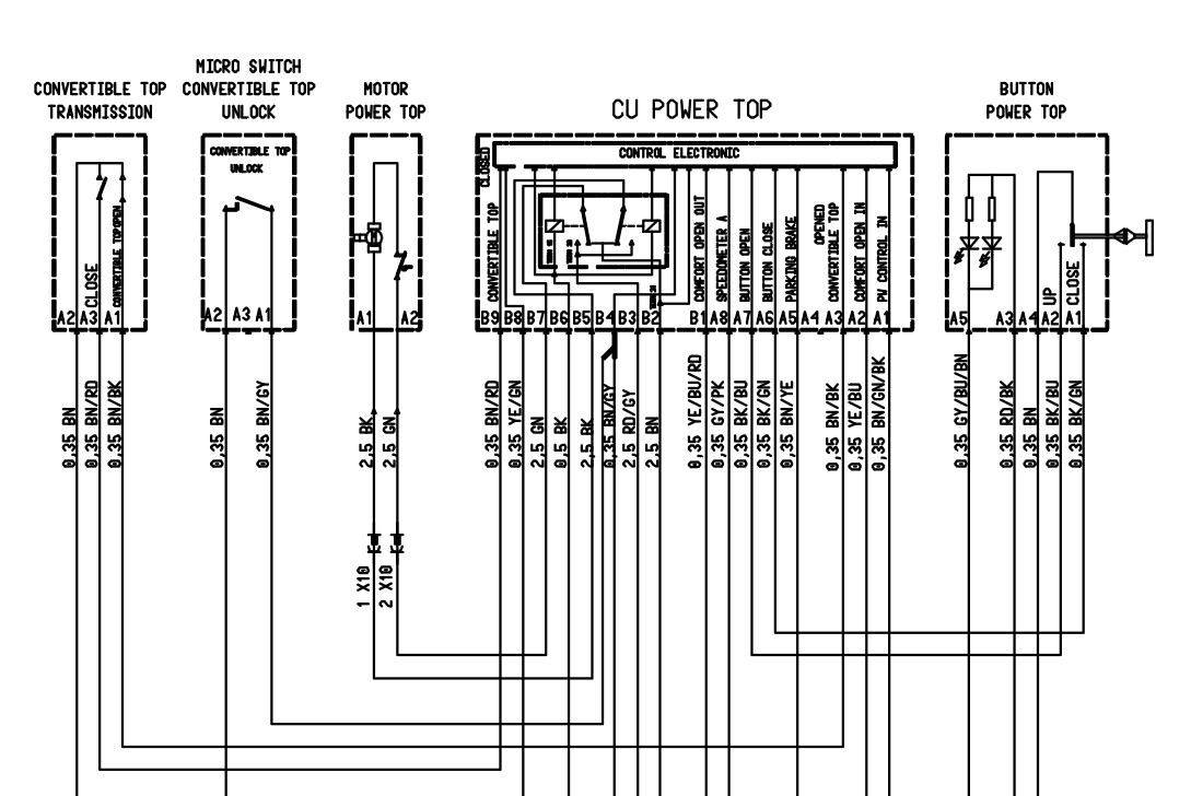
S14/15
98661819900 реле привода складной крыши
Миниатюры:
Нажмите на изображение для увеличения
Название: Схема привода крыши.jpg
Просмотров: 110
Размер:	152.2 Кб
ID:	28843   Нажмите на изображение для увеличения
Название: Реле крыши.jpg
Просмотров: 95
Размер:	41.8 Кб
ID:	28844   Нажмите на изображение для увеличения
Название: Блок реле.jpg
Просмотров: 110
Размер:	208.4 Кб
ID:	28845   Нажмите на изображение для увеличения
Название: 1.jpg
Просмотров: 106
Размер:	226.8 Кб
ID:	28846   Нажмите на изображение для увеличения
Название: 2.jpg
Просмотров: 108
Размер:	202.8 Кб
ID:	28847  

Нажмите на изображение для увеличения
Название: Реле крыши_.jpg
Просмотров: 105
Размер:	30.9 Кб
ID:	28848  

Метки
boxter, кабриолет, крыша, мотор, реле



Левый уголок Похожие темы Правый уголок
Тема Автор Раздел Ответов Последнее сообщение
[9PA] Демонтаж и монтаж реле омывателя фар Владимир Маркин Электрооборудование 13 21.03.2019 10:27
[9PA1] Как добраться до реле компрессора на 957 каене? Shebok Вопросы специалистам 9 17.05.2018 22:22
[9PA] Главное реле DME Чили Электрооборудование 3 26.06.2017 15:18
Гул при работе мотора mixasi Двигатель 15 05.06.2015 23:59
Послушайте звук мотора - все ли ОК? Sibatlet Двигатель 3 20.02.2012 12:51



Powered by vBulletin® Version 3.8.7
Copyright ©2000 - 2025, vBulletin Solutions, Inc. Перевод: zCarot
Все права на материалы, находящиеся на сайте, охраняются в соответствии с законодательством РФ.
При любом использовании материалов сайта, письменное согласие обязательно.
Торговые марки, логотипы и марки услуг, размещенные на данном сайте, являются собственностью их владельцев.
CayService.ru не связан с Porsche AG или PCNA. ©2025 CayService.ru. Все права защищены.
Яндекс.Метрика