Правила форума Clear

9PA производство 2003>>2006 (L) Код неисправности P0841

13.11.2020, 11:53   #1
Владимир Маркин
Аватар для Владимир Маркин
Датчик давления масла 1 коробки передач [Датчик давления масла КП/цепь переключателя A - сигнал за пределами допустимого диапазона]

Информация

Чтобы на комбинированном приборе отобразилось сообщение о неисправности, необходимо выключить и снова включить зажигание.

В - тестере систем Porsche ll в меню фактические значения можно проверить состояние переключения коробки передач, а также фактические значения переключающих электромагнитных клапанов и датчиков.

Условия диагностики

Информация

Требуется, чтобы уровень жидкости в коробке передач соответствовал норме и был залит предписанный тип жидкости ATF. Фильтр ATF и радиатор не засорены.

Следующие условия выполнены не менее чем на 0,5 секунды:

Напряжение более 10,2 В и ниже 15,5 В

Зажигание вкл.

Блок управления Tiptronic, внутренняя функциональная проверка завершена

Ход двигателя без сбоев, число оборотов > 400 об/мин

Температура жидкости ATF ≥ 20°C

Типы неисправностей "обрыв в цепи" / "короткое замыкание на плюс" устанавливаются после 12-кратного наступления следующих условий:

Положение селектора D, включенная передача: 1, 2, 3 или 4

Сигнал датчика давления масла 1 ВЫКЛ. продолжается более 1 секунды.

Давление в трубопроводах ≥ 6 бар

Тип неисправности "короткое замыкание на массу" устанавливается после 12-кратного наступления следующих условий:

Положение селектора P, R, N

Сигнал датчика давления масла 1 ВКЛ. продолжается более 1 секунды.
13.11.2020, 11:54   #2
Владимир Маркин
Аватар для Владимир Маркин
Возможные причины неисправности

Информация

Последующая диагностика/поиск неисправностей согласуется с видом неисправности, который отображается на тестере (соблюдать нумерацию видов неисправностей 1, 2,... и т. д.!). С помощью кнопки F8 на - тестере систем Porsche ll в расширенной памяти неисправностей можно считать вид неисправности.

1.) Короткое замыкание на плюс/разрыв электроцепи нет сигнала датчика давления масла 1
2.) Короткое замыкание на массу продолжительность сигнала датчика давления масла 1

Соответствующий контакт

Штекер блока управления Tiptronic:

Контакт 24 датчика давления масла 1 коробки передач, штекер предварительной кабельной разводки коробки передач, контакт B7
13.11.2020, 11:55   #3
Владимир Маркин
Аватар для Владимир Маркин
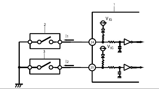
Диагностика/поиск неисправностей G 0210

1 Блок управления Tiptronic

2 Датчик давления масла 1 коробки передач

3 Датчик давления масла 2 коробки передач

24 Контакт (24)

25 Контакт (25)

I1 Прохождение тока датчика давления масла 1

I2 Прохождение тока датчика давления масла 2

VIG Рабочее напряжение

Данные для датчика давления масла 2 коробки передач

Потребление тока макс.: 10 мА при рабочем напряжении (VIG) 16,5 В
Миниатюры:
Нажмите на изображение для увеличения
Название: Fehlersuche.jpg
Просмотров: 1093
Размер:	21.3 Кб
ID:	37139  
13.11.2020, 12:04   #4
Владимир Маркин
Аватар для Владимир Маркин
Информация

Визуальная проверка: В ходе проведения последующего поиска неисправностей предварительно необходимо убедиться в том, что у соответствующих контактов штекерного соединения блока управления Tiptronic и контактов штекерного соединения предварительной кабельной разводки коробки передач нет ни повреждений, ни окисления. Удалить загрязнение, коррозию/окисление. Заменить поврежденные компоненты/проводку.

Информация

Замена блоков управления: Перед заменой блока управления Tiptronic следует проверить соединения с массой, электропитание, а также исправность штекерных соединений блока управления. Необходимо следить за кодировкой блока управления. После контрольной поездки заново считайте память неисправностей при помощи - тестера систем Porsche ll. Необходимо распознать и устранить дополнительные источники неисправности, которые могут стать причиной повреждения блока управления Tiptronic.

Опасно

Опасность получения ожога от горячей жидкости ATF! Контакт кожи или одежды с горячей жидкостью ATF может стать причиной ожогов!
Всегда сливать жидкость ATF в холодном состоянии!
Использовать специальную защитную одежду!
Использовать специальные улавливающие емкости!

Метки
давление, датчик, коробка, масло, неисправность, передача, переключение, пример, ток, управление



Левый уголок Похожие темы Правый уголок
Тема Автор Раздел Ответов Последнее сообщение
[9PA] Код неисправности 0812 Владимир Маркин Ходовая и подвеска 13 20.09.2022 10:44
[9PA] Ошибки P0841 и P0846 Oleg-056 Трансмиссия, АКПП, МКПП 16 25.07.2022 09:45
[9PA] Код неисправности 0955 Владимир Маркин Электрооборудование 0 12.10.2020 13:46
[9PA] Код неисправности 0145 Владимир Маркин Ходовая и подвеска 0 05.11.2019 21:47
[9PA] Код неисправности 0183 Владимир Маркин Электрооборудование 0 04.08.2019 15:41



Powered by vBulletin® Version 3.8.7
Copyright ©2000 - 2025, vBulletin Solutions, Inc. Перевод: zCarot
Все права на материалы, находящиеся на сайте, охраняются в соответствии с законодательством РФ.
При любом использовании материалов сайта, письменное согласие обязательно.
Торговые марки, логотипы и марки услуг, размещенные на данном сайте, являются собственностью их владельцев.
CayService.ru не связан с Porsche AG или PCNA. ©2025 CayService.ru. Все права защищены.
Яндекс.Метрика