Правила форума Clear

9PA производство 2003>>2006 (L) Снятие мотора "Вперед" (как снять без коробки?) - Страница 2

06.06.2018, 17:45   #11
Владимир Маркин
Аватар для Владимир Маркин
Сообщение от OlegZ Посмотреть сообщение
А снять левую гбц возможно без снятия двигателя (проблема в 8-м цилиндре) возможно?
Да

Сообщение от OlegZ Посмотреть сообщение
Есть ли какая-то последовательность для этого?
Нет последовательности. По технологии демонтаж двигателя, а после этого уже другие работы.

Сообщение от OlegZ Посмотреть сообщение
Клиент так не хочет снимать двигатель.)))
А для чего снимать двигатель? Для каких работ?
06.06.2018, 18:15   #12
OlegZ
Сообщение от Владимир Маркин Посмотреть сообщение
Да


Нет последовательности. По технологии демонтаж двигателя, а после этого уже другие работы.


А для чего снимать двигатель? Для каких работ?
Компрессия в 8-м цилиндре 12 атм, в остальных 16. Идут пропуски по искре, свеча чёрная (катушки и свечи заменены). Думаем начать с головы, т.к. клиент в шоке от перспективы снятия двигателя. А там будет видно, что в цилиндре.
06.06.2018, 20:23   #13
Владимир Маркин
Аватар для Владимир Маркин
Сообщение от OlegZ Посмотреть сообщение
Компрессия в 8-м цилиндре 12 атм, в остальных 16.
Видеоэндоскопом проверяли цилиндры?

Сообщение от OlegZ Посмотреть сообщение
Идут пропуски по искре, свеча чёрная (катушки и свечи заменены).
Пропуски в каких цилиндрах?

Сообщение от OlegZ Посмотреть сообщение
Думаем начать с головы, т.к. клиент в шоке от перспективы снятия двигателя. А там будет видно, что в цилиндре.
Я думаю рано еще снимать ГБЦ
06.06.2018, 23:36   #14
OlegZ
Сообщение от Владимир Маркин Посмотреть сообщение
Видеоэндоскопом проверяли цилиндры?


Пропуски в каких цилиндрах?


Я думаю рано еще снимать ГБЦ

Пока нет такого хорошего девайса, но работаем на эту тему(((
Пропуски в 8-м цилиндре.
07.06.2018, 10:37   #15
Владимир Маркин
Аватар для Владимир Маркин
Сообщение от OlegZ Посмотреть сообщение
Пропуски в 8-м цилиндре.
Только в одном цилиндре?
07.06.2018, 19:34   #16
OlegZ
Сообщение от Владимир Маркин Посмотреть сообщение
Только в одном цилиндре?
Да. И очень большое время открытия клапана - от 7 до 12 msec. Причём - плавающе, т.е. не всегда.
07.06.2018, 21:23   #17
Владимир Маркин
Аватар для Владимир Маркин
Сообщение от OlegZ Посмотреть сообщение
Да. И очень большое время открытия клапана - до 12 msec. Причём - плавающе, т.е. не всегда.
Какой VIN машины?
07.06.2018, 22:10   #18
OlegZ
Сообщение от Владимир Маркин Посмотреть сообщение
Какой VIN машины?
WP1AC29P28LA92261
08.06.2018, 10:28   #19
Владимир Маркин
Аватар для Владимир Маркин
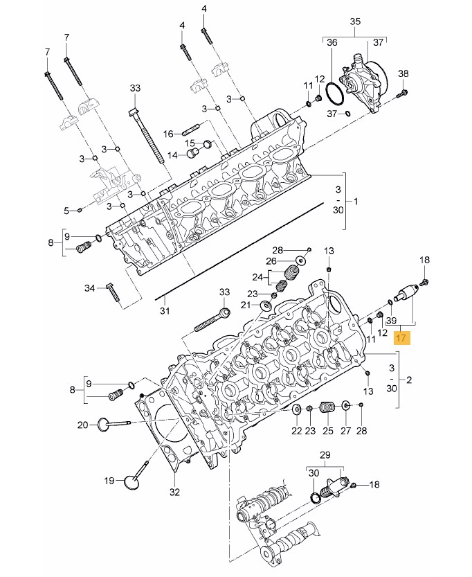
Исполнительные элементы меняли местами с одной ГБЦ на другую?
Миниатюры:
Нажмите на изображение для увеличения
Название: Исполнительный элемент.jpg
Просмотров: 145
Размер:	116.6 Кб
ID:	17293  
08.06.2018, 23:52   #20
OlegZ
Сообщение от Владимир Маркин Посмотреть сообщение
Исполнительные элементы меняли местами с одной ГБЦ на другую?
Нет. Меняли только свечи и катушки.
Владимир, намекаете начать копать в направлении системы изменения хода клапана?

Метки
без коробки, без подъемника, болт, возможно, вперед, двигатель, затяжка, открутить, работа, свеча, снять, угол, цилиндр, шкив



Левый уголок Похожие темы Правый уголок
Тема Автор Раздел Ответов Последнее сообщение
[95B] Электроника рулевого колеса, ошибка C11006 "кодировка" Vitamin701 Электрооборудование 10 25.10.2024 10:40
Комплект "тормозов"(перед-зад) на Cayenne Turbo 2011 года Evgen Тормоза - механическая часть 11 13.05.2012 16:13
Есть у кого выход на ООО "Центр Молекулярной Генетики" Dora Бизнес 0 28.10.2011 15:02
Крик души сотрудника МЧС или "Несовершеннолетним и слабонервным смотреть НЕ РЕКОМЕНДУЮ". СчастьеЕ Болталка 2 10.08.2010 14:10
Сюжет "Porsche Cayenne" в "Главной дороге" СчастьеЕ Выбираем Porsche 28 02.03.2010 19:28



Powered by vBulletin® Version 3.8.7
Copyright ©2000 - 2025, vBulletin Solutions, Inc. Перевод: zCarot
Все права на материалы, находящиеся на сайте, охраняются в соответствии с законодательством РФ.
При любом использовании материалов сайта, письменное согласие обязательно.
Торговые марки, логотипы и марки услуг, размещенные на данном сайте, являются собственностью их владельцев.
CayService.ru не связан с Porsche AG или PCNA. ©2025 CayService.ru. Все права защищены.
Яндекс.Метрика