Правила форума Clear

9PA1 производство 2007>>2010 (L) Пропуски зажигания 4.8 GTS

19.11.2020, 14:21   #11
Mechanik
Всем день добрый , прошу оказать помощь в поиске с данной неисправностью , так как уже все пересмотрели провели тесты но данная неисправность имеет место быть . Может кто то решил данную проблему , читая предыдущие посты до конца определенного решения нет , или же может не указали как вышли из данной ситуации . Всем хорошего дня !!
19.11.2020, 20:20   #12
temsky
видеокамеру в цилиндр и осмотри поршень , стенки, клапана (если конечно камера 360)
19.11.2020, 22:25   #13
Владимир Маркин
Аватар для Владимир Маркин
Сообщение от Mechanik Посмотреть сообщение
Всем день добрый
Добрый вечер

Сообщение от Mechanik Посмотреть сообщение
прошу оказать помощь в поиске с данной неисправностью , так как уже все пересмотрели провели тесты но данная неисправность имеет место быть . Может кто то решил данную проблему , читая предыдущие посты до конца определенного решения нет , или же может не указали как вышли из данной ситуации .
Пишите подробно что проверили. Только пишите то в чем действительно уверены и не обманули сами себя. Мелочей тут нет. Работу нужно проводить качественно в полном объеме и до конца.

Пропуски о которых идет речь, появляются на холостом ходу или только в движении автомобиля? Проявление только на холодный двигатель или только на разогретый до рабочей температуры?

Пишите все что имеет отношение к делу и только то в чем действительно уверены или проверено на 100%.
20.11.2020, 11:31   #14
Mechanik
Здравствуйте . Значить по порядку , были произведены такие проверки , проверили цилиндры эндоскопом , есть мелкие задиры но не критично компрессия по всем одинакова 20 , была заменена на 3 цилиндре форсунка 94811012823 , были поменяны свечи и катушки на 2,3 ,4 цилиндрах , были заменены уплотнения на впускном коллекторе , были проведены короткие тесты где все успешно завершились , но при проведении короткого теста на холодную по впускным распредвалам отклонение от заданного было по распредвалу на тех цилиндрах которые имеют пропуски отколнение было до 85 градусов , после нагрева ДВС до температуры 65-70 градусов все пропуски пропадают как ни в чем не бывало мотор работает ровно .

Добавлено через 5 минут
Все пропуски появляются лишь на холостом ходу, при принудительном поднятии оборотов на 1000 пропуски в 3- цилиндре усиливаются , но по мере работы мотор прогревается и после работы минут 7-10 все пропадает как и не было . При движении двигатель себя ведет норм , ни пропусков не сбоев .
20.11.2020, 21:01   #15
Владимир Маркин
Аватар для Владимир Маркин
Сообщение от Mechanik Посмотреть сообщение
Здравствуйте .
Приветствую!

Сообщение от Mechanik Посмотреть сообщение
заменена на 3 цилиндре форсунка
https://forum.cayservice.ru/showthre...0%B8%D1%8F+DFI
21.11.2020, 11:46   #16
Mechanik
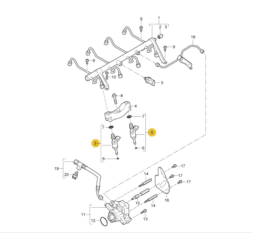
Владимир спасибо , можете помочь с подбором форсунок WP1ZZZ9PZ9LA60739 вариантов много какой номер нужно устанавливать ??
21.11.2020, 16:23   #17
Serg124
Сзади стоят клапана регулировки хода клапанов.
Если вы видите какие-то сбои по фазовращателю то надо как минимум переставлять клапана которые спереди - они на фазовращатели, и если не будет результата то сами фазики.
Форсунка кмк не причём так как у вас сбоит весь ряд.
21.11.2020, 20:00   #18
Владимир Маркин
Аватар для Владимир Маркин
Сообщение от Mechanik Посмотреть сообщение
можете помочь с подбором форсунок WP1ZZZ9PZ9LA60739 вариантов много какой номер нужно устанавливать ??
Если ставите одну топливную форсунку, нужно всегда сравнивать с заменяемой деталью и ставить аналогичную по номеру. Это важно!
Если ставите на один ряд 4 шт., можно ставить любой номер, главное чтобы все были одинаковые по номеру в этом ряду.
На сегодня актуальный номер (доступно с 23.07.2018) топливной форсунки 948110128SX
Миниатюры:
Нажмите на изображение для увеличения
Название: Топливные форсунки.jpg
Просмотров: 405
Размер:	61.2 Кб
ID:	37379  
19.03.2024, 02:13   #19
KBAC
Всем доброго времени суток, имеем ту же ситуацию что и у здесь собравшихся. После сборки мотора после гильзовки получаем данный дефект: при холодном пуске и сбросе оборотов до хх(550-580) начинается троение в основном в 3 цилиндре, меняны свечи, катушки, форсунка(про одинаковые форсунки на ряд не знал, завтра полезу смотреть) по измеряемым распред вал 1- го ряда падает до 86-87, секунд 20-30 троит затем как по щелчку пальца все работает ровно. Не известно была ли эта неисправность до гильзовки, мотор приехал в ужасном состоянии
19.03.2024, 11:52   #20
Владимир Маркин
Аватар для Владимир Маркин
Сообщение от KBAC Посмотреть сообщение
Всем доброго времени суток
Добрый день

Сообщение от KBAC Посмотреть сообщение
После сборки мотора после гильзовки получаем данный дефект: при холодном пуске и сбросе оборотов до хх(550-580) начинается троение в основном в 3 цилиндре, меняны свечи, катушки, форсунка(про одинаковые форсунки на ряд не знал, завтра полезу смотреть) по измеряемым распред вал 1- го ряда падает до 86-87, секунд 20-30 троит затем как по щелчку пальца все работает ровно. Не известно была ли эта неисправность до гильзовки, мотор приехал в ужасном состоянии
Метки какие?
Клапана регулировки хода клапанов?

Метки
было, быль, данный, датчик, двигатель, зажигание, клапан, номер, нормально, оборот, проблема, пропуск, сбоить, ставить, топливный, форсунка



Левый уголок Похожие темы Правый уголок
Тема Автор Раздел Ответов Последнее сообщение
[9PA1] Пропуски в цилинре Алексей 113 Двигатель 55 25.08.2025 00:28
[9PA] Пропуски / троение / отстрелы / проводка ASBorzakovsky Система питания 22 30.10.2020 11:41
[92A] Обнаружены пропуски зажигания Владимир Маркин Система питания 0 19.09.2019 14:02
[92A] Пропуски зажигания 958 andry.dyb Система питания 1 10.05.2019 20:09
[92A] Пропуски зажигания Алексей0882 Двигатель 10 01.10.2018 21:30



Powered by vBulletin® Version 3.8.7
Copyright ©2000 - 2025, vBulletin Solutions, Inc. Перевод: zCarot
Все права на материалы, находящиеся на сайте, охраняются в соответствии с законодательством РФ.
При любом использовании материалов сайта, письменное согласие обязательно.
Торговые марки, логотипы и марки услуг, размещенные на данном сайте, являются собственностью их владельцев.
CayService.ru не связан с Porsche AG или PCNA. ©2025 CayService.ru. Все права защищены.
Яндекс.Метрика