Правила форума Clear

9PA1 производство 2007>>2010 (L) Теплообменник маслянного фильтра

01.10.2022, 23:39   #1
Mr.G
Аватар для Mr.G
Д/времени суток
Замечено подтекание по теплообменнику маслянного фильтра .
Заменил теплообменник и прокладку- откатал около 3 месяцев и снова пробле с подтеками в этом же месте - по теплообменнику....
Решение : заменили прокладку теплообменника на новую...
Снова откатал около 2 месяцев..... и снова капает ..

Вопрос:
Какой момент затяжки болтов теплообменника?...
Мотор 3,6 fsi
02.10.2022, 17:19   #2
Владимир Маркин
Аватар для Владимир Маркин
Сообщение от Mr.G Посмотреть сообщение
Д/времени суток
Добрый день!

Сообщение от Mr.G Посмотреть сообщение
Вопрос:
Какой момент затяжки болтов теплообменника?...
Мотор 3,6 fsi
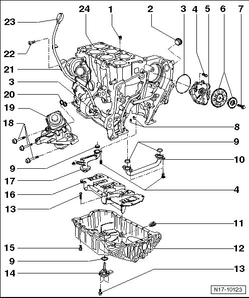
Корпус масляного фильтра/кронштейн левой опоры двигателя

Болты под цифрой 18 - 23 Нм
Миниатюры:
Нажмите на изображение для увеличения
Название: Детали и узлы.jpg
Просмотров: 179
Размер:	97.4 Кб
ID:	59612  

Метки
маслянный, снова, теплообменник, фильтр



Левый уголок Похожие темы Правый уголок
Тема Автор Раздел Ответов Последнее сообщение
[92A] Теплообменник на корпусе АКПП Cayenne Diesel (92AAP1) 007ru29 Трансмиссия, АКПП, МКПП 8 10.02.2022 12:01
[92A] Регенерация сажевого фильтра Stepan76 Система питания 17 18.09.2017 20:20
[9PA1] Демонтаж сажевого фильтра abasali Вопросы специалистам 7 18.08.2017 16:51
[9PA1] Очистка саж. фильтра abasali Система питания 7 09.07.2016 13:39
Замена фильтра в фаре chilikin Вопросы специалистам 1 15.11.2013 17:44



Powered by vBulletin® Version 3.8.7
Copyright ©2000 - 2025, vBulletin Solutions, Inc. Перевод: zCarot
Все права на материалы, находящиеся на сайте, охраняются в соответствии с законодательством РФ.
При любом использовании материалов сайта, письменное согласие обязательно.
Торговые марки, логотипы и марки услуг, размещенные на данном сайте, являются собственностью их владельцев.
CayService.ru не связан с Porsche AG или PCNA. ©2025 CayService.ru. Все права защищены.
Яндекс.Метрика