Правила форума Clear

9PA1 производство 2007>>2010 (L) Ремонт кузова 957

12.05.2015, 16:26   #1
Серега001
Добрый день, Владимир.
Надеюсь на вашу помощь!
Налетели на разделитель-отбойник, под замену передние "стаканы" (левый и правый), лонжероны вроде на месте, но без контрольных размеров ни как не определить "свое" место для "стаканов" !!!
Большая-огромная просьба помочь!!!
Cayenne 957 2008год
12.05.2015, 22:50   #2
Владимир Маркин
Аватар для Владимир Маркин
Сообщение от Серега001 Посмотреть сообщение
Добрый день, Владимир.
Добрый вечер.
Сообщение от Серега001 Посмотреть сообщение
Налетели на разделитель-отбойник, под замену передние "стаканы" (левый и правый), лонжероны вроде на месте, но без контрольных размеров ни как не определить "свое" место для "стаканов" !!!
Большая-огромная просьба помочь!!!
Cayenne 957 2008год
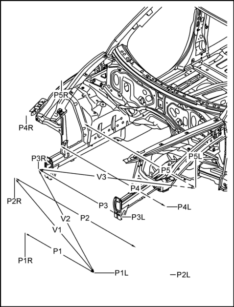
Messpunkte:
-P1L- - RPS 1) Befestigung Stoßfänger vorne links
-P1R- - RPS 1) Befestigung Stoßfänger vorne rechts
-P2L- - Abstützung Kotflügelbank vorne links
-P2R- - Abstützung Kotflügelbank vorne rechts
-P3L- - Querträger Abstützung Kotflügelbank vorne links
-P3R- - Querträger Abstützung Kotflügelbank vorne rechts
-P4L- - RPS 1) Federbeinaufnahme links
-P4R- - RPS 1) Federbeinaufnahme rechts
-P5L- - RPS 1) Verstärkung Kotflügelbank hinten links
-P5R- - RPS 1) Verstärkung Kotflügelbank hinten rechts

P1L - P1R
RPS 2) Befestigung Stoßfänger vorne
-P1-
936 ± 1
mm

P2L - P2R
Querträger Abstützung Kotflügelbank vorne
-P2-
1642 ± 1
mm

P3L - P3R
Abstützung Kotflügelbank vorne
-P3-
1082 ± 1
mm

P4L - P4R
RPS 2) Federbeinaufnahme
-P4-
1420 ± 1
mm

P5L - P5R
Verstärkung Kotflügelbank hinten
-P5-
1488 ± 1
mm

P1L - P2R
Vorderwagen Diagonalmaß 1
-V1-
1357 ± 1
mm

P1L - P3R
Vorderwagen Diagonalmaß 2
-V2-
1186 ± 1
mm

P5L - P3R
Vorderwagen Diagonalmaß 3
-V3-
1514 ± 1
mm
Миниатюры:
Нажмите на изображение для увеличения
Название: h5aa0109.gif
Просмотров: 349
Размер:	35.3 Кб
ID:	10781   Нажмите на изображение для увеличения
Название: h5aa0104.gif
Просмотров: 303
Размер:	43.0 Кб
ID:	10782   Нажмите на изображение для увеличения
Название: h5aa0106.gif
Просмотров: 392
Размер:	31.7 Кб
ID:	10783   Нажмите на изображение для увеличения
Название: h5aa0305.gif
Просмотров: 368
Размер:	22.2 Кб
ID:	10784   Нажмите на изображение для увеличения
Название: h5aa0306.gif
Просмотров: 299
Размер:	50.3 Кб
ID:	10785  

13.05.2015, 13:28   #3
Серега001
Спасибо, Владимир за информацию!
Мне еще нужны контрольные размеры относительно "стаканов" и между "стаканами"!?!?
15.05.2015, 22:35   #4
Владимир Маркин
Аватар для Владимир Маркин
Сообщение от Серега001 Посмотреть сообщение
Мне еще нужны контрольные размеры относительно "стаканов" и между "стаканами"!?!?
Существует только такой документ...
Вложения:
Тип файла: pdf Kontrollmaße für die Karosserie-Instandsetzung - ab MJ 2003.pdf (726.6 Кб, 516 просмотров)
18.05.2015, 15:54   #5
Серега001
Добрый день, Владимир!
Сегодня смотрел в измерительной программе по ремонту кузовов, так же не указаны контрольные размеры относительно "стакаов"!!! Видать немцы не ремонтируют в таких случаях!!!
Очевидно придется смотреть у "живого" Кая!
Вопрос: Таурег вроде 1:1(один в один) Кайен!?!

Добавлено через 1 минуту
может с Таурега эти размеры срисовать! ))
.....нашел себе проблему!!!....

Метки
abstützung, стакан



Левый уголок Похожие темы Правый уголок
Тема Автор Раздел Ответов Последнее сообщение
[9PA1] PORSCHE CAYENNE 957, ремонт 4.8, мотора единая тема коляныч Двигатель 63 27.07.2025 17:26
Продам элементы кузова Cayenne-S(955)/(жестянка). вячеслав Кузов 15 06.08.2013 17:24
Номера кузова у Porsche Surveyor Выбираем Porsche 18 01.02.2011 23:29
Облегченная конструкция кузова Porsche Владимир Маркин Кузов 8 25.10.2010 10:24
Заедает или не держится в креплении щиток накладки задней панели кузова Владимир Маркин Обмен опытом 0 29.01.2010 15:38



Powered by vBulletin® Version 3.8.7
Copyright ©2000 - 2025, vBulletin Solutions, Inc. Перевод: zCarot
Все права на материалы, находящиеся на сайте, охраняются в соответствии с законодательством РФ.
При любом использовании материалов сайта, письменное согласие обязательно.
Торговые марки, логотипы и марки услуг, размещенные на данном сайте, являются собственностью их владельцев.
CayService.ru не связан с Porsche AG или PCNA. ©2025 CayService.ru. Все права защищены.
Яндекс.Метрика