Правила форума Clear

9PA1 производство 2007>>2010 (L) Демонтаж и монтаж датчиков детонации на автомобилях с двигателями DFI

05.12.2024, 12:36   #1
Владимир Маркин
Аватар для Владимир Маркин
Предварительные работы

1 Снять корпус термостата для доступа к двум передним датчикам детонации.

2 Снять стартер для доступа к двум задним датчикам детонации.
05.12.2024, 12:37   #2
Владимир Маркин
Аватар для Владимир Маркин
Демонтаж датчиков детонации

1 Обратить внимание и отметить монтажное положение датчиков детонации. Отсоединить кабельный разъем. Отсоединение разъема кабеля
Миниатюры:
Нажмите на изображение для увеличения
Название: Отсоединение разъема кабеля.jpg
Просмотров: 136
Размер:	194.5 Кб
ID:	83582  
05.12.2024, 12:39   #3
Владимир Маркин
Аватар для Владимир Маркин
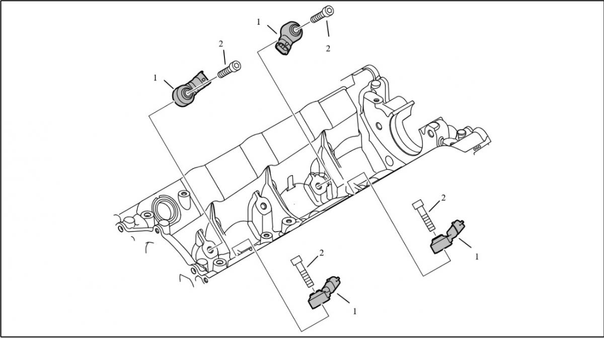
2 Выкрутить крепежный винт и извлечь датчик детонации из блока цилиндров.

Датчики детонации

1 Датчик детонации
2 Винт M8 x 35. Момент затяжки 23 Nm
Миниатюры:
Нажмите на изображение для увеличения
Название: Датчики детонации.jpg
Просмотров: 166
Размер:	63.7 Кб
ID:	83583  
05.12.2024, 12:40   #4
Владимир Маркин
Аватар для Владимир Маркин
Монтаж датчиков детонации

Информация

Очистить тканью поверхность прилегания датчика детонации.

Информация

Соблюдать момент затяжки винта датчика детонации.
Выровнять корпус и кабельный разъем датчика детонации таким образом, чтобы они нигде не соприкасались.
В противном случае не гарантировано безупречное функционирование датчика детонации.

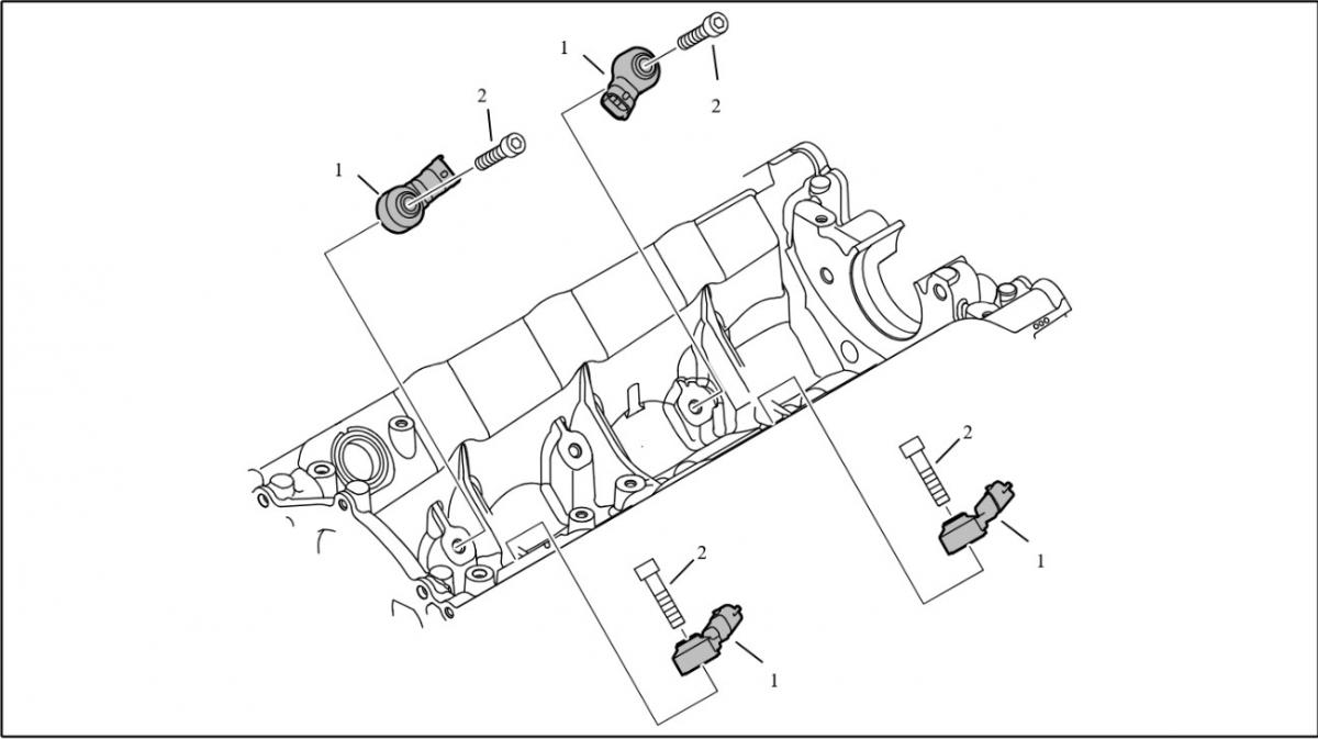
1 Установить датчики детонации. Следить за тем, чтобы датчики детонации были выровнены согласно рисунку.

2 Затянуть крепежные винты.

3 Подсоединить кабельные разъемы.
Миниатюры:
Нажмите на изображение для увеличения
Название: Датчики детонации.jpg
Просмотров: 138
Размер:	63.7 Кб
ID:	83584  
05.12.2024, 12:42   #5
Владимир Маркин
Аватар для Владимир Маркин
Дополнительные работы

1 Установить корпус термостата над двумя передними датчиками детонации.

2 Установить стартер над двумя задними датчиками детонации.

Информация

Демонтаж датчика детонации справа

Монтаж датчика детонации справа

Демонтаж датчика детонации слева

Монтаж датчика детонации слева

Метки
датчик, датчик детонации, двигатель, детонация, разъем, снять, установить



Левый уголок Похожие темы Правый уголок
Тема Автор Раздел Ответов Последнее сообщение
[9PA] Какие АКПП устанавливались с двигателями 3,2; 4,5; 4,5Turbo;4,8 Ananas Трансмиссия, АКПП, МКПП 16 01.06.2025 09:08
[9PA1] Демонтаж и монтаж импульсного датчика коленчатого вала на автомобилях с двигателями DFI Владимир Маркин Система питания 4 30.04.2021 11:54
[92A] Снятие и установка датчиков детонации -G61- и -G66- Владимир Маркин Двигатель 0 20.04.2020 22:00
Два спорткара с четырехлитровыми двигателями Владимир Маркин Новости Porsche 0 16.01.2020 11:42
Отзывы об автомобилях ... Владимир Маркин Болталка 1 30.05.2011 02:30



Powered by vBulletin® Version 3.8.7
Copyright ©2000 - 2025, vBulletin Solutions, Inc. Перевод: zCarot
Все права на материалы, находящиеся на сайте, охраняются в соответствии с законодательством РФ.
При любом использовании материалов сайта, письменное согласие обязательно.
Торговые марки, логотипы и марки услуг, размещенные на данном сайте, являются собственностью их владельцев.
CayService.ru не связан с Porsche AG или PCNA. ©2025 CayService.ru. Все права защищены.
Яндекс.Метрика