Правила форума Clear

Тепловой аккумулятор

18.02.2023, 00:15   #1
ANATOLY116
Сообщение от Владимир Маркин Посмотреть сообщение
Тепловой аккумулятор/дополнительный отопитель


Двухцветный коричневый салон (Espresso/Cognac) с отделкой из натуральной мягкой кожи в комбинации с другими материалами
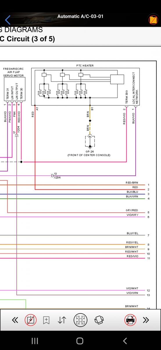
Тепловой аккумулятор это наверно режим использования остаточного тепла?
А PTC это электрический нагреватель?
Вот он на схеме.
Простите за занудство)))
Миниатюры:
Нажмите на изображение для увеличения
Название: Screenshot_20230217-231016_Carmin.jpg
Просмотров: 76
Размер:	73.3 Кб
ID:	63968  
18.02.2023, 11:38   #2
Владимир Маркин
Аватар для Владимир Маркин
Добрый день. Старайтесь задавать вопросы в соответствии с названием темы.
О каком автомобиле идет речь? Нужен VIN
Какой код опции?



Левый уголок Похожие темы Правый уголок
Тема Автор Раздел Ответов Последнее сообщение
[9PA] Тепловой зазор на кольцах??? dim Вопросы специалистам 12 02.10.2021 13:48
[9PA1] Аккумулятор abasali Электрооборудование 19 28.12.2016 16:10
[92A] Аккумулятор AGM Владимир Маркин Система питания 0 26.11.2016 11:53
[9PA] Аккумулятор Исмаил Электрооборудование 6 25.10.2016 17:01
[9PA1] Аккумулятор alexeymuhin Электрооборудование 14 18.10.2016 07:09



Powered by vBulletin® Version 3.8.7
Copyright ©2000 - 2025, vBulletin Solutions, Inc. Перевод: zCarot
Все права на материалы, находящиеся на сайте, охраняются в соответствии с законодательством РФ.
При любом использовании материалов сайта, письменное согласие обязательно.
Торговые марки, логотипы и марки услуг, размещенные на данном сайте, являются собственностью их владельцев.
CayService.ru не связан с Porsche AG или PCNA. ©2025 CayService.ru. Все права защищены.
Яндекс.Метрика