Правила форума Clear

9YA производство 2018>>2024 (D) B139700 Функциональное ограничение из-за сигнала столкновения (00EE65)

31.08.2023, 10:41   #1
Владимир Маркин
Аватар для Владимир Маркин
Блок управления системы регулирования температуры (TME), функциональное ограничение из-за сигнала о столкновении (B139700)

Условия диагностики
Зажигание включено
Отсутствуют неисправности электропитания в блоке управления системы регулирования температуры

Условия регистрации неисправности
Функциональное ограничение вследствие полученного сигнала о столкновении

Проявления неисправности
Функции блока управления системы регулирования температуры TME ограничены
Блок управления системы регулирования температуры TME не работает
31.08.2023, 10:42   #2
Владимир Маркин
Аватар для Владимир Маркин
Информация о компонентах и системах

Действительно для: Cayenne E-Hybrid, начиная с 2018 модельного года

В колесной арке под крылом спереди справа
1 Блок управления системы регулирования температуры
Миниатюры:
Нажмите на изображение для увеличения
Название: В колесной арке под крылом спереди справа.jpg
Просмотров: 381
Размер:	35.0 Кб
ID:	69902  
31.08.2023, 10:43   #3
Владимир Маркин
Аватар для Владимир Маркин
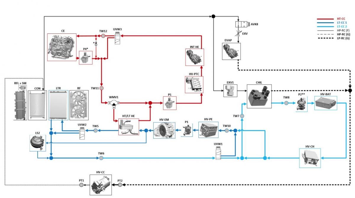
Действительно для: Cayenne E-Hybrid, начиная с 2018 модельного года

Система регулирования температуры
HT-CC Высокотемпературный контур
CE Двигатель внутреннего сгорания
P4 Дополнительный насос ОЖ высокотемпературного контура (для отопления салона) (* только R4-цилиндровый двигатель)
TW11 Датчик температуры высокотемпературного контура (перед ходовым клапаном WMV1)
WMV1 Ходовой клапан высокотемпературного контура (перед насосом P5)
HT/LT HE Теплообменник высоко-/низкотемпературного контура
P5 Дополнительный насос ОЖ высокотемпературного контура (для отопления салона)
ВВ ПОЗИСТОР Электрический отопитель салона
INT HE Теплообменник системы отопления салона
UVW3 Переключающий клапан высокотемпературного контура (для отопления салона)
TW12 Датчик температуры высокотемпературного контура (обратная линия к двигателю внутреннего сгорания)
LT-CC 1 Низкотемпературный контур 1
RFL+SM Заслонки ОЖ по центру сверху с серводвигателем
LTR Радиатор низкотемпературного контура
LS2 Расширительный бачок низкотемпературного контура (включая датчик индикатора уровня ОЖ)
TW6 Датчик температуры низкотемпературного контура (после радиатора)
UVW1 Переключающий клапан низкотемпературного контура (перед охладителем)
TW10 Датчик температуры низкотемпературного контура (перед высоковольтной силовой электроникой)
HV-PE Высоковольтная силовая электроника
P1 Дополнительный насос ОЖ низкотемпературного контура системы охлаждения
HV-EM Высоковольтный электродвигатель
HT/LT HE Теплообменник высоко-/низкотемпературного контура
TW5 Датчик температуры низкотемпературного контура (перед переключающим клапаном UVW2)
UVW2 Переключающий клапан низкотемпературного контура (перед радиатором)
LT-CC 2 Низкотемпературный контур 2
TW7 Датчик температуры низкотемпературного контура (перед охладителем)
ОХЛ Испаритель низкотемпературного контура (охладитель)
TW8 Датчик температуры низкотемпературного контура (после охладителя)
P2 Дополнительный насос ОЖ низкотемпературного контура (**подключен к блоку управления высоковольтной АКБ)
HV-BAT Высоковольтная АКБ
HV-CH Высоковольтное зарядное устройство
HP-RC/LP-RC Контур системы кондиционирования
LP-RC (G) Контур циркуляции хладагента низкого давления (газообразный)
HP-RC (F) Контур циркуляции хладагента высокого давления (жидкий)
HP-RC (G) Контур циркуляции хладагента высокого давления (газообразный)
HV-CC Электрический компрессор системы кондиционирования
PT1 Датчик контура циркуляции хладагента на стороне высокого давления (давление и температура)
CON Конденсатор
RF Вентилятор радиатора
AVK8 Запорный клапан контура циркуляции хладагента (перед испарителем салона)
EXV Расширительный клапан испарителя салона (только механический)
EVAP Испаритель салона
EXV1 Расширительный клапан испарителя низкотемпературного контура (перед охладителем)
ОХЛ Испаритель низкотемпературного контура (охладитель)
PT2 Датчик контура циркуляции хладагента на стороне низкого давления (давление и температура)
Миниатюры:
Нажмите на изображение для увеличения
Название: Система регулирования температуры.jpg
Просмотров: 288
Размер:	75.3 Кб
ID:	69903  
31.08.2023, 10:44   #4
Владимир Маркин
Аватар для Владимир Маркин
Проверки и возможные причины

Блок управления системы регулирования температуры

Метки
блок, контур, неисправность, низкотемпературный, ограничение, регулирование, сигнал, система, столкновение, температура, управление, функциональный



Левый уголок Похожие темы Правый уголок
Тема Автор Раздел Ответов Последнее сообщение
[9YA] B200004 Функциональное ограничение (01000F) Владимир Маркин Электрооборудование 3 23.02.2025 20:19
[92A] C13106 VTS, функциональное ограничение Владимир Маркин Электрооборудование 34 07.02.2023 04:48
[92A] C11005 Блок управления, функциональное ограничение Владимир Маркин Электрооборудование 2 05.01.2023 16:35
[9PA1] 0447 Функциональное ограничение - эл-питание (0001BF) Владимир Маркин Кузов 1 28.05.2022 11:21
[970] P0A1F00 БУ ВВ АКБ, функциональное ограничение (002FF7) Владимир Маркин Двигатель 0 04.06.2019 22:16



Powered by vBulletin® Version 3.8.7
Copyright ©2000 - 2025, vBulletin Solutions, Inc. Перевод: zCarot
Все права на материалы, находящиеся на сайте, охраняются в соответствии с законодательством РФ.
При любом использовании материалов сайта, письменное согласие обязательно.
Торговые марки, логотипы и марки услуг, размещенные на данном сайте, являются собственностью их владельцев.
CayService.ru не связан с Porsche AG или PCNA. ©2025 CayService.ru. Все права защищены.
Яндекс.Метрика