Правила форума Clear

9PA производство 2003>>2006 (L) Код неисправности 0293 / P0705

28.10.2017, 18:14   #1
Владимир Маркин
Аватар для Владимир Маркин
Многофункциональный переключатель (PRND) [Цепь датчика диапазона коробки передач неисправна (вход PRNDL)]

информация
Чтобы на комбинированном приборе отобразилось сообщение о неисправности, необходимо выключить и снова включить зажигание.

В тестере систем Porsche ll 9588 в меню фактические значения можно проверить состояние переключения коробки передач, а также фактические значения переключающих электромагнитных клапанов и датчиков.

Условия диагностики
Зажигание вкл.
Блок управления Tiptronic, внутренняя проверка работоспособности
Задействован выключатель селектора PRND

Возможные причины неисправности
недостоверный сигнал, в верхней таблице сообщение о неисправности 1
отсутствует сигнал / связь, в верхней таблице сообщение о неисправности 2

Соответствующий контакт

Штекер блока управления Tiptronic:
Контакт 10 позиционного выключателя B, от многофункционального переключателя, контакт C7
Контакт 22 позиционного выключателя PA, от многофункционального переключателя, контакт C5
Контакт 36 позиционного выключателя С, от многофункционального переключателя, контакт C9
Контакт 47 позиционного выключателя А, от многофункционального переключателя, контакт C1

Диагностика / поиск неисправностей G 0210

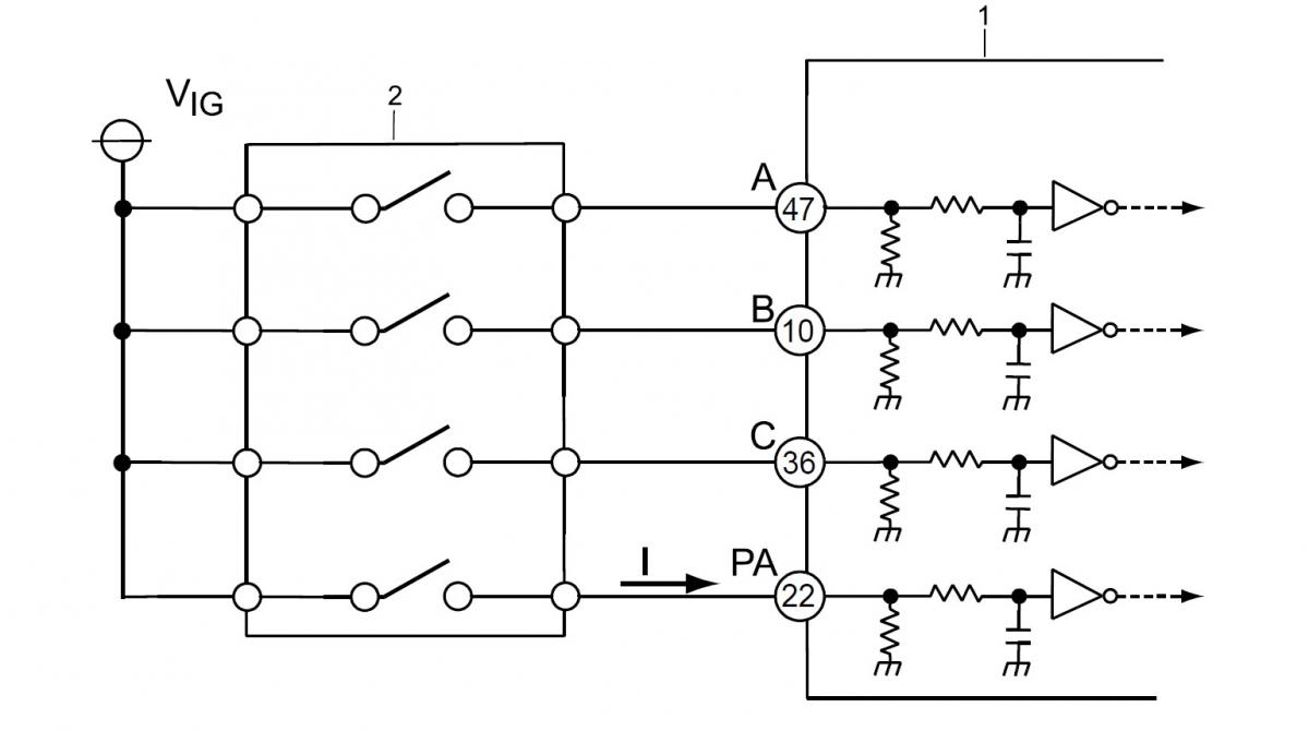
Схема соединений многофункционального переключателя (PRND)
1 - Блок управления Tiptronic
2 - Многофункциональный переключатель (PRND)
10 (B) - Контакт (10)
22 (PA) - Контакт (22)
36 © - Контакт (36)
47 (A) - Контакт (47)
I - Прохождение тока
VIG - Электропитание

Данные для многофункционального переключателя (PRND)
Потребление тока макс.: 15 мА (при 16,5 В)

информация
Визуальная проверка: В ходе проведения последующего поиска неисправностей предварительно необходимо убедиться в том, что у соответствующих контактов штекерного соединения блока управления Tiptronic и контактов штекерного соединения предварительной кабельной разводки коробки передач нет ни повреждений, ни окисления. Удалить загрязнения, коррозию/окисление. Заменить поврежденные компоненты/проводку.

информация
Замена блоков управления: Перед заменой блока управления Tiptronic следует проверить соединения массы, электропитание, а также исправность штекерных соединений блока управления. Необходимо следить за кодировкой блока управления. После контрольной поездки заново считайте память неисправностей при помощи тестера систем Porsche ll 9588. Необходимо распознать и устранить дополнительные источники неисправности, которые могут стать причиной повреждения блока управления Tiptronic.

Рабочая инструкция
1. Проверить настройку тросового привода селектора АКП
2. Визуальная проверка (проверить все важные штекерные соединения и проводку на повреждения).
3. Проверить многофункциональный переключатель
4. Проверить массу многофункционального выключателя
5. Проверить на короткое замыкание на плюс проводку позиционного выключателя между блоком управления Tiptronic и многофункциональным переключателем.
6. Проверить на короткое замыкание на массу проводку позиционного выключателя между блоком управления Tiptronic и многофункциональным переключателем
7 Проверить на обрыв и правильность соединения проводку позиционного выключателя между блоком управления Tiptronic и многофункциональным переключателем
8 Заменить мультифункциональный выключатель
9 Заменить блок управления Tiptronic
Миниатюры:
Нажмите на изображение для увеличения
Название: Schaltschema Multifunktionsschalter (PRND).jpg
Просмотров: 234
Размер:	54.4 Кб
ID:	15487  
Вложения:
Тип файла: pdf 0293_g0101.pdf (87.9 Кб, 205 просмотров)

Метки
контакт, неисправность



Левый уголок Похожие темы Правый уголок
Тема Автор Раздел Ответов Последнее сообщение
[9PA1] Код неисправности 0898 Владимир Маркин Система кондиционирования 0 19.09.2017 15:23
[9PA1] Блок управления PDCC: код неисправности 15621 Владимир Маркин Ходовая и подвеска 0 23.08.2014 11:32
неисправности датчиков парктроника Вячеслав2509 Электрооборудование 1 02.02.2012 18:17
Неисправности и ошибки у нового Кая 2010г Dixi Обмен опытом 8 30.08.2010 18:26



Powered by vBulletin® Version 3.8.7
Copyright ©2000 - 2025, vBulletin Solutions, Inc. Перевод: zCarot
Все права на материалы, находящиеся на сайте, охраняются в соответствии с законодательством РФ.
При любом использовании материалов сайта, письменное согласие обязательно.
Торговые марки, логотипы и марки услуг, размещенные на данном сайте, являются собственностью их владельцев.
CayService.ru не связан с Porsche AG или PCNA. ©2025 CayService.ru. Все права защищены.
Яндекс.Метрика