Правила форума Clear

9PA1 производство 2007>>2010 (L) Глохнет каен турбо с

05.07.2016, 22:45   #1
Павел71
Доброго времени суток. проблема в следующем, Кай 4,8 глохнет при полном баке, как только в баке примерно половина машина работает ка часы, поменял два насоса и тнвд, плюс клапан вентиляции бака. Ошибок ни каких не висит, отключаешь поплавки все работает. Ребята кто сталкивался подскажите.
Заранее благодарю
06.07.2016, 11:12   #2
Владимир Маркин
Аватар для Владимир Маркин
Сообщение от Павел71 Посмотреть сообщение
Доброго времени суток.
Добрый день.

Сообщение от Павел71 Посмотреть сообщение
Кай 4,8 глохнет при полном баке
VIN?

Сообщение от Павел71 Посмотреть сообщение
отключаешь поплавки все работает
?
06.07.2016, 12:36   #3
Павел71
WP1ZZZ9PZ8LA92132
06.07.2016, 14:39   #4
Владимир Маркин
Аватар для Владимир Маркин
Сообщение от Павел71 Посмотреть сообщение
WP1ZZZ9PZ8LA92132
Это машина обычная Turbo. Почему пишите Turbo S ?
06.07.2016, 15:11   #5
Владимир Маркин
Аватар для Владимир Маркин
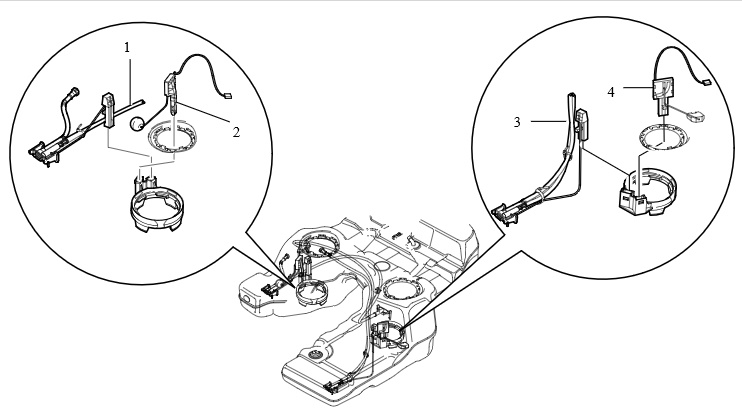
Монтажное положение эжекционных насосов в топливном баке проверяли.
Топливо расходуется равномерно из всех полостей топливного бака?
Миниатюры:
Нажмите на изображение для увеличения
Название: Фиксация эжекционных насосов и датчиков уровня топл.jpg
Просмотров: 91
Размер:	66.5 Кб
ID:	12666  
06.07.2016, 23:27   #6
Павел71
все проверил по 10 раз, вчера подключил правый насос параллельно левому, через реле левого насоса, было 3/4 бака, проехал в баке стало половина и машина встала, вернул все в начальное положение завелся как часики

Добавлено через 3 минуты
в том году была такая же проблема, поменял два насоса и как к бабушке сходил, все прошло моментом

Добавлено через 1 минуту
сначала кидался ошибками Р1031 и Р1023, теперь ни одной
07.07.2016, 16:31   #7
Владимир Маркин
Аватар для Владимир Маркин
После того как заглохла машина заводится сразу?
Давление топлива в этот момент не замеряли?
Глохнет как будто бензин заканчивается или по другому?
Нужно больше информации дать.
07.07.2016, 22:52   #8
Павел71
заводится сразу, глохнет как будто просто выключил зажигание, давление не мерил
08.07.2016, 11:57   #9
Владимир Маркин
Аватар для Владимир Маркин
Сообщение от Павел71 Посмотреть сообщение
заводится сразу, глохнет как будто просто выключил зажигание, давление не мерил
Нештатное оборудование присутствует на машине?
09.07.2016, 14:38   #10
Павел71
Добрый день ,оборудование стоит только штатное,блокировок дополнительных нет.

Метки
бак, насос



Левый уголок Похожие темы Правый уголок
Тема Автор Раздел Ответов Последнее сообщение
[9PA] SOS помогите каен 4.5 турбо mixasi Двигатель 2 29.05.2015 23:34
каен турбо по частям 2005 год ДЖИНН Барахолка 21 23.06.2013 01:38
Заглох каен турбо Ivan Электрооборудование 3 15.10.2012 20:10
[9PA1] Глохнет кай турбо x8x Вопросы специалистам 0 17.06.2012 11:00
Продам Каен Турбо 2005 год maxrs6 Автомобиль - в целом 0 29.11.2010 23:58



Powered by vBulletin® Version 3.8.7
Copyright ©2000 - 2025, vBulletin Solutions, Inc. Перевод: zCarot
Все права на материалы, находящиеся на сайте, охраняются в соответствии с законодательством РФ.
При любом использовании материалов сайта, письменное согласие обязательно.
Торговые марки, логотипы и марки услуг, размещенные на данном сайте, являются собственностью их владельцев.
CayService.ru не связан с Porsche AG или PCNA. ©2025 CayService.ru. Все права защищены.
Яндекс.Метрика