Правила форума Clear

92A производство 2011>>2018 (K;L) Течь антифриза из под штуцера (системы охлаждения) выходящего из двигателя (возле помпы)

18.01.2018, 11:37   #1
denvito
Здравствуйте! 958 кузов, мотор 3,6
Обнаружилась течь антифриза из под штуцера (системы охлаждения) выходящего из двигателя (возле помпы) плохо видно, из-за ограниченного пространства. Подскажите кто-нибудь сталкивался с подобной проблемой?
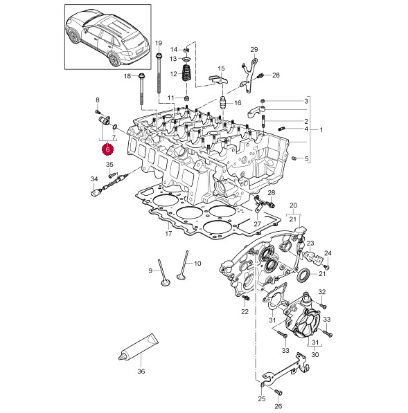
Нет подробной схемы системы охлаждения и не могу идентифицировать данный штуцер, предположил, что этот (на рисунке под номером 5,6), может кто-нибудь подтвердить?
18.01.2018, 11:51   #2
Владимир Маркин
Аватар для Владимир Маркин
Сообщение от denvito Посмотреть сообщение
Здравствуйте!
Добрый день!

Сообщение от denvito Посмотреть сообщение
Обнаружилась течь антифриза из под штуцера (системы охлаждения) выходящего из двигателя (возле помпы) плохо видно, из-за ограниченного пространства. Подскажите кто-нибудь сталкивался с подобной проблемой?
То что у вас на картинке, этот штуцер выходит из блока цилиндров сбоку.
Тот что у меня на картинке из ГБЦ со стороны водяного насоса...
Миниатюры:
Нажмите на изображение для увеличения
Название: Соединительный штуцер.jpg
Просмотров: 379
Размер:	61.8 Кб
ID:	16111  
19.01.2018, 04:59   #3
denvito
Добавлено через 1 минуту
Спасибо большое, еще бы номер уплотнительного колечка
19.01.2018, 10:47   #4
Владимир Маркин
Аватар для Владимир Маркин
95810426501 соединительный штуцер (в сборе с уплотнительным кольцом)
N 91069701 кольцо уплотнительное 26 X 2.5
30.01.2018, 04:47   #5
denvito
Владимир, подскажите пожалуйста - есть ли у вас схема по монтажу/демонтажу данного штуцера, не могу понять как до него добраться, что снимать
30.01.2018, 12:33   #6
Владимир Маркин
Аватар для Владимир Маркин
Сообщение от denvito Посмотреть сообщение
Владимир, подскажите пожалуйста - есть ли у вас схема по монтажу/демонтажу данного штуцера, не могу понять как до него добраться, что снимать
Такой схемы нет. А в чем сложность?
25.11.2024, 11:55   #7
keksm
Сообщение от denvito Посмотреть сообщение
Владимир, подскажите пожалуйста - есть ли у вас схема по монтажу/демонтажу данного штуцера, не могу понять как до него добраться, что снимать
Ниже фото размещения на двигателе VR6 3.6 FSI корпуса термостата и места утечки соединения "трубы" и блока двигателя сзади помпы охлаждения.


Схема замены прокладки и устранения течи в месте соединения корпуса термостата с блоком двигателя (сзади помпы охлаждения).
Для замены требуется снятие корпуса термостата целиком, что позволяет поменять все уплотнительные кольцо на корпусе.
Список деталей и уплотнение на схеме ниже.


Процесс замены ниже:
1. Снятие воздушного патрубка от корпуса дросельной заслонки и корпуса воздушного фильтра
2. Снятие корпуса воздушного фильтра (для улучшения доступа)
3. Снятие приводного ремня двигателя
4. Снятие генератора с двигателя
5. Пережатие шлангов для снижения утечки антифриза из системы охлаждения
6. Снятие гибких шлангов с корпуса термостата (двух широких к радиатору; трех тонких)
7. Снятие металлической трубки с впускного коллектора (для улучшения доступа)
8. (При необходимости) Снятие крышки и замена термостата
9. Снятие всего корпуса термостата с двигателя
10. Замены всех уплотнительных резинок на корпусе термостата
11. Сборка в обратной последовательности

Картинки по разборке и монтажу ниже.
Миниатюры:
Нажмите на изображение для увеличения
Название: 1_корпус термостата.jpg
Просмотров: 302
Размер:	149.3 Кб
ID:	83232   Нажмите на изображение для увеличения
Название: 2_место утечки_.jpg
Просмотров: 281
Размер:	173.9 Кб
ID:	83233   Нажмите на изображение для увеличения
Название: 2_место утечки_2.jpg
Просмотров: 364
Размер:	95.4 Кб
ID:	83234   Нажмите на изображение для увеличения
Название: 3_Комплект_деталей.jpg
Просмотров: 273
Размер:	145.1 Кб
ID:	83235   Нажмите на изображение для увеличения
Название: 4_Снятие_патрубка_1.jpg
Просмотров: 292
Размер:	200.2 Кб
ID:	83236  

Нажмите на изображение для увеличения
Название: 5_снятие ремня_1.jpg
Просмотров: 269
Размер:	183.1 Кб
ID:	83237   Нажмите на изображение для увеличения
Название: 5_снятие ремня_2.jpg
Просмотров: 310
Размер:	203.1 Кб
ID:	83238   Нажмите на изображение для увеличения
Название: 6_Снятие_герератора.jpg
Просмотров: 281
Размер:	189.9 Кб
ID:	83239   Нажмите на изображение для увеличения
Название: 7_Пережатие_шлангов.jpg
Просмотров: 310
Размер:	140.7 Кб
ID:	83240   Нажмите на изображение для увеличения
Название: 8_Снятие_патрубков.jpg
Просмотров: 333
Размер:	265.3 Кб
ID:	83241  

Нажмите на изображение для увеличения
Название: 9_Вид_на_место_утечки.jpg
Просмотров: 242
Размер:	171.4 Кб
ID:	83242   Нажмите на изображение для увеличения
Название: 10_Замена_термостата.png
Просмотров: 277
Размер:	488.1 Кб
ID:	83243   Нажмите на изображение для увеличения
Название: 11_Снятие_корпуса.jpg
Просмотров: 225
Размер:	134.7 Кб
ID:	83244   Нажмите на изображение для увеличения
Название: 11_Снятие_корпуса_1.jpg
Просмотров: 268
Размер:	368.9 Кб
ID:	83245   Нажмите на изображение для увеличения
Название: 11_Снятие_корпуса_2.jpg
Просмотров: 274
Размер:	392.1 Кб
ID:	83246  

Нажмите на изображение для увеличения
Название: 12_Сборочная_схема.jpg
Просмотров: 288
Размер:	159.1 Кб
ID:	83247  
25.11.2024, 12:09   #8
keksm
Сообщение от Владимир Маркин Посмотреть сообщение
Такой схемы нет. А в чем сложность?
Течь антифриза из под трубы (системы охлаждения) выходящего из двигателя (возле помпы)
Схему выложил.
25.11.2024, 14:59   #9
keksm
Сообщение от Владимир Маркин Посмотреть сообщение
95810426501 соединительный штуцер (в сборе с уплотнительным кольцом)
N91069701 кольцо уплотнительное 26 X 2.5

Штуцер с уплотнительным кольцом VAG 03H127065A
Уплотнительное кольцо (размеры 26X2,5) VAG N91069701
Миниатюры:
Нажмите на изображение для увеличения
Название: Общий_вид_схема.jpg
Просмотров: 272
Размер:	150.3 Кб
ID:	83248   Нажмите на изображение для увеличения
Название: 3_Регулируемая помпа.jpg
Просмотров: 254
Размер:	105.9 Кб
ID:	83249  
25.11.2024, 15:58   #10
keksm
Сообщение от keksm Посмотреть сообщение
Ниже фото размещения на двигателе VR6 3.6 FSI корпуса термостата и места утечки соединения "трубы" и блока двигателя сзади помпы охлаждения.


Схема замены прокладки и устранения течи в месте соединения корпуса термостата с блоком двигателя (сзади помпы охлаждения).
Для замены требуется снятие корпуса термостата целиком, что позволяет поменять все уплотнительные кольцо на корпусе.
Список деталей и уплотнение на схеме ниже.


Процесс замены ниже:
1. Снятие воздушного патрубка от корпуса дросельной заслонки и корпуса воздушного фильтра
2. Снятие корпуса воздушного фильтра (для улучшения доступа)
3. Снятие приводного ремня двигателя
4. Снятие генератора с двигателя
5. Пережатие шлангов для снижения утечки антифриза из системы охлаждения
6. Снятие гибких шлангов с корпуса термостата (двух широких к радиатору; трех тонких)
7. Снятие металлической трубки с впускного коллектора (для улучшения доступа)
8. (При необходимости) Снятие крышки и замена термостата
9. Снятие всего корпуса термостата с двигателя
10. Замены всех уплотнительных резинок на корпусе термостата
11. Сборка в обратной последовательности

Картинки по разборке и монтажу ниже.

Демонтаж и монтаж термостата охлаждения двигателя (термостата) VR6 3.6 FSI
Демонтаж и монтаж регулятора ОЖ (термостата) VR6
Схема замены термостата на двигателе бензин VR6 3,6 FSI.
Инструкция с изображениями схем выполнения работ.
https://forum.cayservice.ru/showpost...71&postcount=6

Метки
антифриз, возле, выходить, двигатель, картинка, кольцо, охлаждение, термостат, уплотнительный



Левый уголок Похожие темы Правый уголок
Тема Автор Раздел Ответов Последнее сообщение
[9PA] Течь системы охлаждения на моторах V8 (4.5) Владимир Маркин Двигатель 223 08.08.2025 02:38
[9PA1] Термостат системы охлаждения двигателя SoulssS Двигатель 25 12.11.2019 20:08
[9PA1] Течь антифриза кай 4.8 т рестал денис Двигатель 15 27.12.2018 13:20
Течь из под патрубка системы охлаждения KolmakovEvgeniy Вопросы специалистам 9 04.05.2015 17:23
Вентилятор системы охлаждения двигателя demon_32 Двигатель 4 29.04.2015 20:00



Powered by vBulletin® Version 3.8.7
Copyright ©2000 - 2025, vBulletin Solutions, Inc. Перевод: zCarot
Все права на материалы, находящиеся на сайте, охраняются в соответствии с законодательством РФ.
При любом использовании материалов сайта, письменное согласие обязательно.
Торговые марки, логотипы и марки услуг, размещенные на данном сайте, являются собственностью их владельцев.
CayService.ru не связан с Porsche AG или PCNA. ©2025 CayService.ru. Все права защищены.
Яндекс.Метрика