Правила форума Clear

9PA производство 2003>>2006 (L) Замена дополнительной помпы 955 V6

02.12.2020, 13:08   #1
chilikin
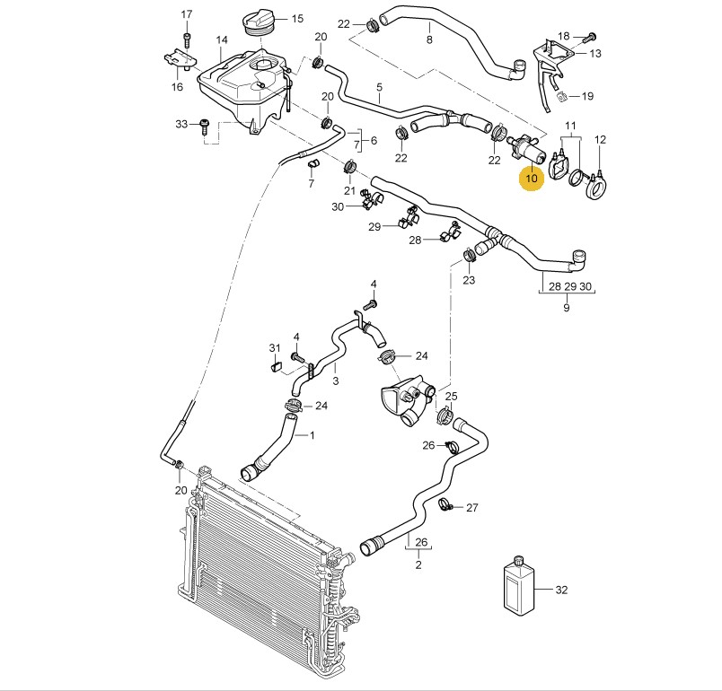
Добрый день! Подскажите, где на кайене с мотором 3,2л. стоит дополнительная помпа (насос подкачки охлаждающей жидкости)? Под левым крылом или где-то ещё?
Код детали для машины 2004 года можете написать?
Сколько у вас стоит замена этой детали?
02.12.2020, 13:27   #2
Владимир Маркин
Аватар для Владимир Маркин
Сообщение от chilikin Посмотреть сообщение
Добрый день!
Добрый день!

Сообщение от chilikin Посмотреть сообщение
Подскажите, где на кайене с мотором 3,2л. стоит дополнительная помпа (насос подкачки охлаждающей жидкости)?
В моторном отсеке за двигателем

Сообщение от chilikin Посмотреть сообщение
Код детали для машины 2004 года можете написать?
95510656101 насос рециркуляции системы охлаждения
к нему обязательно
95510605802 шланг с тройником системы охлаждения
Миниатюры:
Нажмите на изображение для увеличения
Название: Насос ОЖ.jpg
Просмотров: 213
Размер:	86.1 Кб
ID:	37674  
02.12.2020, 13:27   #3
Владимир Маркин
Аватар для Владимир Маркин
Сообщение от chilikin Посмотреть сообщение
Сколько у вас стоит замена этой детали?
6000 руб.
02.12.2020, 14:31   #4
chilikin
Спасибо!

Метки
деталь, дополнительный, замена, помпа, стоить



Левый уголок Похожие темы Правый уголок
Тема Автор Раздел Ответов Последнее сообщение
[92A] Течь антифриза из под штуцера (системы охлаждения) выходящего из двигателя (возле помпы) denvito Вопросы специалистам 9 25.11.2024 15:58
[9PA1] Продам 94810653300 прокладка помпы kkp Двигатель 0 26.01.2016 18:58
[9PA] Как разобрать морду на кайене турбо,что бы добраться до помпы антон 34 Вопросы специалистам 3 09.11.2012 20:13



Powered by vBulletin® Version 3.8.7
Copyright ©2000 - 2025, vBulletin Solutions, Inc. Перевод: zCarot
Все права на материалы, находящиеся на сайте, охраняются в соответствии с законодательством РФ.
При любом использовании материалов сайта, письменное согласие обязательно.
Торговые марки, логотипы и марки услуг, размещенные на данном сайте, являются собственностью их владельцев.
CayService.ru не связан с Porsche AG или PCNA. ©2025 CayService.ru. Все права защищены.
Яндекс.Метрика