Правила форума Clear

92A производство 2011>>2018 (K;L) Коды активации PCM 3.1, дооснащение USB

03.03.2018, 01:41   #1
izyumi
Владимир, здравствуйте! На 958 установили PCM 3.1 вместо CDR. 3 дня все работало, потом пропали навигация, AUX и телефон. Доступ к пивису есть, насколько я понял нужны только 2 кода активации нави и блютус? Если AUX был, то его активировать можно старым кодом и нужно ли для этого снова CDR подкидывать?
Еще хочу прокинуть USB в бардачок. Нужна распиновка разъема PCM 3.1. По схеме которую нашел не понятно..
Где AUX в Порше Кайен?
Владимир Маркин, cпасибо!!!
Миниатюры:
Нажмите на изображение для увеличения
Название: usb.jpg
Просмотров: 591
Размер:	137.2 Кб
ID:	16449  
03.03.2018, 10:19   #2
Владимир Маркин
Аватар для Владимир Маркин
Сообщение от izyumi Посмотреть сообщение
Владимир, здравствуйте!
Добрый день!

Сообщение от izyumi Посмотреть сообщение
На 958 установили PCM 3.1 вместо CDR. 3 дня все работало, потом пропали навигация, AUX и телефон.
Это понятно

Сообщение от izyumi Посмотреть сообщение
Доступ к пивису есть, насколько я понял нужны только 2 кода активации нави и блютус?
И USB

Сообщение от izyumi Посмотреть сообщение
Если AUX был, то его активировать можно старым кодом и нужно ли для этого снова CDR подкидывать?
Для CDR не нужна активация AUX, при подключении сразу работает

Сообщение от izyumi Посмотреть сообщение
Еще хочу прокинуть USB в бардачок. Нужна распиновка разъема PCM 3.1.
Распиновка для подключения USB?
03.03.2018, 10:24   #3
izyumi
Для CDR не нужна активация AUX, при подключении сразу работает

На CDR AUX работал, он теперь на PCM пропал.

Распиновка для подключения USB?

Да, для подключения usb и микрофона!
03.03.2018, 10:39   #4
Владимир Маркин
Аватар для Владимир Маркин
Сообщение от izyumi Посмотреть сообщение
На CDR AUX работал, он теперь на PCM пропал.
Для PCM чтобы работал USB, нужна активация

Сообщение от izyumi Посмотреть сообщение
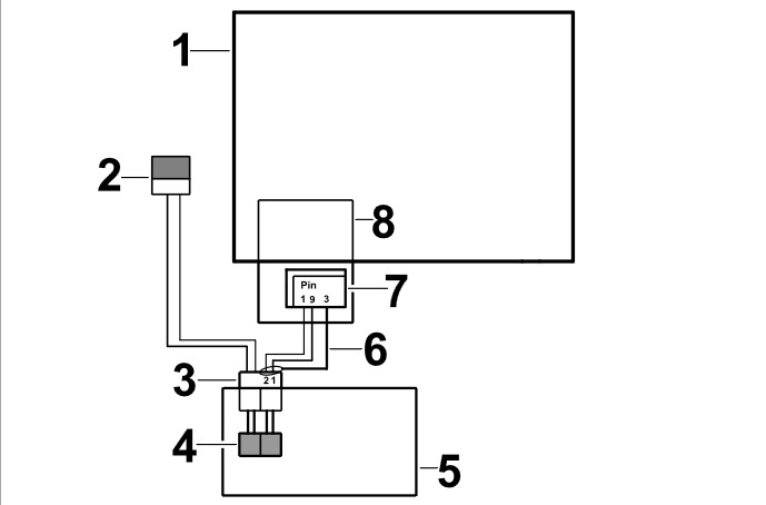
для подключения usb
1 - PCM3.1
2 - Соединительный провод USB
3 - Разъем USB на PCM3.1
4 - Разъем USB на корпусе гнезда
5 - Модуль разъема D (зеленый)
6 - Разъем AUX на корпусе гнезда
7 - Корпус гнезда
8 - Подключение USB
9 - Подключение AUX
10 - Соединительный провод AUX
Миниатюры:
Нажмите на изображение для увеличения
Название: Блок схема.jpg
Просмотров: 409
Размер:	21.5 Кб
ID:	16450  
03.03.2018, 10:42   #5
Владимир Маркин
Аватар для Владимир Маркин
958.612.642.20 1 x Соединительный провод USB -1-
958.612.642.30 1 шт. Соединительный провод AUX -2-
958.553.232.01 1 шт. Вещевой отсек -3-
958.642.797.30 1E0 1 x Рама -4-
N. 106.737.01 1 шт. Винт 4,2 x 9,5 -5-
7PP.035.724.D 1 x Корпус гнезда -6-
999.513.076.40 10 x Кабельный хомут (без рис.)
958.612.838.00 1 шт. Кабельный хомут с держателем (без рис.)
Миниатюры:
Нажмите на изображение для увеличения
Название: Набор USB.jpg
Просмотров: 488
Размер:	55.5 Кб
ID:	16451  
03.03.2018, 10:48   #6
Владимир Маркин
Аватар для Владимир Маркин
Сообщение от izyumi Посмотреть сообщение
Да, для микрофона!
Для лучшего понимания показан обзор (блок-схема) монтируемых деталей и задействованных систем/деталей.

1 - PCM/CDR
2 - Усилитель Bose (опционально)
3 - Разъем микрофона
4 - Микрофон
5 - Потолочная консоль
6 - Жгут проводов микрофона
7 - Модуль разъема C (синий)
8 - Центральный разъем PCM
Миниатюры:
Нажмите на изображение для увеличения
Название: Блок схема.jpg
Просмотров: 422
Размер:	21.7 Кб
ID:	16452  
03.03.2018, 10:49   #7
izyumi
А можно непосредственно распиновку разъёма в pcm, куда соединительный провод usb подключается (vcc, d-, d+, gnd)?
03.03.2018, 10:50   #8
Владимир Маркин
Аватар для Владимир Маркин
970.044.900.36 1 шт Жгут проводов микрофона -1-
955.044.902.44 1 шт Модуль разъема C (синий), состоящий из: держателя разъема и корпуса гнездовых контактов (12-контатного) -2-
N 020 904 4 1 шт Кабельный хомут (без рис.)
958.555.385.00 1 шт. Зажим, подушка безопасности стойка А (без рис.)
N 906 661 01 2 шт. Кабельный хомут с перфорированным зажимом (без рис.)
Миниатюры:
Нажмите на изображение для увеличения
Название: Набор для телефона.jpg
Просмотров: 444
Размер:	38.5 Кб
ID:	16453  
03.03.2018, 10:51   #9
Владимир Маркин
Аватар для Владимир Маркин
Сообщение от izyumi Посмотреть сообщение
А можно непосредственно распиновку разъёма в pcm, куда соединительный провод usb подключается (vcc, d-, d+, gnd)?
Вы провод изготавливать хотите?
03.03.2018, 10:53   #10
izyumi
Да, он уже протянут по сути, к cdr был прикручен китайский модуль навигации. Хочу его и использовать.

Метки
ipod, активация, аудиоинтерфейс, где aux в порше кайен, гнездо, динамик, дооснащение, есть, звук, клавиш, код, комплект, корпус, магнитола, микрофон, мобильный, пивис, плат, подключение, работать, разъем, создавать, телефон, тема, универсальный



Левый уголок Похожие темы Правый уголок
Тема Автор Раздел Ответов Последнее сообщение
Коды ошибок Владимир Маркин Обмен опытом 0 19.01.2016 00:41
[9PA1] Дооснащение телефоном alexeymuhin Электрооборудование 7 28.04.2015 22:37
[92A] Keyless-go на 958 - дооснащение? sugahf Вопросы специалистам 11 27.09.2014 20:52
Цифровые коды регионов России Владимир Маркин Юридическая консультация для друзей 2 17.01.2010 16:40
Автомобильные коды стран мира Владимир Маркин Юридическая консультация для друзей 0 16.01.2010 17:43



Powered by vBulletin® Version 3.8.7
Copyright ©2000 - 2025, vBulletin Solutions, Inc. Перевод: zCarot
Все права на материалы, находящиеся на сайте, охраняются в соответствии с законодательством РФ.
При любом использовании материалов сайта, письменное согласие обязательно.
Торговые марки, логотипы и марки услуг, размещенные на данном сайте, являются собственностью их владельцев.
CayService.ru не связан с Porsche AG или PCNA. ©2025 CayService.ru. Все права защищены.
Яндекс.Метрика