Правила форума Clear

Подтекает масло

23.11.2015, 11:40   #1
valerey
Владимир добрый день. Возвращаюсь к теме которую поднимал ранее. Не могу найти откуда подтекает масло. Потратил немало сил и времени на поиски менял два раза уплотнения на мослоохладителе. Корпуса фильтров, пытался подтянуть болты поддонов, пытался на форуме найти..... Но пока не добился желаемого результата. И вот вчера увидел подтек его можно увидеть если смотреть вниз между рамкой радиатора и лобовой крышкой и там виден чуть левее ближе к фильтру над маслоохладителем какой то датчик вот из под него и сочиться масло.... Владимир подскажите что за датчик это и как его поменять. Как понимаете фото сделать сложно. Заранее спасибо
23.11.2015, 12:15   #2
Владимир Маркин
Аватар для Владимир Маркин
Сообщение от valerey Посмотреть сообщение
Владимир добрый день.
Добрый день.

Сообщение от valerey Посмотреть сообщение
Возвращаюсь к теме которую поднимал ранее. Не могу найти откуда подтекает масло. Потратил немало сил и времени на поиски менял два раза уплотнения на мослоохладителе. Корпуса фильтров, пытался подтянуть болты поддонов, пытался на форуме найти..... Но пока не добился желаемого результата. И вот вчера увидел подтек его можно увидеть если смотреть вниз между рамкой радиатора и лобовой крышкой и там виден чуть левее ближе к фильтру над маслоохладителем какой то датчик вот из под него и сочиться масло.... Владимир подскажите что за датчик это и как его поменять. Как понимаете фото сделать сложно. Заранее спасибо
Какой автомобиль или VIN?
Фото конечно облегчило бы поиск это датчика.
23.11.2015, 13:49   #3
valerey
Так gts 2009 но фото нереально сложно сделать.... Его только сверху видно...... Чуть чуть
23.11.2015, 15:27   #4
Владимир Маркин
Аватар для Владимир Маркин
Вероятнее всего со стороны верхнего картера двигателя подтекает масло, достаточно часто встречается.
23.11.2015, 17:18   #5
valerey
Владимир я про это знаю что такое бывает но еще раз пишу там какой то датчик к нему разьем с проводами..... Вот из под него течет.... А с верхним карьером что делают если не затянуть болты? Только снимая двигатель? Вы так и не смогли понять что за датчик?
23.11.2015, 17:26   #6
Владимир Маркин
Аватар для Владимир Маркин
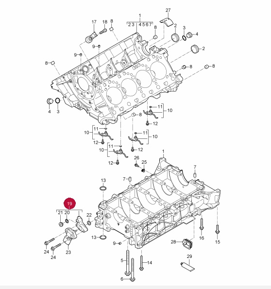
Этот датчик стоит на блоке цилиндров?
Миниатюры:
Нажмите на изображение для увеличения
Название: Датчик давления моторного масла.jpg
Просмотров: 109
Размер:	80.5 Кб
ID:	11835  
23.11.2015, 18:12   #7
valerey
Спасибо большое. А по поводу если из картера двигателя это проблема большая, я так понимаю?
23.11.2015, 18:18   #8
Владимир Маркин
Аватар для Владимир Маркин
Сообщение от valerey Посмотреть сообщение
А по поводу если из картера двигателя это проблема большая, я так понимаю?
Верно...
23.11.2015, 19:39   #9
valerey
Спасибо большое!

Метки
масло, чуть



Левый уголок Похожие темы Правый уголок
Тема Автор Раздел Ответов Последнее сообщение
[9PA] Масло в коробке EvgenyTaukchi Трансмиссия, АКПП, МКПП 1 02.11.2015 23:07
[92A] Подтекает антифриз. Лужа в районе районе порога водительской двери. privateer812 Вопросы специалистам 10 23.04.2015 15:43
[9PA1] Подтекает масло из двигателя valerey Вопросы специалистам 9 01.10.2014 22:38
Масло в ГУР Zaeetc Вопросы специалистам 2 15.10.2010 09:31
Масло в ГУР????? Ботаник Вопросы специалистам 3 19.03.2010 21:16



Powered by vBulletin® Version 3.8.7
Copyright ©2000 - 2025, vBulletin Solutions, Inc. Перевод: zCarot
Все права на материалы, находящиеся на сайте, охраняются в соответствии с законодательством РФ.
При любом использовании материалов сайта, письменное согласие обязательно.
Торговые марки, логотипы и марки услуг, размещенные на данном сайте, являются собственностью их владельцев.
CayService.ru не связан с Porsche AG или PCNA. ©2025 CayService.ru. Все права защищены.
Яндекс.Метрика