Правила форума Clear

987-2 производство 2009>>2012 (S;U) Спортивная система выпуска ОГ (I-№ 176) Carrera Coupe

07.11.2019, 21:59   #1
Владимир Маркин
Аватар для Владимир Маркин
Модельный год От 2009

Причина: Дооснащение

Ограничение: НЕ допущено для автомобилей с комплектом повышения мощности (I-№ X51).

Указания:

При спортивной системе выпуска ОГ сигнал, используемый для активирования крышек в основных глушителях, поступает от соответствующей актуальной характеристики в блоке управления DME (SG DME). Она, в частности, зависит от режима движения и положения педали акселератора.

Активирование или деактивирование спортивной системы выпуска ОГ осуществляется через новую консоль переключателей с дополнительной кнопкой "Сдвоенная выпускная труба".
Если диоды в кнопке "Сдвоенная выпускная труба" светятся, то спортивная система выпуска отработавших газов активна (отчетливо слышен звук выпуска ОГ).

Время регулирования после нажатия кнопки зависит от времени реакции пневматики и составляет ок. 1-2 секунд.

Мощность двигателя и поведение системы выпуска ОГ автомобиля не меняются.

Перечень:

Информация

Проверить, содержатся ли в поставленном комплекте деталей распорные втулки на 13 мм (для стяжной ленты предварительного глушителя, см. последнюю позицию в перечне).

НЕТ:
проверить, установлены ли уже на подлежащем переоборудованию автомобиле стяжные ленты с распорными втулками. В этом случае распорные втулки могут использоваться повторно.
Если нет, заказать распорные втулки (2 шт.) отдельно.

ВАЖНО: для этого см. также сервисную акцию W913!

997.111.511.31 1 шт Дополнительный глушитель левый, ряд цилиндров 4–6 -1-

997.111.512.31 1 шт Дополнительный глушитель правый, ряд цилиндров 1–3 -2-

997.111.113.30 2 x Фланцевое уплотнение -3-

997.113.119.31 2 x Стяжная лента -4-

997.111.220.30 2 x Зажимная втулка -5-

997.111.159.32
1 шт Предварительный глушитель -6-

997.111.982.32 1 шт Выпускная труба справа -7-

997.111.981.32 1 шт Выпускная труба слева -8-

997.612.905.25 1 x Жгут проводов -9-, состоящий из:
жгутов проводов, корпусов гнездовых и штифтовых контактов
999.507.075.40 2 x Держатель (направляющая гибкой стальной трубки справа) -10-

999.507.148.40 1 шт Держатель (крепление тройника на трубке отопителя) -11-

999.507.902.40 1 шт Держатель (направляющая гибкой стальной трубки слева) -12-

928.574.717.05 2 x Защитный шланг изогнутый -13-

900.067.362.01 2 x Винт стяжной ленты (M8 x 50) -14-

997.111.989.30 1 шт Держатель переключающего клапана -15-

996.605.123.01 1 шт Переключающий клапан -16-

928.573.727.05 2 x Тройник (Y-образный тройник) -17-

999.239.042.40 2 x Воздушный шланг прямой -18-

997.110.016.00 2 x Гибкая стальная трубка 300 мм с зажимной втулкой -19-

900.380.005.01 8 x Гайка M8 (без рис.)
900.910.003.03 6 x Гайка для фланца с 3 отверстиями (без рис.)
999.512.361.02 2 x Шланговый хомут (верх. рис.)
999.181.852.40 2 x Труба (вакуумный трубопровод) 4 x 1 x 1650 мм, (без рис.)
999.651.401.01 3 шт Кронштейн (управляющий канал к кронштейну опоры двигателя), (без рис.)
999.513.076.40 10 x Кабельный хомут (верх. рис.)
999.507.865.40 3 шт Держатель (крепление питающего трубопровода на коробке передач, без рис.)
997.111.218.30 2 x Распорная втулка длиной 13 мм (для стяжной ленты предварительного глушителя, без рис.)

Материал:

000.043.204.82 1 шт Клеящаяся масса

— — — Стандартное средство для удаления ржавчины, например, WD40

— — — Изолента

Указания:

Характерные признаки в установленном состоянии:
дополнительные глушители помечены с наружной стороны следующим образом:
левый дополнительный глушитель (для ряда цилиндров 4–6): товарный знак Porsche; маркировка 997/35 и номер детали: 997.111.511.31;
правый дополнительный глушитель (для ряда цилиндров 1–3): товарный знак Porsche; маркировка 997/34 и номер детали: 997.111.512.32.
Предварительный глушитель помечен с наружной стороны следующим образом: товарный знак Porsche; маркировка 997/38 и номер детали: 997.111.159.32.

Маркировки можно считать с помощью зеркала или подобного.

В различных странах необходимо соблюдать соответствующие законодательные нормы.

Для стран-членов Евросоюза:
Описанная спортивная система выпуска ОГ представлена в сертификате соответствия нормам ЕС для автомобилей 911, начиная с e13*2001/116*0137*10 Rev. 09.

Действительно только для Федеративной Республики Германии:
Приемка монтажных/демонтажных работ в соответствии с § 19 или § 21 Технических требований к эксплуатации автомобиля и изменение автомобильной документации не требуется, так как тягово-сцепное устройство типизировано вместе с автомобилем на заводе.

Можно запросить данную выписку в Porsche Deutschland GmbH, отделе PDA.
В ответ на этот запрос предписанный монтаж компонентов должен быть подтвержден ответственным центром Porsche и передан клиенту.
Миниатюры:
Нажмите на изображение для увеличения
Название: Спортивная система выпуска ОГ.jpg
Просмотров: 189
Размер:	54.4 Кб
ID:	25347   Нажмите на изображение для увеличения
Название: Рис. 2.jpg
Просмотров: 326
Размер:	57.0 Кб
ID:	25348  
07.11.2019, 22:03   #2
Владимир Маркин
Аватар для Владимир Маркин
Инструмент:

Тестер PIWIS

VAS 1978/35-33 - Комплект разблокирующих инструментов

VAS 1978/14A - Фен VAS 1978/1A - Щипцы для обжима

Обзор:

Информация

Для лучшего понимания показан обзор (блок-схема) монтируемых деталей и задействованных систем/деталей.

Положение вакуумных трубопроводов для двигателя объемом 3,6 л с МКПП:

10 Держатель (направляющая гибкой стальной оплетки справа)

11 Держатель (крепление тройника на трубе отопителя)

12 Держатель (направляющая гибкой стальной оплетки слева)

13 Защитный шланг, изогнутый

15 Держатель переключающего клапана

16 Переключающий клапан

17 Тройник (Y-образный тройник)

18 Воздушный шланг, прямой

19 Гибкая стальная оплетка

20 Вакуумный трубопровод (управляющий канал) 4 x 1 x 860 мм

21 Вакуумный трубопровод (управляющий канал) 4 x 1 x 60 мм

22 Вакуумный трубопровод (распределительный трубопровод) 4 x 1 x 1200 мм

23 Кронштейн (крепление распределительного трубопровода 4 x 1 x 1200 мм на коробке передач)

25 Вакуумный трубопровод (управляющий канал) 4 x 1 x 230 мм

A Кронштейн (крепление распределительного трубопровода 4 x 1 x 1200 мм) сбоку на коробке передач, установлен серийно

B Соединительный штуцер вакуумного трубопровода (усилитель тормозного привода), установлен серийно
Миниатюры:
Нажмите на изображение для увеличения
Название: Рис. 3.jpg
Просмотров: 204
Размер:	43.6 Кб
ID:	25349  
07.11.2019, 22:05   #3
Владимир Маркин
Аватар для Владимир Маркин
Расположение вакуумных трубопроводов для двигателя объемом 3,6 л с коробкой передач Porsche Doppel Kupplung (PDK):

10 Держатель (направляющая гибкой стальной оплетки справа)

11 Держатель (крепление тройника на трубе отопителя)

12 Держатель (направляющая гибкой стальной оплетки слева)

13 Защитный шланг, изогнутый

15 Держатель переключающего клапана

16 Переключающий клапан

17 Тройник (Y-образный тройник)

18 Воздушный шланг, прямой

19 Гибкая стальная отплетка

20 Вакуумный трубопровод (управляющий канал) 4 x 1 x 860 мм

21 Вакуумный трубопровод (управляющий канал) 4 x 1 x 60 мм

22 Вакуумный трубопровод (распределительный трубопровод) 4 x 1 x 1200 мм

23 Кронштейн (крепление распределительного трубопровода 4 x 1 x 1200 мм на коробке передач)

25 Вакуумный трубопровод (управляющий канал) 4 x 1 x 230 мм

A Кронштейн (крепление распределительного трубопровода 4 x 1 x 1200 мм) сбоку на коробке передач, установлен серийно

B Соединительный штуцер вакуумного трубопровода (усилитель тормозного привода), установлен серийно
Миниатюры:
Нажмите на изображение для увеличения
Название: Рис. 4.jpg
Просмотров: 154
Размер:	43.0 Кб
ID:	25350  
07.11.2019, 22:07   #4
Владимир Маркин
Аватар для Владимир Маркин
Положение вакуумных трубопроводов двигателя с объемом 3,8 л:

10 Держатель (направляющая гибкой стальной оплетки справа)

11 Держатель (крепление тройника на трубе отопителя)

12 Держатель (направляющая гибкой стальной оплетки слева)

13 Защитный шланг, изогнутый

15 Держатель переключающего клапана

16 Переключающий клапан

17 Тройник (Y-образный тройник)

19 Гибкая стальная отплетка

20 Вакуумный трубопровод (управляющий канал) 4 x 1 x 860 мм

21 Вакуумный трубопровод (управляющий канал) 4 x 1 x 60 мм

25 Вакуумный трубопровод (управляющий канал) 4 x 1 x 230 мм

26 Вакуумный трубопровод (распределительный трубопровод) 4 x 1 x 280 мм

C Защитный шланг, серийный

D Переключающий клапан на корпусе воздушного фильтра

E Вакуумный трубопровод (4 x 1 x 410 мм, укороченный серийно распределительный трубопровод к корпусу воздушного фильтра)

F Вакуумный трубопровод (укороченный серийно распределительный трубопровод к корпусу воздушного фильтра)
Миниатюры:
Нажмите на изображение для увеличения
Название: Рис. 5.jpg
Просмотров: 174
Размер:	54.3 Кб
ID:	25351  
07.11.2019, 22:13   #5
Владимир Маркин
Аватар для Владимир Маркин
Монтаж:

1 Подготовительные работы.

1.1 Снять корпус воздушного фильтра.

1.2 ТОЛЬКО автомобили с двигателем 3.6 л:
Снять заднюю облицовку днища.

1.3 Выкрутить два боковых крепежных винта на облицовке задней части кузова справа и слева.

1.4 Снять оба основных глушителя, включая насадки на выпускные трубы.

1.5 Демонтировать предварительный глушитель.

2 Установить держатели для направляющей гибких стальных оплеток.

2.1

Информация

На рисунке изображено положение кронштейна при снятом двигателе.

Установить держатели -10- для направляющей гибкой стальной оплетки в крышке клапана -G- справа.

2.2

Информация

На рисунке изображено положение кронштейна при снятом двигателе.

Установить держатель -12- к направляющей гибкой стальной оплетки слева на крышке системы вентиляции картера-H-.

3 Установить переключающий клапан.

3.1 Установить переключающий клапан -16- на держатель переключающего клапана -15-.

3.2 Вывинтить винт с внешней головкой -стрелка- на впускном модуле впереди справа.

Закрепить держатель переключающего клапана на распределителе впускного воздуха винтом с внешней головкой.
Момент затяжки 13 Nm
Миниатюры:
Нажмите на изображение для увеличения
Название: Рис. 6.jpg
Просмотров: 222
Размер:	103.9 Кб
ID:	25352   Нажмите на изображение для увеличения
Название: Рис. 7.jpg
Просмотров: 186
Размер:	60.6 Кб
ID:	25353   Нажмите на изображение для увеличения
Название: Рис. 8.jpg
Просмотров: 271
Размер:	33.4 Кб
ID:	25354   Нажмите на изображение для увеличения
Название: Рис. 9.jpg
Просмотров: 325
Размер:	62.6 Кб
ID:	25355  
07.11.2019, 22:19   #6
Владимир Маркин
Аватар для Владимир Маркин
4 Внимание

Повреждение электропроводки и/или шлангов (вакуумных) в результате их неправильной прокладки.

Соблюдать достаточное расстояние между компонентами, которые во время езды подвергаются воздействию высоких температур.

Избегать маленьких радиусов изгиба.

Информация

Вставить вакуумные трубопроводы не менее чем на 10 мм в свободные концы Y-образного тройника.

ТОЛЬКО автомобили с двигателем 3.6 л:
проложить и подключить вакуумный трубопровод (питающий трубопровод).

4.1 Отрезать 1200 мм вакуумного трубопровода от трубы (4 x 1 x 1650 мм).

4.2 ТОЛЬКО автомобили с двигателем 3.6 л и PDK:

4.2.1 Снять вакуумный трубопровод с серийно изогнутым защитным шлангом -стрелка- с соединительного штуцера вакуумного трубопровода -B-.

4.2.2 Снять серийно изогнутый защитный шланг с вакуумного трубопровода.

4.2.3 Вставить вакуумный трубопровод (1200 мм) и серийный вакуумный трубопровод -стрелка- в тройник и затем установить тройник на соединительный штуцер вакуумного трубопровода -B-.

4.3 ТОЛЬКО автомобили с двигателем 3.6 л и механической коробкой передач:

4.3.1 снять заглушку с соединительного штуцера вакуумного трубопровода.

4.3.2 Вставить вакуумный трубопровод (1200 мм) в прямой защитный шланг (поз. 18 в спецификации).

4.3.3 Установить прямой защитный шланг на соединительный штуцер вакуумного трубопровода.

4.4 Проложить вакуумный трубопровод (1200 мм) -22- через держатель -A- на коробке передач сбоку справа (рядом с сенсором датчика частоты вращения) к моторному отсеку.

Закрепить вакуумный трубопровод (1200 мм) к масляному поддону коробки передач тремя держателями -23-.

4.5 ТОЛЬКО автомобили с двигателем 3.6 л:
надеть прямой защитный шланг -18- на вакуумный трубопровод -22- и затем смонтировать защитный шланг на прямой разъем на переключающем клапане.
Миниатюры:
Нажмите на изображение для увеличения
Название: Рис. 10.jpg
Просмотров: 193
Размер:	69.3 Кб
ID:	25356   Нажмите на изображение для увеличения
Название: Рис. 11.jpg
Просмотров: 211
Размер:	60.8 Кб
ID:	25357   Нажмите на изображение для увеличения
Название: Рис. 12.jpg
Просмотров: 243
Размер:	113.6 Кб
ID:	25358   Нажмите на изображение для увеличения
Название: Рис. 13.jpg
Просмотров: 191
Размер:	70.1 Кб
ID:	25359   Нажмите на изображение для увеличения
Название: Рис. 14.jpg
Просмотров: 215
Размер:	69.8 Кб
ID:	25360  

07.11.2019, 22:22   #7
Владимир Маркин
Аватар для Владимир Маркин
5 ТОЛЬКО автомобили с двигателем 3.8 л:
проложить и подключить вакуумный трубопровод (питающий трубопровод).

5.1 Укоротить серийный вакуумный трубопровод для переключающего клапана на корпусе воздушного фильтра.
Длина вакуумного трубопровода -E- от разъема на корпусе воздушного фильтра
X = 410 мм

5.2 Вставить укороченные серийные вакуумные трубопроводы -E, F- в тройник -17-.

5.3 Отрезать вакуумный трубопровод (280 мм) от приложенной трубы (4 x 1 x 1650 мм).

5.4 Проложить вакуумный трубопровод под кабельным каналом к переключающему клапану и затем вставить второй конец вакуумного трубопровода (280 мм) в тройник -17-.

5.5 Надеть изогнутый защитный шланг -13- на вакуумный трубопровод (280 мм) -26-.

5.6 Надеть изогнутый защитный шланг -13- на прямой штуцер переключающего клапана -16-.

5.7 Зафиксировать вакуумные трубопроводы -стрелки- в кабельном канале.
Миниатюры:
Нажмите на изображение для увеличения
Название: Рис. 15.jpg
Просмотров: 193
Размер:	67.0 Кб
ID:	25361   Нажмите на изображение для увеличения
Название: Рис. 16.jpg
Просмотров: 233
Размер:	51.6 Кб
ID:	25362   Нажмите на изображение для увеличения
Название: Рис. 17.jpg
Просмотров: 210
Размер:	69.0 Кб
ID:	25363  
07.11.2019, 22:27   #8
Владимир Маркин
Аватар для Владимир Маркин
6 Проложить вакуумные трубопроводы (управляющие каналы).

6.1 Установка зажима шланга на кронштейн опоры двигателя -стрелка-

6.2 Отрезать три вакуумных трубопровода с длинами 60, 230 и 860 мм от прилагаемой трубы (4 x 1 x 1650 мм).

6.3 Собрать комплект вакуумных трубопроводов.

6.3.1 Вставить вакуумный трубопровод (60 мм) -21- и вакуумный трубопровод (860 мм) -20- в гибкие стальные оплетки -19- и закрепить зажимной гильзой -лупа A-.

6.3.2 Вставить вакуумные трубопроводы (60 мм, 230 мм, 860 мм) -21, 25, 20- в тройник -17-.

6.3.3 Надеть шланговые хомуты -лупа B- на гибкие стальные оплетки.

6.4 Проложить комплект вакуумных трубопроводов.

6.4.1

Информация

На рисунке изображено монтажное положение кронштейна при снятом двигателе.

Проложить комплект вакуумных трубопроводов под трубкой отопителя и позади кабельного канала к переключающему клапану.

6.4.2 Закрепить тройник -17- на трубке отопителя с помощью держателя -23-.

6.4.3 Вставить вакуумный трубопровод (230 мм) -25- в изогнутый защитный шланг -13- и подсоединить защитный шланг к боковому разъему переключающего клапана -16-.

6.4.4 Разместить гибкие стальные оплетки -19- в держателях -10, 12- и замкнуть держатели.

6.4.5 Установить вакуумный трубопровод в держатель -стрелки-.
Миниатюры:
Нажмите на изображение для увеличения
Название: Рис. 18.jpg
Просмотров: 181
Размер:	72.4 Кб
ID:	25364   Нажмите на изображение для увеличения
Название: Рис. 19.jpg
Просмотров: 183
Размер:	50.4 Кб
ID:	25365   Нажмите на изображение для увеличения
Название: Рис. 20.jpg
Просмотров: 189
Размер:	63.6 Кб
ID:	25366   Нажмите на изображение для увеличения
Название: Рис. 21.jpg
Просмотров: 151
Размер:	51.4 Кб
ID:	25367   Нажмите на изображение для увеличения
Название: Рис. 22.jpg
Просмотров: 170
Размер:	48.9 Кб
ID:	25368  

07.11.2019, 22:36   #9
Владимир Маркин
Аватар для Владимир Маркин
7 Установить спортивную систему выпуска ОГ.

7.1 Установить предварительный глушитель.

7.1.1 ТОЛЬКО комплект с предварительным глушителем:
установить новый предварительный глушитель с новыми крепежными хомутами и распорной втулкой со стороны автомобиля или с новой распорной втулкой.

7.1.2 ТОЛЬКО комплект без предварительного глушителя:
Установить серийный предварительный глушитель с новыми крепежными хомутами и распорной втулкой со стороны автомобиля или с новой распорной втулкой.

7.2 Снять подкос с серийных основных глушителей и установить с новыми гайками -стрелки- на новый -I- основной глушитель.
Момент затяжки 23 Nm

7.3 Установить новые основные глушители.

7.3.1 Основные глушители устанавливать с помощью второго механика.

7.3.2
Информация

Место на левом основном глушителе ограничено.

Закрепить гибкую стальную отплетку -19- на вакуумном резервуаре с помощью шлангового хомута -стрелка-.

7.3.3 Закрепить основные глушители.

7.3.4 Затянуть боковые крепежные винты на облицовке задней части кузова.

7.4 Установить насадки выпускных труб -A-.

Информация

Винт с внутренним шестигранником стрелка B не ослаблять! Он был смонтирован производителем со стопорными элементами резьбового соединения и моментом затяжки.

7.4.1

Информация

Не допускается прилегание оправки -29- к выпускной трубе -28-.

Надеть насадку на выпускную трубу.

7.4.2 Затянуть от руки хомут -стрелка A- на насадке выпускной трубы и выставить насадку выпускной трубы относительно выреза в облицовке задней части кузова.

X Расстояние до облицовки задней части кузова сверху снаружи: Ширина зазора 17,5 mm +/- 1 mm

Y Расстояние до облицовки задней части кузова сверху изнутри: Ширина зазора 21 mm +/- 1 mm

Z Расстояние до облицовки задней части кузова изнутри: Ширина зазора 19 mm +/- 1 mm

U Выступание насадки выпускной трубы (внутренняя труба) -стрелки- к облицовке задней части кузова: Ширина зазора 6 mm +/- 1 mm

7.4.3 Затянуть хомут на насадке выпускной трубы.
Момент затяжки 30 Nm

7.5 ТОЛЬКО автомобили с двигателем 3.6 л:
установить заднюю облицовку днища.
Миниатюры:
Нажмите на изображение для увеличения
Название: Рис. 23.jpg
Просмотров: 184
Размер:	47.0 Кб
ID:	25369   Нажмите на изображение для увеличения
Название: Рис. 24.jpg
Просмотров: 179
Размер:	56.8 Кб
ID:	25370   Нажмите на изображение для увеличения
Название: Рис. 25.jpg
Просмотров: 167
Размер:	89.9 Кб
ID:	25371   Нажмите на изображение для увеличения
Название: Рис. 26.jpg
Просмотров: 165
Размер:	40.8 Кб
ID:	25372   Нажмите на изображение для увеличения
Название: Рис. 27.jpg
Просмотров: 168
Размер:	66.0 Кб
ID:	25373  

07.11.2019, 22:41   #10
Владимир Маркин
Аватар для Владимир Маркин
8 Проложить и подключить жгут проводов.

8.1 Подготовительные работы.

8.1.1 Отсоединить АКБ.

8.1.2 Снять панель переключателей.

8.1.3 Снять вещевой отсек.

8.1.4 Отсоединить центральную консоль в сборе, но не снимать!

8.1.5 Снять переднюю левую обшивку боковины.

8.1.6 Снять облицовку под рулевым колесом.

8.1.7 Снять накладку левого порога.

8.1.8 ТОЛЬКО автомобили с аудиосистемой объемного звучания Bosе (I-№ 680):
Снять сабвуфер.

8.1.9 Снять обшивку потолка.

8.1.10 Снять облицовку углубления сиденья.

8.1.11 Отсоединить крепежные пластины блока управления DME.

8.1.12 Снять крепежные пластины держателя реле.

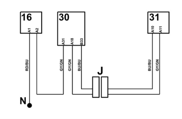
8.2

Информация

Для лучшего понимания показан обзор (блок-схема) монтируемых деталей и задействованных систем/деталей.

Блок-схема.

30 Блок управления DME

16 Переключающий клапан

31 Кнопка спортивной системы выпуска ОГ

J Место разъединения X2_1

N Сросток 090 (кл. 87) держателя реле 2
Миниатюры:
Нажмите на изображение для увеличения
Название: Рис. 28.jpg
Просмотров: 193
Размер:	20.6 Кб
ID:	25374  

Метки
carrera, coupé, вакуумный, выпуск, глушитель, система, снять, спортивный, трубопровод



Левый уголок Похожие темы Правый уголок
Тема Автор Раздел Ответов Последнее сообщение
[997-2] Режим Sport Carrera Coupe Владимир Маркин Установка и переоснащение Tequipment 0 07.11.2019 21:45
Porsche представляет новый 911 Carrera Coupé и 911 Carrera Cabriolet Владимир Маркин Новости Porsche 0 30.07.2019 11:24
460-сильный двигатель V8 битурбо, спортивная ходовая часть и богатая комплектация Владимир Маркин Новости Porsche 0 16.10.2018 12:32
Система TECHART Noselift для 991 Carrera/Turbo Владимир Маркин Внешний вид 7 11.08.2015 23:16
[92A] VR6-двигатель: Обледеневшая система выпуска ОГ Владимир Маркин Система питания 0 03.12.2014 21:44



Powered by vBulletin® Version 3.8.7
Copyright ©2000 - 2025, vBulletin Solutions, Inc. Перевод: zCarot
Все права на материалы, находящиеся на сайте, охраняются в соответствии с законодательством РФ.
При любом использовании материалов сайта, письменное согласие обязательно.
Торговые марки, логотипы и марки услуг, размещенные на данном сайте, являются собственностью их владельцев.
CayService.ru не связан с Porsche AG или PCNA. ©2025 CayService.ru. Все права защищены.
Яндекс.Метрика