Правила форума Clear

92A производство 2011>>2018 (K;L) 4.8 ошибки по пропускам зажигания?

21.08.2020, 23:39   #1
SergeyShalaev
Здравствуй помогите советом. Ситуация такая автомобиль cayenne s (92a) с двигателем 4.8 появились ошибки p1364, p1373, p1375, p1376. Я предположил что эти ошибки указывают на пропуски зажигания, связи с этим были заменены свечи зажигания ( старые в плохом состоянии). Поменял катушки зажигания местами, но ошибки остаются те-же самые (КОМПРЕССИЯ 21 бар, везде). Что может быть?
23.08.2020, 17:43   #2
Владимир Маркин
Аватар для Владимир Маркин
Сообщение от SergeyShalaev Посмотреть сообщение
Здравствуй
Добрый день

Сообщение от SergeyShalaev Посмотреть сообщение
p1364
https://forum.cayservice.ru/showthre...900#post135900

Сообщение от SergeyShalaev Посмотреть сообщение
p1373
https://forum.cayservice.ru/showthre...901#post135901

Сообщение от SergeyShalaev Посмотреть сообщение
p1375
https://forum.cayservice.ru/showthre...902#post135902

Сообщение от SergeyShalaev Посмотреть сообщение
p1376
https://forum.cayservice.ru/showthre...904#post135904
23.08.2020, 17:48   #3
Владимир Маркин
Аватар для Владимир Маркин
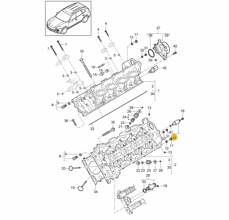
Сообщение от SergeyShalaev Посмотреть сообщение
Что может быть?
Логично предположить, что проблема в неработающем эл. магнитном клапане хода клапанов...
Миниатюры:
Нажмите на изображение для увеличения
Название: Клапан.jpg
Просмотров: 1068
Размер:	88.5 Кб
ID:	34015   Нажмите на изображение для увеличения
Название: 94810530803.jpg
Просмотров: 1026
Размер:	25.9 Кб
ID:	34016  
25.08.2020, 06:51   #4
SergeyShalaev
Спасибо огромное за помощь
04.05.2024, 17:28   #5
tissot
Сообщение от SergeyShalaev Посмотреть сообщение
Спасибо огромное за помощь
Скажите, Сергей, решилась проблема?

Метки
cayservice, forum, https, showthread, зажигание, клапан, ошибка, пропуск



Левый уголок Похожие темы Правый уголок
Тема Автор Раздел Ответов Последнее сообщение
[9PA] Катушки зажигания optika Вопросы специалистам 1 07.05.2019 12:30
[9PA1] Катушки зажигания - GTS it_manager Вопросы специалистам 14 21.12.2018 07:58
[92A] Пропуски зажигания Алексей0882 Двигатель 10 01.10.2018 21:30
[9PA] Катушки Зажигания на 955 Ilya NU Вопросы специалистам 5 20.04.2017 17:06
[9PA1] Свечи зажигания! Oleg777 Двигатель 1 14.06.2016 21:10



Powered by vBulletin® Version 3.8.7
Copyright ©2000 - 2025, vBulletin Solutions, Inc. Перевод: zCarot
Все права на материалы, находящиеся на сайте, охраняются в соответствии с законодательством РФ.
При любом использовании материалов сайта, письменное согласие обязательно.
Торговые марки, логотипы и марки услуг, размещенные на данном сайте, являются собственностью их владельцев.
CayService.ru не связан с Porsche AG или PCNA. ©2025 CayService.ru. Все права защищены.
Яндекс.Метрика