Правила форума Clear

9PA производство 2003>>2006 (L) Сервоприводы климатконтроля 9PA

09.10.2015, 20:04   #1
Исмаил
Добрый день,Владимир помогите пожалуйста дует с права теплым воздухом с лева холодным, показывает ошибку 1809 на Порше кайенс 2003 года какую именно датчик надо поменять .Там их сем штук подскажите какую. Номера снизу. Спасибо.
почему в порше кайен холодно ногам?

95562490101 сервопривод заслонки обдува лобового стекла
95562490501 сервопривод заслонки бокового дефлектора левой стороны
95562490201 сервопривод заслонки бокового дефлектора правой стороны
95562490701 сервопривод температурной заслонки левая сторона (водителя)
95562490601 сервопривод заслонки пространства для ног
95562490801 сервопривод температурной заслонки правая сторона
95562491501 сервопривод заслонки рециркуляции воздуха в салоне
09.10.2015, 20:45   #2
Владимир Маркин
Аватар для Владимир Маркин
Сообщение от Исмаил Посмотреть сообщение
Добрый день,Владимир
Добрый вечер, Исмаил.

Сообщение от Исмаил Посмотреть сообщение
помогите пожалуйста дует с права теплым воздухом с лева холодным, показывает ошибку 1809 на Порше кайенс 2003 года какую именно датчик надо поменять .Там их сем штук подскажите какую.
95562490701 сервопривод левой температурной заслонки
Миниатюры:
Нажмите на изображение для увеличения
Название: Сервоприводы.jpg
Просмотров: 791
Размер:	27.0 Кб
ID:	11656  
Вложения:
Тип файла: pdf 1809_ka0201.pdf (36.6 Кб, 562 просмотров)
10.10.2018, 12:13   #3
павел1984
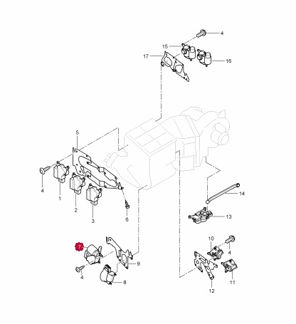
владимир здравствуйте . напишите пожалуйста на схеме какой сервопривод за что отвечает. спасибо за ранее!
10.10.2018, 13:20   #4
Владимир Маркин
Аватар для Владимир Маркин
Сообщение от павел1984 Посмотреть сообщение
владимир здравствуйте .
Добрый день!

Сообщение от павел1984 Посмотреть сообщение
напишите пожалуйста на схеме какой сервопривод за что отвечает. спасибо за ранее!
Климат-контроль 2C-Climatronic.....
Миниатюры:
Нажмите на изображение для увеличения
Название: Заслонки и серводвигатели в кондиционере.jpg
Просмотров: 862
Размер:	77.8 Кб
ID:	18570  
13.11.2018, 23:04   #5
Домье
Аватар для Домье
Добрый вечер , чтобы все 7 сервоприводов поменять имеет смысл всю облицовку торпедо снять или снизу ковырять? есть ли вероятность что торпеда потом будет скрипеть ?
14.11.2018, 09:51   #6
Владимир Маркин
Аватар для Владимир Маркин
Сообщение от Домье Посмотреть сообщение
Добрый вечер
Доброе утро.

Сообщение от Домье Посмотреть сообщение
чтобы все 7 сервоприводов поменять имеет смысл всю облицовку торпедо снять или снизу ковырять?
Накладки торпедо конечно нужно снять. Сама торпедо остается на месте.

Сообщение от Домье Посмотреть сообщение
есть ли вероятность что торпеда потом будет скрипеть ?
Если все противоскрипные полоски обновить или дополнительно наклеить в потенциальные места (профилактически), скрипеть ничего не будет.
14.11.2018, 11:37   #7
Домье
Аватар для Домье
а какие места потенциально опасные , полоски оригинальные продаются ?
14.11.2018, 12:05   #8
Владимир Маркин
Аватар для Владимир Маркин
Сообщение от Домье Посмотреть сообщение
а какие места потенциально опасные
Везде где соприкасаются детали

Сообщение от Домье Посмотреть сообщение
полоски оригинальные продаются
Можно использовать любую матерчатую, ворсовую изоленту. Например TESA 51608 (изолента с ворсом) 19мм х 15м
Миниатюры:
Нажмите на изображение для увеличения
Название: Изолента с ворсом.jpg
Просмотров: 209
Размер:	88.1 Кб
ID:	18866  
14.11.2018, 21:15   #9
Домье
Аватар для Домье
как раз про нее и подумал , когда противоскрипные ленты искал.
все под рукой оказалось
Миниатюры:
Нажмите на изображение для увеличения
Название: 20181114_201750_resized.jpg
Просмотров: 182
Размер:	66.7 Кб
ID:	18879  
14.11.2018, 21:24   #10
Владимир Маркин
Аватар для Владимир Маркин
Сообщение от Домье Посмотреть сообщение
как раз про нее и подумал , когда противоскрипные ленты искал.
все под рукой оказалось
Отлично! Тогда за дело.

Метки
изолента, климатконтроль, меню, место, нужный, пивис, сервопривод, снимать, снять, стоить, торпедо



Левый уголок Похожие темы Правый уголок
Тема Автор Раздел Ответов Последнее сообщение
[9PA] Сервоприводы Иван Вопросы специалистам 54 06.10.2021 15:58
[ПРОДАМ] Сервоприводы печки на 955 - новые Scynet Установка и переоснащение (Tequipment) 4 14.03.2013 15:25



Powered by vBulletin® Version 3.8.7
Copyright ©2000 - 2025, vBulletin Solutions, Inc. Перевод: zCarot
Все права на материалы, находящиеся на сайте, охраняются в соответствии с законодательством РФ.
При любом использовании материалов сайта, письменное согласие обязательно.
Торговые марки, логотипы и марки услуг, размещенные на данном сайте, являются собственностью их владельцев.
CayService.ru не связан с Porsche AG или PCNA. ©2025 CayService.ru. Все права защищены.
Яндекс.Метрика