Правила форума Clear

Климат контроль, ошибки 2101 0657

22.08.2014, 15:03   #1
vaxa20
Приветствую всех . Почитал климат висят не стираемые ошибки по сервомоторам. 2101 бокового дифлектора и 0657 центрального дифлектора. Подскажите пожалуйсто где они стоят , не могу найти информацию . Если есть возможность номера их, чтоб заказать.
22.08.2014, 15:09   #2
Владимир Маркин
Аватар для Владимир Маркин
Приветствую.
Какого года машина и с каким двигателем?.... а лучше VIN...
22.08.2014, 15:11   #3
vaxa20
2003г 4.5л турбо 450лс wp1ac29p64la90393
22.08.2014, 16:02   #4
Владимир Маркин
Аватар для Владимир Маркин
информация

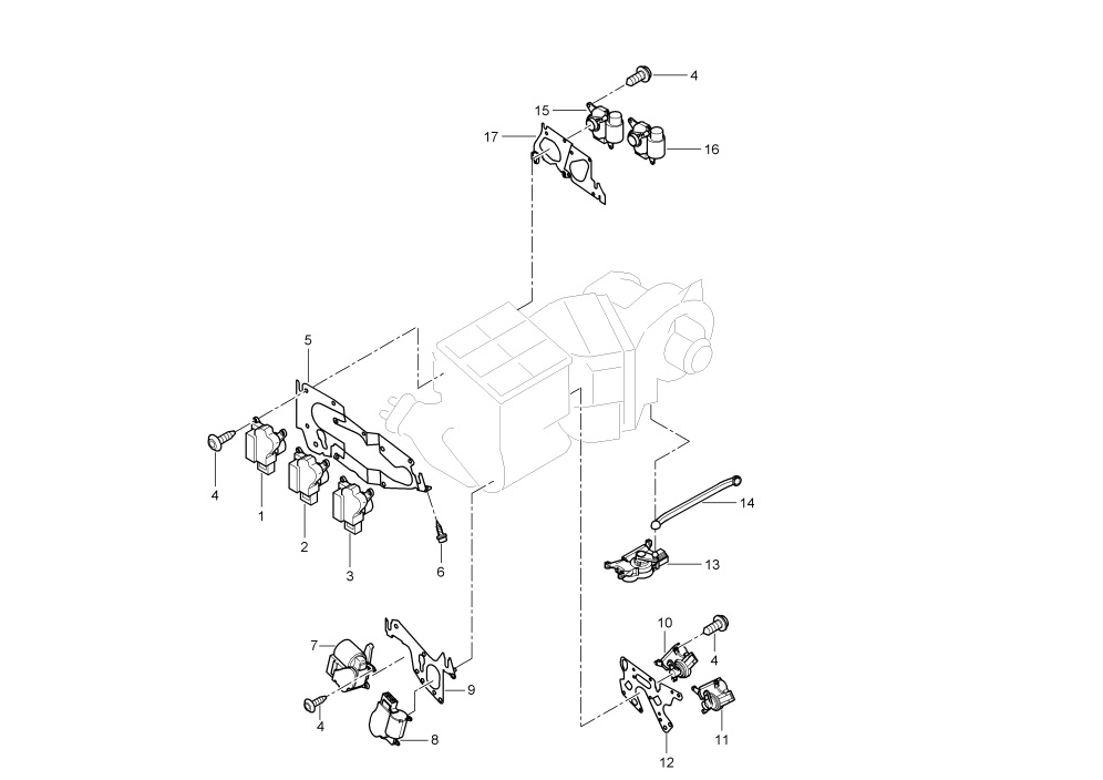
Исполнительный двигатель -B- системы кондиционирования – крайний левый – находится в корпусе системы кондиционирования, слева.
Исполнительный двигатель -C- системы кондиционирования – центральный левый – находится в корпусе системы кондиционирования, слева.
На автомобилях с ручной регулировкой системы кондиционирования отдельные исполнительные двигатели -B и C- на обеих сторонах корпуса системы кондиционирования не устанавливаются. Их заменяет один исполнительный двигатель, который установлен на левой стороне корпуса системы кондиционирования на месте исполнительного двигателя -B- .
Перед началом работ: выключить зажигание, и извлечь ключ из замка
A - Исполнительный двигатель распределительной заслонки обдува стекла
B - Исполнительный двигатель распределительной заслонки бокового дефлектора
C - Исполнительный двигатель распределительной заслонки центральных дефлекторов
D - Исполнительный двигатель температурной заслонки (левая сторона)
E - Исполнительный двигатель распределительной заслонки дефлектора пространства для ног
Миниатюры:
Нажмите на изображение для увеличения
Название: 80110001.jpg
Просмотров: 255
Размер:	26.5 Кб
ID:	9353   Нажмите на изображение для увеличения
Название: сервоприводы заслонок.jpg
Просмотров: 241
Размер:	63.8 Кб
ID:	9355  
22.08.2014, 16:10   #5
Владимир Маркин
Аватар для Владимир Маркин
95562490501 сервопривод боковой заслонки дефлектора воздухообдува
95562490201 сервопривод заслонки среднего дефлектора воздухообдува
22.08.2014, 16:15   #6
vaxa20
Спасибо большое.
27.09.2014, 19:15   #7
vaxa20
Подскажите еще пожалуйсто, эти сервоприводы можно поменять без снятия торпеды???
27.09.2014, 20:06   #8
Владимир Маркин
Аватар для Владимир Маркин
Сообщение от vaxa20 Посмотреть сообщение
Подскажите еще пожалуйсто, эти сервоприводы можно поменять без снятия торпеды???
все сервоприводы меняются без снятия торпедо...

Метки
климат, контроль





Powered by vBulletin® Version 3.8.7
Copyright ©2000 - 2025, vBulletin Solutions, Inc. Перевод: zCarot
Все права на материалы, находящиеся на сайте, охраняются в соответствии с законодательством РФ.
При любом использовании материалов сайта, письменное согласие обязательно.
Торговые марки, логотипы и марки услуг, размещенные на данном сайте, являются собственностью их владельцев.
CayService.ru не связан с Porsche AG или PCNA. ©2025 CayService.ru. Все права защищены.
Яндекс.Метрика