Правила форума Clear

9PA производство 2003>>2006 (L) Нужна помощь по блоку предохранителей под капотом 4.5s CAYENNE S V8 TIPTRONIC (9PAAE1)

12.02.2023, 12:16   #1
semistorr
Всех приветствую,парни нужна схема подключения предов и реле под капотом,особенно как питание подходит(где постоянное а где от замка).А то там мастера натворили делов.В кратце вопрос по реле бензонасосов и главному.На реле бензонасосов нет минусового сигнала(на ножку 2 на реле,3 и 1—12вольт.)Минус кидаешь,насосы шуршат.Эти проводки тонкие на ножку 2реле,один зеленый с синей полосой(прав насос получается—реле рядом с реле стартера),второй бежевый с красной(если не ошибаюсь—левый),уходят в косу до эбу.Это первое.главное реле.Там вообще не вьеду.Напишу как у меня сейчас.87—минус пост,86—постоянный + от предохранителя главн реле(на перед.тоже пост плюс) 30—пост +.и тонкая ножка 85—2вольта постоянно.Машина 4.5 S, WP1AB29P55LA64212
12.02.2023, 18:24   #2
Владимир Маркин
Аватар для Владимир Маркин
Сообщение от semistorr Посмотреть сообщение
Всех приветствую
Добрый день

Сообщение от semistorr Посмотреть сообщение
WP1AB29P55LA64212
CAYENNE S V8 TIPTRONIC (9PAAE1)

Сообщение от semistorr Посмотреть сообщение
нужна схема подключения предов и реле под капотом
https://forum.cayservice.ru/showthre...%D1%8B+porsche
15.02.2023, 10:22   #3
semistorr
Благодарю,будем разбираться.
15.02.2023, 17:19   #4
semistorr
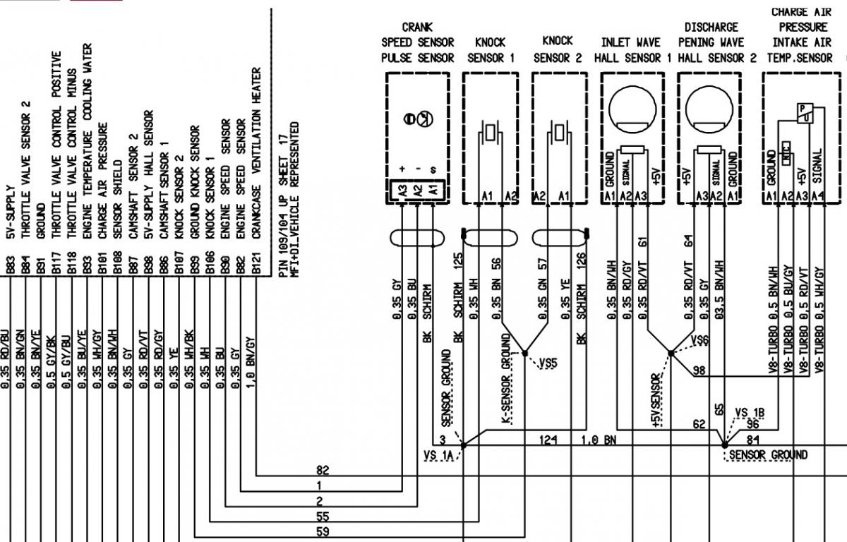
И вот еще,Владимир а вы не сможете подсказать порядок подключения проводов в разьеме дпкв(серый разьем из косы моторной,на нем контакты под провода с цыфрами 1-2-3.в него разьем дпкв подключается)У меня все провода из него прям под корень(из обжимки вылезли) и куда теперь какой не разберусь
15.02.2023, 20:39   #5
Владимир Маркин
Аватар для Владимир Маркин
Сообщение от semistorr Посмотреть сообщение
И вот еще,Владимир а вы не сможете подсказать порядок подключения проводов в разьеме дпкв(серый разьем из косы моторной,на нем контакты под провода с цыфрами 1-2-3.в него разьем дпкв подключается)У меня все провода из него прям под корень(из обжимки вылезли) и куда теперь какой не разберусь
.....
Миниатюры:
Нажмите на изображение для увеличения
Название: 1.jpg
Просмотров: 152
Размер:	30.2 Кб
ID:	63933   Нажмите на изображение для увеличения
Название: 2.jpg
Просмотров: 157
Размер:	56.4 Кб
ID:	63934   Нажмите на изображение для увеличения
Название: 3.jpg
Просмотров: 142
Размер:	157.2 Кб
ID:	63935  
19.02.2023, 18:52   #6
semistorr
Большое вам человеческое спасибо

Метки
блок, капот, нужный, помощь, предохранитель



Левый уголок Похожие темы Правый уголок
Тема Автор Раздел Ответов Последнее сообщение
[9PA1] РСМ нужна помощь !!! Pashha Электрооборудование 21 30.08.2021 21:34
[9PA] Нужна помощь wolf68 Кузов 7 26.07.2019 21:32
Нужна помощь Gorets95 Вопросы специалистам 6 22.05.2014 23:18
нужна помощь Рамиз Обмен опытом 1 03.12.2012 11:36
Ребята нужна помощь Nightcone Бизнес 5 20.01.2010 19:28



Powered by vBulletin® Version 3.8.7
Copyright ©2000 - 2025, vBulletin Solutions, Inc. Перевод: zCarot
Все права на материалы, находящиеся на сайте, охраняются в соответствии с законодательством РФ.
При любом использовании материалов сайта, письменное согласие обязательно.
Торговые марки, логотипы и марки услуг, размещенные на данном сайте, являются собственностью их владельцев.
CayService.ru не связан с Porsche AG или PCNA. ©2025 CayService.ru. Все права защищены.
Яндекс.Метрика