Правила форума Clear

Задняя банка Cargraphic

14.06.2013, 01:27   #1
schipa
Возможна ли установка на Кай 955 3.2 и даст ли это улучшение звука выхлопа?
Миниатюры:
Нажмите на изображение для увеличения
Название: 01.jpg
Просмотров: 85
Размер:	99.3 Кб
ID:	7711  
14.06.2013, 10:38   #2
Владимир Маркин
Аватар для Владимир Маркин
возможно, только на 3.2 вход в банку один, а выхода два...касательно улучшения звука, тут на любителя...
14.06.2013, 18:17   #3
schipa
А что делать со вторым входом на Cargraphic? Заварить? Звук то получше станет чем стоковый?

Добавлено через 3 минуты
И еще вопрос: где можно качественно произвести замену?
14.06.2013, 19:11   #4
Владимир Маркин
Аватар для Владимир Маркин
Сообщение от schipa Посмотреть сообщение
А что делать со вторым входом на Cargraphic? Заварить?
делать заглушку

Сообщение от schipa Посмотреть сообщение
И еще вопрос: где можно качественно произвести замену?
вопрос какие отводы сделаны...
14.06.2013, 23:59   #5
schipa
Сообщение от Владимир Маркин Посмотреть сообщение
какие отводы сделаны...
Отводы в смысле куда насадки цепляются? Или входы в банку?
15.06.2013, 11:29   #6
Владимир Маркин
Аватар для Владимир Маркин
вход....
15.06.2013, 11:36   #7
Владимир Маркин
Аватар для Владимир Маркин
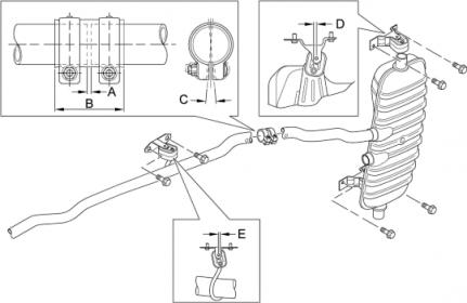
Bauteilübersicht V6 (einstrangige Abgasanlage)

B Abgasschellenlänge 95 mm

C Schiefstand Maximaler Schiefstand 10 °

D Deachsierung der Endschalldämpferhalterung 10 mm

E Deachsierung der mittleren Aufhängung 4 mm

F Deachsierung der vorderen Aufhängung 2 mm
Миниатюры:
Нажмите на изображение для увеличения
Название: NR.166.jpg
Просмотров: 76
Размер:	9.3 Кб
ID:	7712   Нажмите на изображение для увеличения
Название: 26010067.jpg
Просмотров: 85
Размер:	17.1 Кб
ID:	7713   Нажмите на изображение для увеличения
Название: 26330012.jpg
Просмотров: 88
Размер:	21.5 Кб
ID:	7714   Нажмите на изображение для увеличения
Название: 26330013.jpg
Просмотров: 71
Размер:	13.8 Кб
ID:	7715   Нажмите на изображение для увеличения
Название: 26330014.jpg
Просмотров: 77
Размер:	13.7 Кб
ID:	7716  

Нажмите на изображение для увеличения
Название: 26330004.jpg
Просмотров: 88
Размер:	21.8 Кб
ID:	7717  

Метки
cargraphic, банка



Левый уголок Похожие темы Правый уголок
Тема Автор Раздел Ответов Последнее сообщение
Есть диски кованные разноширокие диски Cargraphic Racing 22 для Порше-кайен с новой резиной перед 265/35/22 зад 395/30/22. Dixi Ходовая часть 5 05.06.2010 21:12



Powered by vBulletin® Version 3.8.7
Copyright ©2000 - 2025, vBulletin Solutions, Inc. Перевод: zCarot
Все права на материалы, находящиеся на сайте, охраняются в соответствии с законодательством РФ.
При любом использовании материалов сайта, письменное согласие обязательно.
Торговые марки, логотипы и марки услуг, размещенные на данном сайте, являются собственностью их владельцев.
CayService.ru не связан с Porsche AG или PCNA. ©2025 CayService.ru. Все права защищены.
Яндекс.Метрика