Запомнить?
Правила форума
Регистрация
Галерея
К странице...
Технический форум Porsche | Клуб любителей автомобилей Porsche | Technicians Group
»
Технический раздел
»
Вопросы специалистам
9PA производство 2003>>2006 (L) Господа помогите пожалуйста . Нужны схемы подклю
Страница 2 из 2
<
1
2
12.09.2016, 16:27
#
11
Владимир Маркин
Сообщение от
Van1560
на другом №28. е можем найти куда воткнуть ))))
13.09.2016, 05:23
#
12
Van1560
Сообщение от
Владимир Маркин
Большое спасибо . Это сапун ...блин )))
10.11.2016, 11:27
#
13
Van1560
Сообщение от
Владимир Маркин
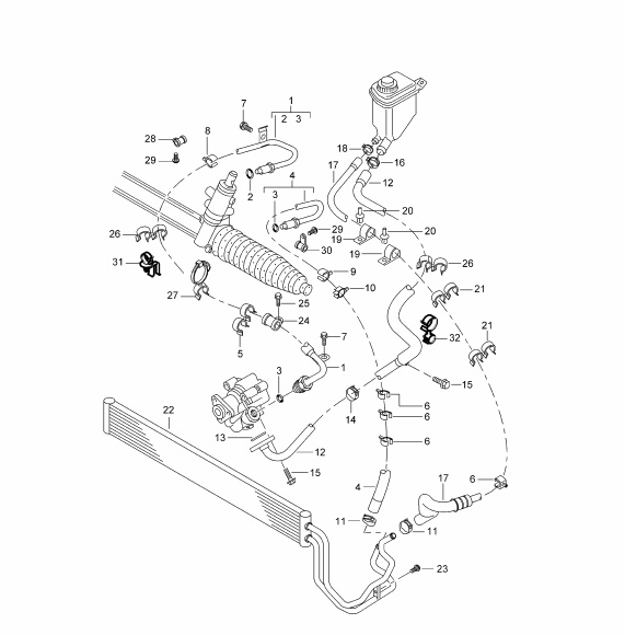
Добрый день Владимир! У Вас есть схемы укладки шлангов гидроусилителя кайен 4.5 турбо.2006
10.11.2016, 11:43
#
14
Владимир Маркин
Сообщение от
Van1560
Добрый день Владимир!
Добрый день.
Сообщение от
Van1560
У Вас есть схемы укладки шлангов гидроусилителя кайен 4.5 турбо.2006
Этого достаточно?
Миниатюры:
Страница 2 из 2
<
1
2
Метки
господин
,
нужный
«
Предыдущая тема
|
Следующая тема
»
Похожие темы
Тема
Автор
Раздел
Ответов
Последнее сообщение
помогите пожалуйста
gyginot271
Электрооборудование
12
09.07.2014
16:43
[9PA]
Не могу понять, помогите пожалуйста
gyginot271
Ходовая и подвеска
7
16.04.2014
06:20
помогите пожалуйста что это за система??????
владимир 323
Вопросы специалистам
6
02.09.2013
16:08
Помогите пожалуйста!)разобраться
danilaBodrov
Двигатель
14
19.06.2013
21:58
Схемы подстав
Владимир Маркин
Юридическая консультация для друзей
13
27.01.2011
14:45
-- Evo
-- Мобильный NEW
Обратная связь
-
Справка
-
Реклама
-
Ремонт, ТО, обслуживание, диагностика Porsche
-
Условия использования
-
Вверх
Powered by vBulletin® Version 3.8.7
Copyright ©2000 - 2025, vBulletin Solutions, Inc. Перевод:
zCarot
Все права на материалы, находящиеся на сайте, охраняются в соответствии с законодательством РФ.
При любом использовании материалов сайта, письменное согласие обязательно.
Торговые марки, логотипы и марки услуг, размещенные на данном сайте, являются собственностью их владельцев.
CayService.ru не связан с Porsche AG или PCNA. ©2025 CayService.ru. Все права защищены.