Правила форума Clear

9PA1 производство 2007>>2010 (L) Привод двери багажника - Страница 2

22.04.2017, 09:10   #11
Mr.G
Аватар для Mr.G
Где посмотреть уровень масла в системе привода багажника.
22.04.2017, 10:33   #12
Владимир Маркин
Аватар для Владимир Маркин
Сообщение от Mr.G Посмотреть сообщение
Где посмотреть уровень масла в системе привода багажника.
https://forum.cayservice.ru/showthre...472#post110472
16.06.2018, 18:50   #13
kmc5
Как отрегулировать высоту открывания крышки багажника на 957?
Вроде как нужно нажать и удерживать внутреннюю кнопку закрывания на открытой на нужную высоту крышке.
Нет ли чёткой инструкции как именно это сделать?
16.06.2018, 19:24   #14
Владимир Маркин
Аватар для Владимир Маркин
Сообщение от kmc5 Посмотреть сообщение
Как отрегулировать высоту открывания крышки багажника на 957?
Вроде как нужно нажать и удерживать внутреннюю кнопку закрывания на открытой на нужную высоту крышке.
Нет ли чёткой инструкции как именно это сделать?
Все описано подобно в инструкции по эксплуатации автомобиля.
Идем по ссылке https://forum.cayservice.ru/showthread.php?t=1852
Скачиваем инструкцию. Открываем инструкцию и на 22, 23 страницах все подобно описано.
Миниатюры:
Нажмите на изображение для увеличения
Название: 22.jpg
Просмотров: 39845
Размер:	110.8 Кб
ID:	17399   Нажмите на изображение для увеличения
Название: 23.jpg
Просмотров: 39752
Размер:	111.3 Кб
ID:	17400  
07.07.2018, 13:11   #15
Lyoshauka
Сбой системы может быть, но не точно, или заело что-то
15.01.2020, 00:08   #16
Пи
Прошу помощи
Установили на 957 комплект оригинала пятой двери в электро

Проблемы две

1. При закрытие в конце хлопает сильно и потом притягивает, а должен же плавно опустить и прижать но этого нет ((

2. Пивис открывает но не закрывает
15.01.2020, 09:56   #17
Владимир Маркин
Аватар для Владимир Маркин
Сообщение от Пи Посмотреть сообщение
1. При закрытие в конце хлопает сильно и потом притягивает, а должен же плавно опустить и прижать но этого нет ((
Кто сказал что должен плавно опустить и прижимать? Плавность работы и прижима крышки багажника на 957 относительная. Крышка багажника при закрытии даже на новых машинах всегда хлопала и плавно не опускалась.

Сообщение от Пи Посмотреть сообщение
2. Пивис открывает но не закрывает
Сделайте фото раздела в PIWIS через чего вы даете команду на закрытие крышки багажника.
15.01.2020, 13:56   #18
Пи
Через тест исполнительных механизмов.
Но проблема сейчас что и открывать не хочет
А ещё перестал с кнопки на багажнике открывать. ( то есть замок открывает но насос не качает )
15.01.2020, 21:59   #19
Владимир Маркин
Аватар для Владимир Маркин
Сообщение от Пи Посмотреть сообщение
Через тест исполнительных механизмов.
Но проблема сейчас что и открывать не хочет
А ещё перестал с кнопки на багажнике открывать. ( то есть замок открывает но насос не качает )
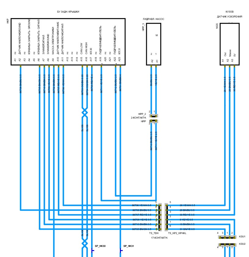
При задействовании блока управления задней крышки осуществляется проверка внутренних функциональных процессов.
При этом проверяются все диагностируемые выходы и сохраняются в памяти обнаруженные неисправности.

Неисправности в блоке управления задней крышки регистрируются?
0532 - Эл-питание (000214)
1042 - Блок управления не закодир. (000412)
1331 - Блок управления двери водителя (000 533)
1334 - Блок управления задней правой двери (00 0536)
1341 - Комб. приборов (00053D)
1362 - Выключатель закрывани я зад. крышки (000552)
1543 - Зуммер зад.крышки (000607)
2841 - Гидравлический блок (000B1 9)
3074 - Датч.наклона зад.крышки (000C 02)
3076 - Счетчик блокировок (000C04)
15652 - Сервис активир. (003D24)
16346 - Блок управления неиспра вен (003FDA

Задний блок управления системы комфорта закодирован верно?

Компоненты все присутствуют в системе?
Миниатюры:
Нажмите на изображение для увеличения
Название: Привод крышки багажника 957.jpg
Просмотров: 39699
Размер:	117.7 Кб
ID:	26934  
15.01.2020, 23:34   #20
Serg124
Без датчика насос не будет работать в принципе, так что если ездило то всё на месте.


Сообщение от Пи Посмотреть сообщение
Доброй ночи

Прошу помощи

Установили такой комплект почти все работает правильно)

Проблема в том, что при закрытия багажника в конце он сильно падает (бьётся) и потом идёт прижимать, а должен плавно опустить к прижатию и прижать отдельно

С пивиса открывает но не закрывает, с кнопок открывает и закрывает

Куда смотреть и что искать почему же он так в конце его бросает?

Ничего он никому не должен. Вы путаете работу гидравлики и электропривода. Максимум что можно сделать - поставить новые амортизаторы на стекло и правую петлю.

Метки
амортизатор, багажник, блок, всегда, высота, гидоблок, датчик, дверь, задний, крышка, масло, меняться, место, неисправность, открывать, открываться, палец, положение, привод, работа, разъем, система, тогда, управление, шаров



Левый уголок Похожие темы Правый уголок
Тема Автор Раздел Ответов Последнее сообщение
[9PA] Привод двери багажника Технократ Вопросы специалистам 32 29.06.2018 12:46
КУПЛЮ Амортизаторы двери багажника. RomanBoy Кузов 0 17.04.2015 20:13
Ищут хозяина двери,дверь багажника,турбовый капот,бампер задний Tommi Кузов 2 27.03.2015 12:12
Продам привод правой передней двери с блоком виктор бар Кузов 1 29.05.2013 19:09
Продам стекло двери багажника skird Кузов 2 14.11.2010 00:54



Powered by vBulletin® Version 3.8.7
Copyright ©2000 - 2025, vBulletin Solutions, Inc. Перевод: zCarot
Все права на материалы, находящиеся на сайте, охраняются в соответствии с законодательством РФ.
При любом использовании материалов сайта, письменное согласие обязательно.
Торговые марки, логотипы и марки услуг, размещенные на данном сайте, являются собственностью их владельцев.
CayService.ru не связан с Porsche AG или PCNA. ©2025 CayService.ru. Все права защищены.
Яндекс.Метрика