Правила форума Clear

9PA1 производство 2007>>2010 (L) Пропуски в цилинре

29.05.2017, 18:43   #1
Алексей 113
кайен S 4.8 мотор 48.01
проблема такая, на холостых работает не приятно есть вибрация но приборы и сканер показания ок.. Нажимаю на газ 1100 оборотов и держу, сканер считывает около 30 пропусков на 5 цилиндре меньше чем за минуту. Катушку менял, свечу менял, форсунку менял, подсоса воздуха нет. Ещё есть характерный звук в коллекторе, нарастающий свист в 10 см дальше от заслонки потом хлопок и нормально с одинаковой периодичностью.
Прошу совета , возможно кто нибудь сталкивался.
29.05.2017, 18:59   #2
Владимир Маркин
Аватар для Владимир Маркин
Добрый день!
Ошибки в блоке управления двигателя присутствуют?
Краткие тесты блока управления двигателя все проходят?
Компрессия в 5-м цилиндре какая?
Топливные форсунки проверяли/мыли на стенде?
29.05.2017, 19:35   #3
Алексей 113
компрессия 5,6,7,8 по 20 бар, форсунки менял местами 5 на 6 , как и говорил по телефону ошибки проявляются только по лямдам т.к. вырезаны кат- ры и то после поездки а так ошибок нет . Насосы новые, давление в рампе показывает 40000. По OBD2 все цилиндры стоят по 0 а 5 на глазах счетчик пропусков растёт при 1100 оборотах
29.05.2017, 19:58   #4
Владимир Маркин
Аватар для Владимир Маркин
Давление топлива низкого контура каждого топливного насоса какое под нагрузкой?
29.05.2017, 21:41   #5
Алексей 113
Насосы и фильтр менял меньше 15000 назад на порше центре Ростов на дону с 2 летн. гарантией недавно есдил проверял все сказали норме показания не видел . У меня приспособы нет. Я понимаю что форсунка дальняя но причем 5 целиндр и контур низкого давления. У меня когда и 3 кг давила пропусков небыло, даже на одном насосе пропусков никогда небыло тем более на 1100 оборотах. Может поделитесь в чем смысл проверки этого контура чтобы я зря поторно проверку не делал и при кокой нагрузке
проверять давления
29.05.2017, 21:49   #6
Владимир Маркин
Аватар для Владимир Маркин
Сообщение от Алексей 113 Посмотреть сообщение
Я понимаю что форсунка дальняя но причем 5 целиндр и контур низкого давления. У меня когда и 3 кг давила пропусков небыло, даже на одном насосе пропусков никогда небыло тем более на 1100 оборотах.
Проблема в том, что Вы не можете определить в какой системе дефект. В связи с этим проверяют те системы, от которых потенциально может быть нарушение смесеобразования.
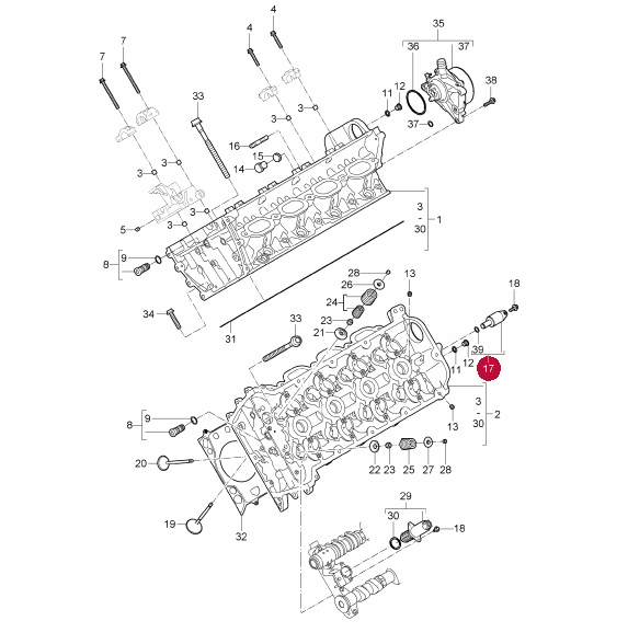
Нужно качественно проверить топливную систему, систему впуска, систему зажигания и систему выпуска. Дальше по результатам собранной информации двигаться дальше. Если у Вас 100% уверенность в работоспособности вышеназванных систем, поменяйте местами гидравлические клапана переключения длины хода клапанов (система регулировки хода клапанов). Для замены местами требуется предварительно снять вакуумный насос и ТНВД.
Извлечь гидравлический клапан из ГБЦ. Следить за тем, чтобы одновременно было снято и уплотнительное кольцо. В противном случае с помощью зеркала и фонаря найти уплотнительное кольцо.
Промыть переднюю сетку гидравлического клапана промывочным бензином. В случае повреждения или сильного загрязнения заменить гидравлический клапан.
Установить гидравлический клапан с новым уплотнительным кольцом в правильном положении. Не допускать сползания уплотнительного кольца. Установить и затянуть винты.

Распредвалы ряда цилиндров 1-4
1 - Распредвал (Выпуск)
2 - Распредвал (Впуск)
3 - Гидравлический клапан регулировки хода клапанов (VVS)
4 - Винт M5 x 12 → Момент затяжки: 6 Nm
5 - Переключающиеся толкатели (смазать моторным маслом)
6 - Тарельчатые толкатели (смазать моторным маслом)
7 - Пробка
8 - Опоры подшипников 1 - 4
9 - Пробка
10 - Рабочие поверхности подшипников (смазать моторным маслом)
A - Направление движения

Распределительные валы цил. с 5 по 8
1 - Переключающиеся толкатели (смазать моторным маслом)
2 - Тарельчатые толкатели (смазать моторным маслом)
3 - Распредвал (Впуск)
4 - Гидравлический клапан системы регулирования хода клапанов (VVS)
5 - Винт M5 Х 12 → Момент затяжки: 6 Nm
6 - Распредвал (Выпуск)
7 - Пробка
8 - Опоры подшипников цилиндров 5 - 8
9 - Пробка
10 - Рабочие поверхности подшипников (смазать моторным маслом)
A - Направление движения
Миниатюры:
Нажмите на изображение для увеличения
Название: Клапан.png
Просмотров: 1746
Размер:	70.5 Кб
ID:	14385   Нажмите на изображение для увеличения
Название: Распред. валы 1-4.png
Просмотров: 1683
Размер:	61.4 Кб
ID:	14386   Нажмите на изображение для увеличения
Название: Распред. валы 5-8 цил..png
Просмотров: 1668
Размер:	73.6 Кб
ID:	14387  
30.05.2017, 14:05   #7
Алексей 113
Спасибо Владимир, после замены напишу результат. Блок, поршни и кольца кстати гильзовал у вас пробег 55000, компрессия ровная, масло на 8000 км расход сейчас всего 2 л. Проблему бы убрать и можно наслаждаться полётом.
30.05.2017, 14:17   #8
Владимир Маркин
Аватар для Владимир Маркин
Сообщение от Алексей 113 Посмотреть сообщение
Проблему бы убрать и можно наслаждаться полётом.
Все в Ваших руках
04.06.2017, 04:18   #9
Алексей 113
К сожелению от перемены местами клапанов итог остался таким же. Сетки чистые , промыл на всякий случай . Двигатель на ходостых стал работать ровнее в салоне почти не чувствуется вибрации. Но осталась таже проблема начинаешь плавно работать педалью до 1500 об. Вверх вниз и на счетчики сканера пошли пропуски того же 5 цилиндр. К тому же по 5 цилиндру 16 пропусков а по 6 три проявилось.У меня уже есть сомнения в работе впускных клапанов на 5 цилиндре.Может быть залипание на этих двигателях. Машину делаю сам , приспособы для распредвалов есть. Какие еще идеи Владимир, может подскажете принцип работы клапанов ? Может ли причина в закусывании клапана.Может еще что проверить.? Хотелось бы убедится полностью прежде чем снимать голову. У мажины пробег 154000 родной гильзовали на 98000. Вскрытие это попандос на месяц, а причину можно визуально и не найти, только путем замены на новые.
04.06.2017, 16:49   #10
Владимир Маркин
Аватар для Владимир Маркин
Сообщение от Алексей 113 Посмотреть сообщение
Вверх вниз и на счетчики сканера пошли пропуски того же 5 цилиндр. К тому же по 5 цилиндру 16 пропусков а по 6 три проявилось.
Думаю перепроверить топливные форсунки и систему зажигания.

Сообщение от Алексей 113 Посмотреть сообщение
У меня уже есть сомнения в работе впускных клапанов на 5 цилиндре.Может быть залипание на этих двигателях.
Эта версия проверяется замером компрессии. А компрессия я так понимаю везде примерно одинаковая.

Метки
turbo, диагностик, есть, зажигание, замена, компрессия, пропуск, решение, система, сказать, стенд, целиндр, цилиндр





Powered by vBulletin® Version 3.8.7
Copyright ©2000 - 2025, vBulletin Solutions, Inc. Перевод: zCarot
Все права на материалы, находящиеся на сайте, охраняются в соответствии с законодательством РФ.
При любом использовании материалов сайта, письменное согласие обязательно.
Торговые марки, логотипы и марки услуг, размещенные на данном сайте, являются собственностью их владельцев.
CayService.ru не связан с Porsche AG или PCNA. ©2025 CayService.ru. Все права защищены.
Яндекс.Метрика