Правила форума Clear

9PA производство 2003>>2006 (L) Ошибка P1094

21.09.2017, 19:35   #1
optika
Приветствую Владимир, выскочила ошибка 1094 пару дней назад удалил её сегодня опять загорелся чек. машина работает без нареканий.
каен 3.2 2004 год
что посоветуете ? что проверить ? как исправить ?
21.09.2017, 20:03   #2
Владимир Маркин
Аватар для Владимир Маркин
Сообщение от optika Посмотреть сообщение
Приветствую Владимир
Добрый день!

Сообщение от optika Посмотреть сообщение
выскочила ошибка 1094 пару дней назад удалил её сегодня опять загорелся чек. машина работает без нареканий.
каен 3.2 2004 год
P1094 Неприемлемая масса воздуха перед дроссельной заслонкой

Сообщение от optika Посмотреть сообщение
что посоветуете ? что проверить ? как исправить ?
Условия диагностики
Напряжение АКБ 10 - 16 В
Двигатель работает

Возможная причина неисправности
Неисправен термоанемометрический расходомер воздуха 1 и / или 2 (номинальное напряжение при выключенном двигателе и включенном зажигании = 0,9 ... 1,1 В )→ см. фактические значения, фильтр количества воздуха DME, количество воздуха 1 (датчик) + количество воздуха 2 (датчик)
Тяжелый ход или увеличение дроссельной заслонки
Подсос воздуха между термоанемометрическим расходомером воздуха и дроссельной заслонкой (например, трещина в шланге)
Неисправность регулировочного модуля дроссельной заслонки
неисправность датчика температуры впускного воздуха (в термоанемометрическом расходомере воздуха)
Неисправность DME (датчик атмосферного давления)

Диагностика / поиск неисправностей

информация
При данном коде неисправности контролируется впускная система между термоанемометрическим расходомером воздуха и дроссельной заслонкой.
Датчик атмосферного давления установлен в блоке управления двигателя.

информация
Адаптация RKAT является дополнительной, считается неадаптированным при ± 0,0 %.
Адаптация FRAU является мультипликативной, считается неадаптированным при + 1,00

Во вложении алгоритм поиска и устранения этой неисправности.
Вложения:
Тип файла: pdf p1094.pdf (63.5 Кб, 365 просмотров)
21.09.2017, 20:27   #3
optika
самому видимо не справиться я так понял
22.09.2017, 11:24   #4
optika
Владимир, сегодня решил сам покопаться, помыл датчик дмрв за одно, и заслонку не снимая на заведённом моторе, что бы не адаптировать потом,
обнаружил трещину на шланге в посадочном месте где он соединяется с патрубком который идёт от заслонки, подскажите номер его что бы заказать для замены ?, фото прикрепляю.
Я это место загерметезировал, ошибку ваг компом скинул покатаюсь посмотрю появиться опять или нет.
После всех проведённых работ считал ошибки какие смог так как ваг комп не все блоки читает программа,
увидел ошибку в блоке электроника кп 01314 - Engine Control Module 013 - Check DTC Memory
и ещё 18619- p2187-001
18621-p2189-001
фото приложил
после обнаружения я стёр всё, проехался, машина работает чётка даже на педаль газа как то отзыв легче что ли, чек не горит, пока ещё заново не тестировал
Миниатюры:
Нажмите на изображение для увеличения
Название: FullSizeRender-22-09-17-02-01-1.jpg
Просмотров: 323
Размер:	213.9 Кб
ID:	15199   Нажмите на изображение для увеличения
Название: FullSizeRender-22-09-17-02-01.jpg
Просмотров: 285
Размер:	213.7 Кб
ID:	15200   Нажмите на изображение для увеличения
Название: IMG_2483-22-09-17-02-27.JPG
Просмотров: 178
Размер:	287.7 Кб
ID:	15201   Нажмите на изображение для увеличения
Название: IMG_2486-22-09-17-02-27.JPG
Просмотров: 158
Размер:	210.4 Кб
ID:	15202  
22.09.2017, 12:00   #5
Владимир Маркин
Аватар для Владимир Маркин
Сообщение от optika Посмотреть сообщение
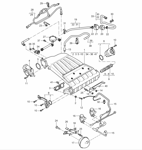
обнаружил трещину на шланге в посадочном месте где он соединяется с патрубком который идёт от заслонки, подскажите номер его что бы заказать для замены ?, фото прикрепляю.
Во вложении картинка. Проверьте у себя магистраль какая нужна....
Миниатюры:
Нажмите на изображение для увеличения
Название: Впускной коллектор V6 3.2.png
Просмотров: 218
Размер:	67.5 Кб
ID:	15203  
22.09.2017, 12:05   #6
Владимир Маркин
Аватар для Владимир Маркин
Сообщение от optika Посмотреть сообщение
После всех проведённых работ считал ошибки какие смог так как ваг комп не все блоки читает программа,
увидел ошибку в блоке электроника кп 01314 - Engine Control Module 013 - Check DTC Memory
и ещё 18619- p2187-001
18621-p2189-001
фото приложил
Остальное пока не важно
22.09.2017, 12:08   #7
optika
да я и смотрю на эту картинку и не могу определить они разбросаны, если бы было такое же расположение как в моторном отсеке я сам определил бы. я же фото для пояснения и прикрепил что бы найти какой из них

Добавлено через 1 минуту
28 номер на рисунке он из трёх шлангов один состоит ? наверное это он и есть
22.09.2017, 12:10   #8
Владимир Маркин
Аватар для Владимир Маркин
Сообщение от optika Посмотреть сообщение
да я и смотрю на эту картинку и не могу определить они разбросаны, если бы было такое же расположение как в моторном отсеке я сам определил бы. я же фото для пояснения и прикрепил что бы найти какой из них
Под номером 28 похоже то, что вам нужно. Проверьте еще раз у себя визуально.
22.09.2017, 12:25   #9
Владимир Маркин
Аватар для Владимир Маркин


22.09.2017, 13:12   #10
optika
да вот именно этот который в хромированной обмотке нужен, а отдельно его не продают наверное ?

Метки
воздух, неисправность, определить, ошибка



Левый уголок Похожие темы Правый уголок
Тема Автор Раздел Ответов Последнее сообщение
[9PA] Ошибка P1009 Magatte Обмен опытом 14 25.10.2019 10:58
[9PA1] Ошибка Р2015 Виктор999 Двигатель 7 12.09.2016 11:00
[9PA1] Ошибка 15606 megalarm Трансмиссия, АКПП, МКПП 17 28.07.2016 19:28
[92A] Ошибка Jun86 Вопросы специалистам 1 14.01.2016 18:20
Ошибка Stas Orsk Вопросы специалистам 1 04.08.2013 23:55



Powered by vBulletin® Version 3.8.7
Copyright ©2000 - 2025, vBulletin Solutions, Inc. Перевод: zCarot
Все права на материалы, находящиеся на сайте, охраняются в соответствии с законодательством РФ.
При любом использовании материалов сайта, письменное согласие обязательно.
Торговые марки, логотипы и марки услуг, размещенные на данном сайте, являются собственностью их владельцев.
CayService.ru не связан с Porsche AG или PCNA. ©2025 CayService.ru. Все права защищены.
Яндекс.Метрика