Правила форума Clear

9PA1 производство 2007>>2010 (L) Помогите определить цвет заднего бампера при рождении) Cayenne S (9PAAH1)

15.10.2020, 18:43   #1
IrinaK
Всем здравствуйте! Машина покупалась покупалась в конце 2008г, модель 2009г. новая в салоне Спорткарцентр цвет макадамия, бамперы в цвет. В настоящий момент в сервисе по каско на замене заднего бампера уже 2 недели. Убеждают меня, что по вину бампер черный, что они заказали в цвет, а получили черный ( все на тот же вин ссылаются), отправили назад и теперь ждут коричневый. Самостоятельно найти информацию по цвету не могу.
Вин WP1ZZZ9PZ9LA43283
15.10.2020, 19:48   #2
Владимир Маркин
Аватар для Владимир Маркин
Сообщение от IrinaK Посмотреть сообщение
Всем здравствуйте!
Добрый вечер

Сообщение от IrinaK Посмотреть сообщение
цвет макадамия
Светло-коричневый металлик (Macadamia)

Сообщение от IrinaK Посмотреть сообщение
бамперы в цвет
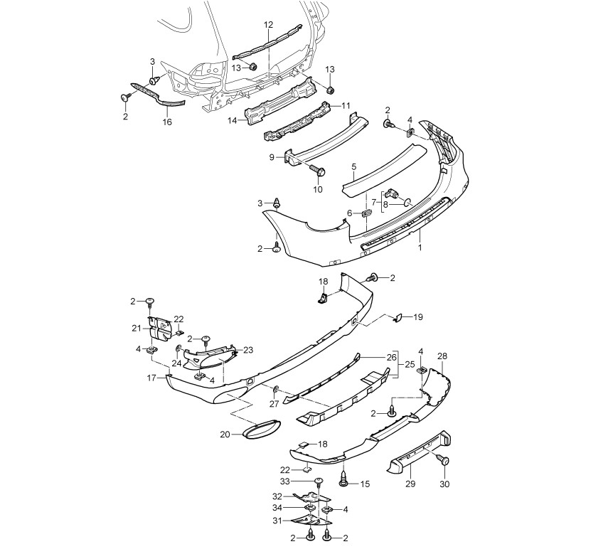
Задний бампер состоит 3-х элементов

Сообщение от IrinaK Посмотреть сообщение
Убеждают меня, что по вину бампер черный, что они заказали в цвет, а получили черный ( все на тот же вин ссылаются), отправили назад и теперь ждут коричневый. Самостоятельно найти информацию по цвету не могу.
Вин WP1ZZZ9PZ9LA43283
Тут все зависит от того что вы называете бампером. Конструкция задней части во вложении...
Миниатюры:
Нажмите на изображение для увеличения
Название: Бампер задний.jpg
Просмотров: 219
Размер:	81.1 Кб
ID:	36115  
16.10.2020, 00:21   #3
IrinaK
Не понимаю, как картинку вставить, радикал не пропускает. Вот самые большие детали, где парктроник встроен и откуда выхлопные трубы торчат)
Погнута еще алюминиевая накладка под дверью багажника, а под ней вертикальная трещина на обеих этих деталях, выглядит, как будто топориком долбанули.
16.10.2020, 13:46   #4
Владимир Маркин
Аватар для Владимир Маркин
Сообщение от IrinaK Посмотреть сообщение
Не понимаю, как картинку вставить
https://forum.cayservice.ru/showthread.php?t=6368
16.10.2020, 14:58   #5
IrinaK
Темно- коричневый
Миниатюры:
Нажмите на изображение для увеличения
Название: порш1.jpg
Просмотров: 286
Размер:	73.2 Кб
ID:	36121   Нажмите на изображение для увеличения
Название: порш.jpg
Просмотров: 247
Размер:	129.0 Кб
ID:	36122  
16.10.2020, 14:59   #6
IrinaK
Спасибо, получилось
16.10.2020, 15:07   #7
Владимир Маркин
Аватар для Владимир Маркин
На моей картинке, эта деталь под номером 17

Номер запчасти 95550552112G2X СПОЙЛЕР ЗАДНИЙ НИЖНИЙ, ГРУНТОВАННЫЙ

Поставляется с завода в транспортировочном грунте, серого цвета. Далее в условиях сервиса деталь окрашивается в цвет кузова. В данном случае цвет машины светло-коричневый металлик (Macadamia)

Если четно, я так и не понял суть вопроса. В чем неясность?
16.10.2020, 15:33   #8
IrinaK
Вопрос вот в чем: Из салона бамперы в цвет кузова, в сервисе меня убеждают, что по вину черный пластик. Обещали сделать за 5 дней, в итоге 2 недели еще конь не валялся.
Рассказывают, что заказали- привезли черный ( по вину), отправили назад, ждут коричневый. Мне кажется, что где- то там врут.
16.10.2020, 15:40   #9
Владимир Маркин
Аватар для Владимир Маркин
Сообщение от IrinaK Посмотреть сообщение
Из салона бамперы в цвет кузова
Да

Сообщение от IrinaK Посмотреть сообщение
в сервисе меня убеждают, что по вину черный пластик.
Эта деталь не поставляется черной в принципе. Средняя часть заднего бампера всегда в грунте (под окрас).
Самая нижняя часть заднего бампера (спойлер) на этой машине черный пластик, не окрашиваемый. Но по фото он не поврежден и его менять не нужно.

Сообщение от IrinaK Посмотреть сообщение
Рассказывают, что заказали- привезли черный ( по вину)
Я думаю что они заказали просто не ту деталь

Сообщение от IrinaK Посмотреть сообщение
отправили назад, ждут коричневый.
Коричневый точно не придет, можно не ждать)

Сообщение от IrinaK Посмотреть сообщение
Мне кажется, что где- то там врут.
Согласен
16.10.2020, 19:09   #10
IrinaK
Спасибо вам! Будем разбираться.

Метки
бампер, задний, определить, помочь, рождение, цвета



Левый уголок Похожие темы Правый уголок
Тема Автор Раздел Ответов Последнее сообщение
[92A] Помогите определить звук (видео) Daul M Двигатель 9 07.02.2019 13:07
[9PA1] Номер датчиков парковки (помогите определить) pilosyan Вопросы специалистам 5 17.08.2017 11:57
Продаю усилитель заднего бампера спавк Кузов 0 27.07.2013 21:15
Юбка заднего бампера от Turbo S chilikin Вопросы специалистам 0 05.06.2013 14:52



Powered by vBulletin® Version 3.8.7
Copyright ©2000 - 2025, vBulletin Solutions, Inc. Перевод: zCarot
Все права на материалы, находящиеся на сайте, охраняются в соответствии с законодательством РФ.
При любом использовании материалов сайта, письменное согласие обязательно.
Торговые марки, логотипы и марки услуг, размещенные на данном сайте, являются собственностью их владельцев.
CayService.ru не связан с Porsche AG или PCNA. ©2025 CayService.ru. Все права защищены.
Яндекс.Метрика