| 
			
			Информация о компонентах и системах
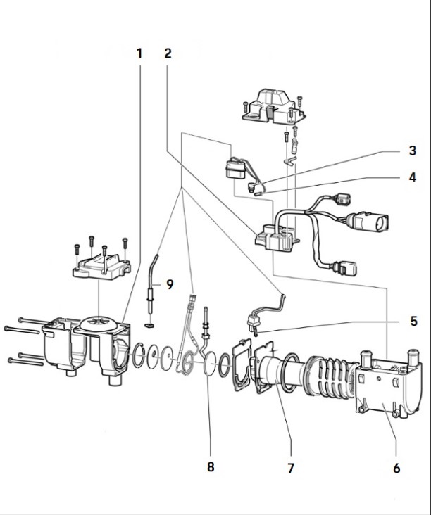
 Дополнительный отопитель, обзор
 
 Нагнетатель воздуха для горения
 
 Блок управления со жгутом проводов
 
 Датчик перегрева
 
 Датчик температуры поверхности
 
 Свеча накаливания
 
 Теплообменник
 
 Вставка камеры сгорания
 
 Испаритель топлива
 
 Реле контроля воспламенения
 
 (на рисунке пример)
 Миниатюры:   |