Левый уголок Показать сообщение отдельно Правый уголок
22.01.2020, 21:52   #4
Владимир Маркин
Аватар для Владимир Маркин
Сообщение от 007ru29 Посмотреть сообщение
WP1ZZZ9PZ5LA49362
Инструменты и материалы

Телескопическая измерительная штанга

Контрольные размеры при ремонте кузова

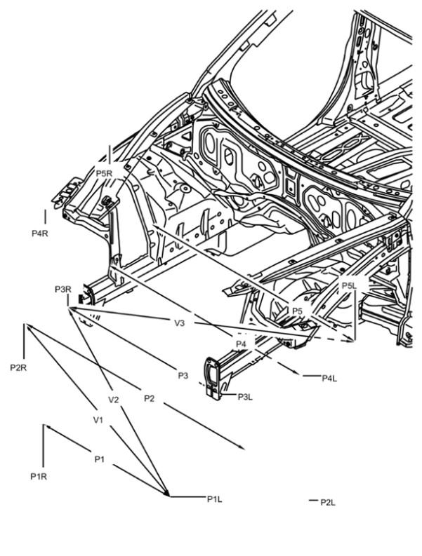
Контрольные размеры передней части кузова

Messpunkte: RPS Переднее левое крепление бампера

P1R RPS Переднее правое крепление бампера

P2L Опора полки переднего левого крыла

P2R Опора полки переднего правого крыла

P3L Поперечина опоры полки переднего левого крыла

P3R Поперечина опоры полки переднего правого крыла

P4L RPS Верхнее крепление левой амортизационной стойки

P4R RPS Верхнее крепление правой амортизационной стойки

P5L RPS Усилитель полки левого заднего крыла

P5R RPS Усилитель полки правого заднего крыла

Информация

Все размеры измерены на каркасе кузова (со снятыми агрегатами) по центру отверстий или резьбовых креплений. Размеры измерены по прямой линии, в том числе и угловые размеры. Расположение контрольных точек указано на изображениях соответствующих автомобилей. Контрольные точки помечены для левой или правой стороны автомобиля по ходу направления движения (сверху). Размеры, приведенные для левой стороны автомобиля, действительны в зеркальном отображении и для правой стороны автомобиля.

Информация

Приведенные размеры служат для примерной оценки повреждения структуры кузова. Ремонт автомобиля должен проводиться на рихтовочном стенде.

RPS = система относительного позиционирования
Миниатюры:
Нажмите на изображение для увеличения
Название: Контрольные размеры при ремонте кузова.jpg
Просмотров: 918
Размер:	70.4 Кб
ID:	27192   Нажмите на изображение для увеличения
Название: Контрольные размеры передней части кузова.jpg
Просмотров: 967
Размер:	106.0 Кб
ID:	27193   Нажмите на изображение для увеличения
Название: Размеры перед.jpg
Просмотров: 927
Размер:	37.0 Кб
ID:	27194   Нажмите на изображение для увеличения
Название: Телескопическая измерительная штанга.jpg
Просмотров: 918
Размер:	12.8 Кб
ID:	27195